EasyManua.ls Logo

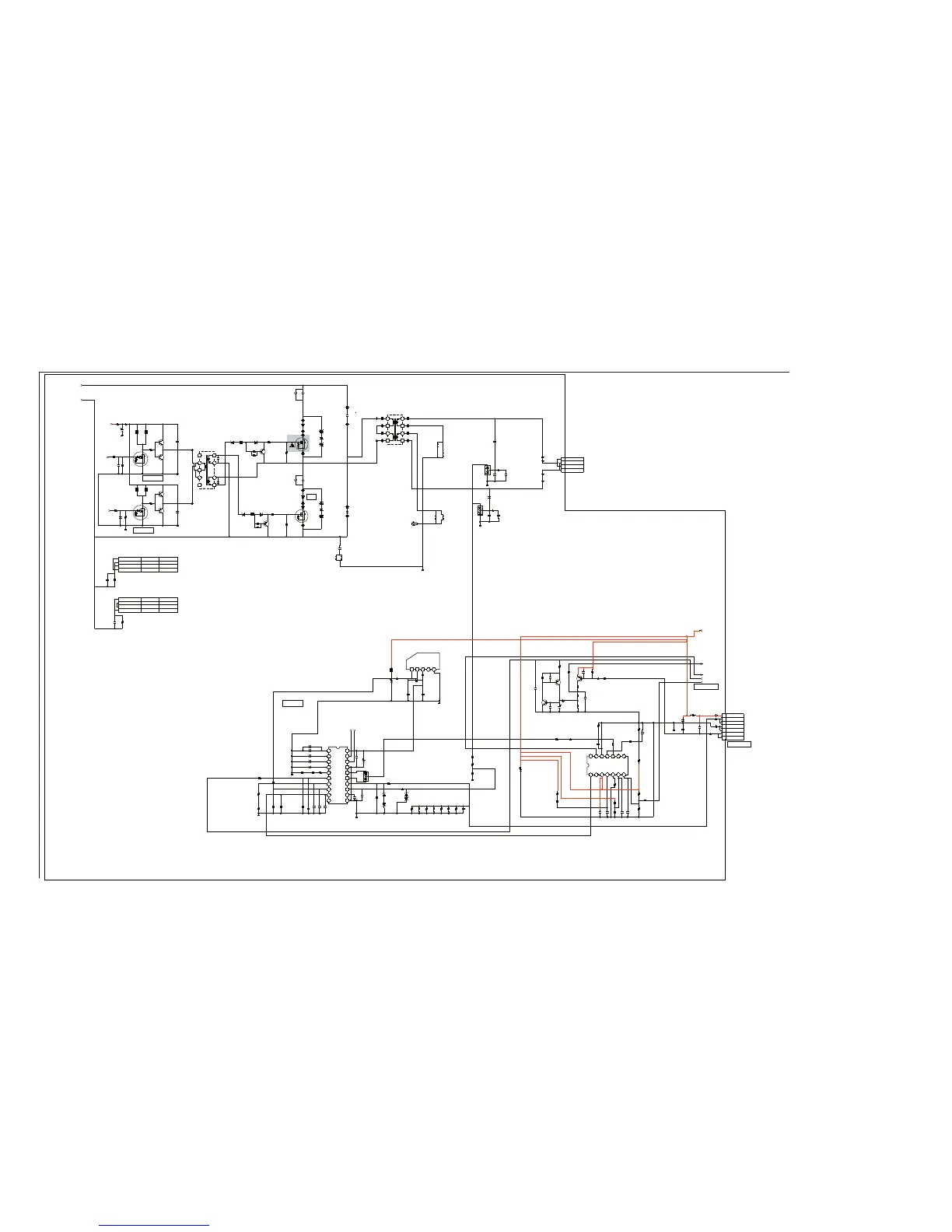
Sony KLV-26M400A - IP5 Z Board Schematic Diagram (2 of 2) (KLV-40 M400 A Only)

Sony KLV-26M400A
132 pages
Print Icon
To Next Page IconTo Next Page
To Next Page IconTo Next Page
To Previous Page IconTo Previous Page
To Previous Page IconTo Previous Page
Loading...
KLV-26M400A/32M400A/37M400A/40M400A
KLV-26M400A/32M400A/37M400A/40M400A 49
1 | 2 | 3 | 4 | 5 | 6 | 7 | 8 | 9 | 10 | 11 | 12 | 13 | 14 | 15 | 16 | 17 | 18 | 19 | 20 | 21 | 22 | 23 | 24
A
B
C
D
E
F
G
H
I
J
K
L
M
N
O
P
IP5Z BOARD SCHEMATIC DIAGRAM (2 OF 2) (KLV-40M400A ONLY)
201216V
1
B
C6726
1/10W
RN-CP
R6605
5%
1608
4.7
1/10W
10k
R6707
RN-CP
5%
25V
B
C6747
0.1
1608
25V
B
C6743
0.1
1
GND_3
S3K60
*D6606
TMP
1/10W
R6606
10k
EY6613
1
GND_3
VCC_12V
MC2837
D6704
EY6617
INV_DRV_1L
INV_DRV_1H
R6736
CHIP
0
INV_DRV_1L
25V
0.1
B
C6702
EY6701
1/10W
RN-CP
0.5%
27k
R6751
R6619
1M
1
GND_3
4.7
R6805
1/4W
FPRD
R6602
68
1/10W
RN-CP
0.5%
100k
R6725
1608
25V
B
C6746
0.1
2012
25V
1
B
C6732
1/10W
RN-CP
5%
1k
R6721
FSF03B60
*D6604
TMP
1608
50V
CH
C6719
470p
1/10W
RN-CP
5%
R6786
4.7k
16V
100
C6729
INV_DRV_1H
MA2DF600001S0
*D6605
TMP
1
GND_3
1
GND_3
1608
25V
0.01
B
C6730
EY6610
1608
1/10W
RN-CP
5%
R6607
10k
CHIP
0
R6776
MAZ8068G0LS0
D6710
16V
100
C6740
EY6621
1608
50V
B
C6602
1000p
1/10W
RN-CP
0.5%
2.2M
R6727
1
GND_3
XX
C6737
C6739
0.01
25V
B
1608
EY6620
2SA1364-T111-1DE
Q6601
1608
50V
B
C6601
1000p
2SA1364-T111-1DE
Q6600
EY6703
C6724
CH
100p
50V
R6601
2012
1/10W
5%
1k
1/10W
RN-CP
5%
R6795
47k
1/10W
R6771
100k
1608
R6789
47k
1/10W
RN-CP
0.5%
82k
R6722
1/10W
RN-CP
4.7
R6700
5%
EY6702
R6600
2012
1/10W
5%1k
EY6615
EY6614
EY6607
1
GND_3
S3K60
*D6607
TMP
1608
50V
1000p
CH
C6717
C6658
0.1
25V
0.1
B
C6703
EY6611
EY6619
EY6612
1/4W
FPRD
R6603
68
C6606
450V
1
EY6616
1/4W
FPRD
1
R6804
MC2837
D6705
1/10W
10k
R6708
RN-CP
5%
50V
1000p
CH
C6718
1/10W
R6604
1608
4.7
EY6700
CHIP
R6770
0
1/10W
RN-CP
0.5%
33k
R6783
1
GND_3
1/10W
RN-CP 0. 5%
68k
R6733
EY6618
20
19
18
17
16
15
14
13
12
1110
9
8
7
6
5
4
3
2
1
LX1692BIDW
IC6701
VDDA
C_R
C_BST
C_TO
I_R
ENABLE
BRITE_A
VIN_SNS
BRITE_D
VCOMPOC_SNS
ICOMP
OV_SNS
ISNS
DOUT
COUT
GND
BOUT
AOUT
VDDP
1608
1/10W
RN-CP
0.5%
R6730
2.7k
1/10W
RN-CP
5%
4.7
R6703
1/10W
RN-CP
0.5%
R6723
56
14 13 12 11 10 9 8
7654321
LM339DT(A)
IC6703
0
0
VCC
-
+
-
+-
+
-
+
GND
0
0
10k
R6794
1/10W
RN-CP
5%
10k
R6773
25V
0.1
B
C6744
1/10W
4.7
R6704
RN-CP
5%
2012
50V
B
C6604
0.1
1608
1/10W
RN-CP
5%
R6609
1M
1608
R6779
10k
1/10W
RN-CP
0.5%
FB6600
0.45uH
FB6602
0.45uH
12345
PQ200WNA1ZPH
IC6702
DCINPUT
ON/OFF
DCOUT
REF
GND
6.3V
10
B
C6738
10V
1
B
C6723
10V
1
B
C6727
2SC3052EF-T1-LEF
Q6711
VCC_12V
E
ET6701
25V
0.1
B
C6725
MAZ8047G0LS0
D6715
MAZ8047G0LS0
D6714
*R6754
100
1/10W
RN-CP
*R6758
120
1/10W
RN-CP
*R6756
82
1/10W
RN-CP
*R6752
120
1/10W
RN-CP
CHIP
R6766
0
1
GND_3
5%
R6715
10k
1/10W
RN-CP
1/10W
2.2k
R6716
RN-CP
5%
1608
RN-CP
R6809
2.2k
1/10W
5%
R6790
100k
1/10W
UDZSTE-173.6B
D6620
UDZSTE-173.6B
D6621
1/10W
RN-CP
0.5%
4.7k
R6763
1/10W
RN-CP
0.5%
100k
R6750
25V
0.1
B
C6742
CHIP
R6724
0
1608
25V
B
C6749
0.1
1608
50V
B
C6755
1000p
10V
100
C6745
1608
10V
1
B
C6748
1
GND_3
1608
25V
0.1
B
C6794
1608
CHIP
R6824
0
1608
CHIP
R6823
01/10W10k
R6757
1608
10V
1
B
C6735
C6736
XX
JL6711
JL6712
JL6713
JL6714
JL6717
JL6718
25V
B
C6756
0.1
25V
B
C6757
0.1
16V
100
C6759
1/10W
R6755
100k
1608
25V
B
C6728
0.01
D6709
MAZ8068G0LS0
R6632
1k
R6633
1k
50V
1000p
B
C6731
FB6601
0.45uH
FB6603
0.45uH
*R6768
150
1/10W
RN-CP
*R6764
150
1/10W
RN-CP
Mount Mecha
263406621
A6607
D6604,Q6602
Mount Mecha
263406621
A6608
D6605,Q6603
*R6762
120
1/10W
RN-CP
16V
47
C6789
ISA1235AC1TP-1EF
Q6712
ISA1235AC1TP-1EF
Q6714
450V
PT
C6797
1
EY6714
EY6715
C6709
47p
6kV
SL
C6711
47p
6kV
SL
C6714
3300p
1
47
9
10
2
3
65
*T6800
TMP
MA2J1130GLS0
D6601
MA2J1130GLS0
D6600
1/10W
RN-CP
0.5%
R6792
270k
S
2SK3569
Q6603
S
2SK3569
Q6602
JL6719
JL6720
JL6721
JL6722
JL6723
JL6724
JL6725
JL6727
JL6728
JL6729
JL6730
JL6731
JL6733
JL6736
JL6737
1/10W
RN-CP
0.5%
R6782
47k
C6710
3300p
50V
SL
1608
C6712
3300p
50V
SL
1608
R6714
5%
12k
1/10W
RN-CP
1
2
3
4
5
6
7
7P
*CN6701
VCC_12V
FB
FB
GND
GND
LD
LD
5
JW6605
5
JW6606
1608
RN-CP
R6797
4.7k
1/10W
5%
50V
B
C6733
1000p
JL6747
BALANCER_ERR
DIMMER
BACL_LIGHT
INV_ERR
JL6738
PFC_OUT
PRI_GND
EY6604
EY6605
EY6608
EY6609
250V
B
C6612
220p
EY6606
2SC4357-T11-1E
Q6719
2SC4357-T11-1E
Q6720
2SA1364-T111-1DE
Q6717
2SA1364-T111-1DE
Q6718
1/10W
RN-CP
5%
100
R6702
1/10W
RN-CP
5%
100
R6701
1/4W
FPRD
1k
R6917
1/4W
FPRD
1k
R6918
1/4W
FPRD
1k
R6919
1/4W
FPRD
1k
R6920
S
2SK2009(TE85L)
Q6706
TMP
S
2SK2009(TE85L)
Q6707
TMP
1608
50V
CH
C6751
100p
1608
50V
CH
C6752
100p
MC2838-T112-1
D6722
1
2
3
3300p
C6713
1/10W
RN-CP 0. 5%
4.7k
R6781
MA2J1110GLS0
D6711
1
3
2
45
8
6
7
*T6600
TMP
7.5
JW6710
7.5
JW6711
7.5
JW6712
7.5
JW6713
1
2
3
4
4P
*CN6700
HV2
HV2
HV1
HV1
1
GND_2
R6747
390k
FROM Power Supply
TO BALANCERBOARD
TO-220
INK0002AC1-T130A-1
INK0002AC1-T130A-1
INK0002AC1-T130A-1
IP5Z 2/2
POWER (CONT.)
A-1494-684-C <EX1> IP5Z-P2

Table of Contents

Related product manuals