EasyManua.ls Logo

Sony LBT-A57CD - Section 4 Diagrams (CDP-M43;M54); 4-1 Block Diagram

Sony LBT-A57CD
92 pages
Print Icon
To Next Page IconTo Next Page
To Next Page IconTo Next Page
To Previous Page IconTo Previous Page
To Previous Page IconTo Previous Page
Loading...
SECTION
4
DIAGRAMS
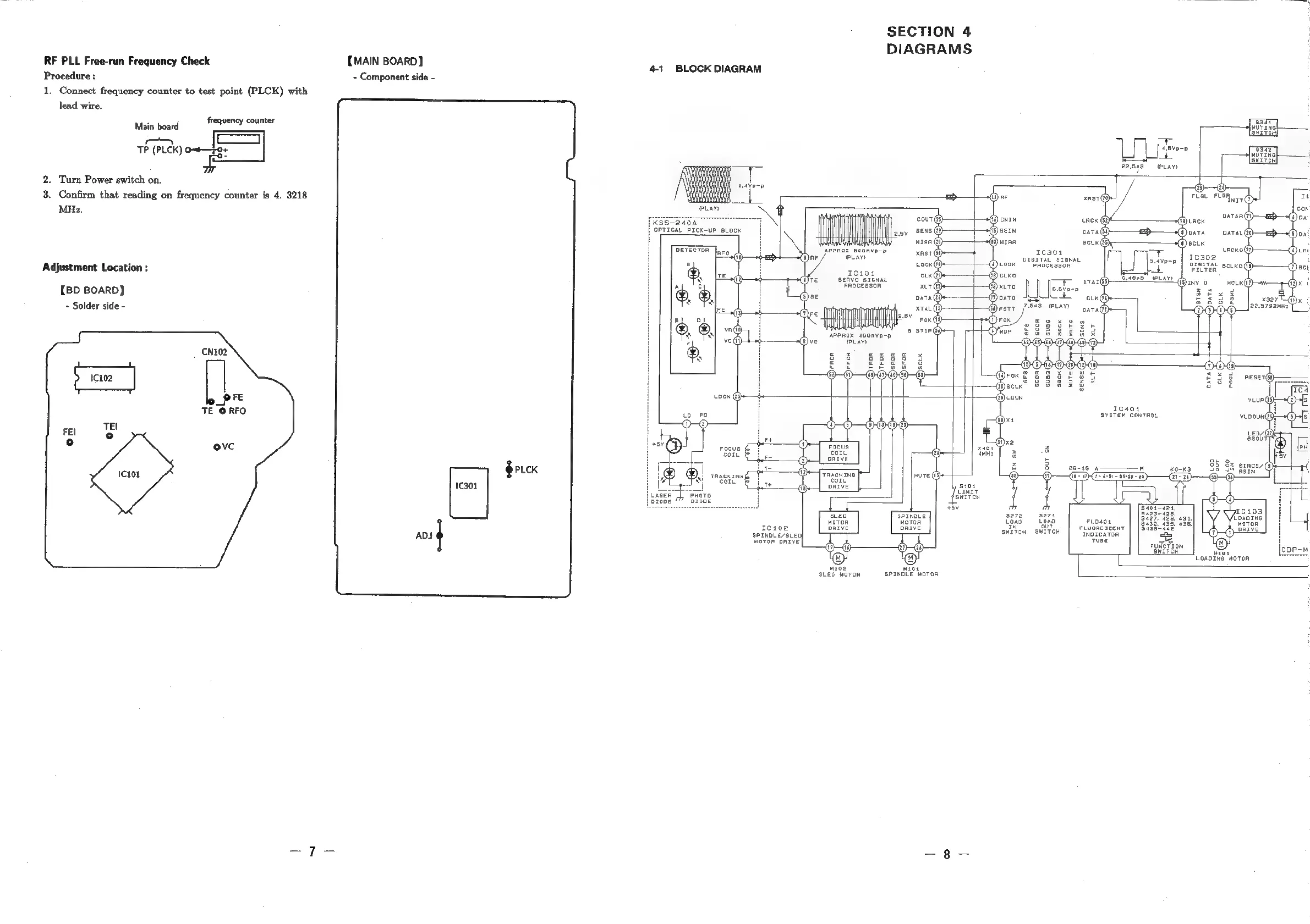
RF
PLL
Free-run
Frequency
Check
[MAIN
BOARD]
441
BLOCK
DIAGRAM
Procedure
:
-
Component
side
-
1.
Connect
frequency
counter
to
test
point
(PLCK)
with
lead
wire.
Wakes
frequency
counter
aie
a
a
=
TP
(PLCK)
O=—70+
ier
yatta
tr
TMT
Fass"
usw
2.
Turn
Power
amitch
on
.
NG
:
3.
Confirm
that
reading
on
frequency
counter
is
4.
3218
AAA
Fee.
FLOR,
MHz.
Lay
PRSSSG0K
aN
OPTICAL
PICK-UP
BLOCK
Lacko@)
@un:
DETECTOR
iesoi
:
7
3
onaivat
tena
saver
|
20302
Adjustment
Location
:
PROCESSOR
FILTER
SCLko
ect
x
*
0
D4BAS
LAY
Ainyo
MeLKG
D)
H
A
r
}
PROCESSOR:
XLT
any
[BD
BOARD)
i
e
ais
d
.
@,
i
§)
se
oaTa
Bess
.
i
SR
|
hag
é
-
Solder
side
-
i
xTAL@
? 5
aL
0
if
EY
rox
G9
¥
H
s
stop)
G
ov
AS
APPROX
400mVp-p
a
@
PLAY
@
i
EOE
secs
ey.
8
@
!
OO0000-9
ry
FE
10404
TE
ORFO
system
ConTROL
vivounG@9}
OOLO.@)
VC
°
On
PLCK
$
wore
+
1¢301
stot
Sherr
SETH
———
av
Sadar
SPINDLE
272
s274
8423-425.
NoTOR
(oso
oko
FLo4ot
$427.
428
431,
1c102
BRIVE DRIVE
sutton sitton
|
Fuuonescent
|
|
8438-442
ADJ
sPINDLE/SLEq
TNOZGATOA
MOTOR ORIVE
TUBE
eure
Fon
if
OX
ow
sured’
ines
®
®
LoaptNé
‘woroR
sioe
wios
sueD
woTOR
sPINdl®
woton

Related product manuals