EasyManua.ls Logo

Sony LBT-A57CD - 3-4. Schematic Diagram-Main Section-

Sony LBT-A57CD
92 pages
Print Icon
To Next Page IconTo Next Page
To Next Page IconTo Next Page
To Previous Page IconTo Previous Page
To Previous Page IconTo Previous Page
Loading...
TA-A57/D509
3-4,
SCHEMATIC
DIAGRAM—MAIN
SECTION—
eIC
Block
Diagrams
1
2
3
4
5
6
7
8 9
jo.
|)
[12
|
13
14,
|
=
158
||
6
7
18
19
|
20
|
21
|
Ic250
TC4094BP
[Pin
JACK
BOARD)
IGEQ
BOARD]
=>
>
:
ew
[IC
BOARD]
(1/2)
oata
@
orstace
G9)
os
|
1101
a
Ng05
:—-
eux
@
RESISTER
i058
PHONO
ANP
3
7
gel
lay
|
a
one
ae
#3
g
(4)
a
crea
mos
3a
Ctlouad
B
eee
|
!
u
1
met
8
tel
%
ia
awe
(5)
02
|
ee
ps
.
3
——
4
.
srRone
stone
@
A
Fisica
¢
ae:
‘la
J
uae
[uAck
BoaRo}|
Fae
@
g|
3
By
a
23
23
gi
Bee
ourpurs.
sy]
3
creel
Tcrabte
ears
alae
a]
2)
8
V2)
rae
Z|
=
a
ease.
els
Si
Ble:
tes03(12)
'
(1)
06
s%,
8
8
Mszveac-22
1
it
3,
ee
enaace
@
or
Al
are
213
anf
ir
ae
ee
(a
F
“es
owe
L
[ees
tt
Feber
home
es
s|
3
:
8
H
ai
sree
vss
©
GB
voo
3]
g
a.
3
i
(EsoPNeS]
3
bd
=
<2
‘2
3
Ole
<a
4Ez
|0701,751
1
2
|
wuts
eras
aiSe
1
<=
z
ry
3S
csr
a
nezten
2
3
FEE
z
:
omnam
3
Beg
ate
|
ge
y
oe
ma
Ken
el)
R754
Soe
ae
a
1C501,
551
M5289P
:
C765,
3
ie®
&
a
rf
Pree
j
1p
2
ES
§
-
Gress
oemeeane
aan
a
ee
;
=
Ee
USE
6-160
>
=,
>
2
=
=
w&
=
re
4
!
2)
t
nize
378
mets
ol
bl
l_8]
=
rT
&@
*¥*
SB
=
=
SB
GB
=
16d
:
ate
ija
a
7
i,
bar
Ear
tssl
cf
ed
i
ee
:
|B
Sel
|
BE
)|
Pay
Sy
Beg
Ee
O-Y
(3-1)
Pot]
ome
en
é
tLe
4
8
ponte
7
a
8
a
EH
1i*
an
&
2196
°
\
GIT
MODEL
MEDAN
Hale
=
ee
—t
A
$5
0804,
510,554
wal
28,
*
Use
16a
H
5
Erd
which
3s7
Ss
4
:
!
=
i
2
ee
=
:
SwiTcH
3
Te
2p
SOV
PP
I
%
8
a702
=
pROTECTION
M
>
SPR
as
a
eae
|
en
tae
ead
i
|
|
|
latch
vane
a(iite
Lili
ep
iain
eaee
IBD
See
ty
a
EE
Se
ce)
a
se
2
2
2
2
2
ewer
‘poses
1881
21
3
S
2
=
os
7
eres
a
Pi
ee
RR
a
ae
ee
a
‘sens
bra
}
ad
|
NEST
sa]
=
tka
-
FS
i
ner
Jenser
0301-304
'
oe
oe
Hee
Sa
suited
|
Ic502
LC7522K
es
|
¥
|
i
4
“_g
fai
-
|
ea
iecie
&
gee
greegeec
g
gas
e
$
ue
NOsO2
:
:
j
ota
H
=
fap,
:
:
@
@
@
|
lo}
at
[e—]
Bead
OD,
2
1
>
=>
>>
Pr
Bie
|
-]
9ete
?
RESISTOR
a
8
ANAL
>
>
3
is
Fi
A
as
Ses
Re
ae
q
as
an
Th
=
ad
|
f
Kw
is—
i
ee
art
TA~D509)
|
sscheoessce
¢
%
J:
ic301
‘47009
42
TA~
D509
SWITCH
(TA~AS7)
‘7009
560
is-]
R19
TA-D509)|
Me
cua
a
M521
8AP
hasr)
ay
=
i
7
=
:
“>
[TMAIN
BOARD]
q
3
1
1C402
=
ae
~
Tere
«nur
SELECT
fem]
H
A
I
a
|
1C401
°2
A
a
(re)
|
eves
EXCEPT
UK
MODEL
INPUT
SELECT
Le
2s
fee
‘Att
TUNER
JOT
aegis
JA\rr
ssa
Ih
ta
SoREE
a
F
7
ak
ea
Gr
Sipe
ae)
et
yey
|
ges
fugegalé
me
ae
so
—Sboo
E
|
son
otf
ate
7
|
oe
=
:
ct
|
vir
etn
pe
|
a
|
Note:
ees
Rl
mc
et
|,
8
t
a
Ee
[
rol
2
IDENGEN
SW
BOARD]
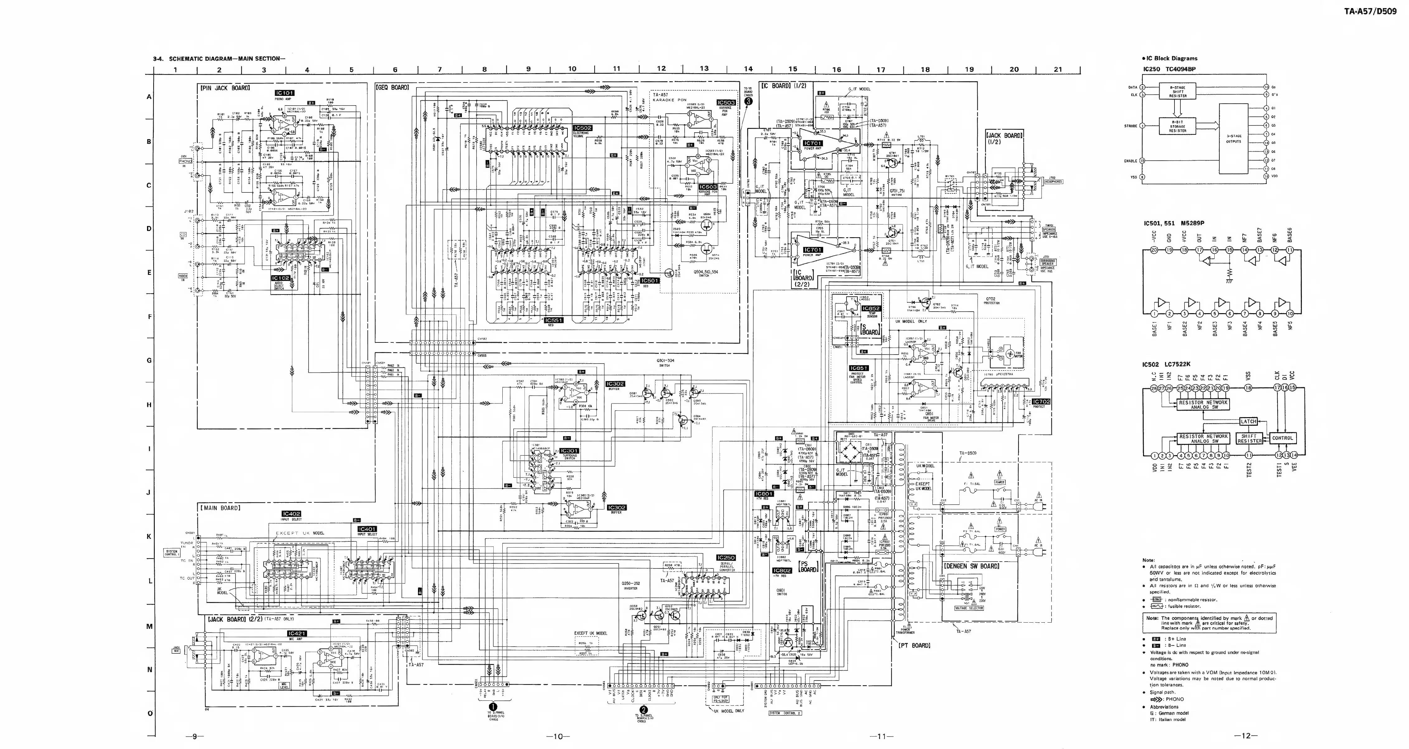
All
capacitors
are
in
uF
unless
otherwise
noted.
pF:
wuF
Le
acest
ae
8)
|
ti
eT
|S?
:
|
L1CS02
|
BO
>
BOWV
or
less
are
not
indicated
except
for
electrolytics
re
our
fort
BEES
|
eee
¥
:
ae
|
=
l
and
tantalums.
oo
Th
[ees
3H
d
|
nese
§
fei
ce
7
ir
1
|
#
All
resistors
are
in
@
and
'/.W
or
less
unless
otherwise
|
MODEL
Les
FT
Te
!
Swiren
|
2401
|
specified,
¢
i
ol
dor
|
©
~
:
nontlammable
resistor.
oo
HeS002
Jo
1
(WoLTnee
seLecToR]
|
©
44:
fusible
resistor.
=
l
|
(TA=AS7
ONLY)
ne
f
H
Note:
The
component:
by
mark
/\
or
dotted
(ACK
BOARD]
(2/2)
ree
A
~
line
with
mark
A\
are
critical
for
safety.
i
ee
im
Replace
only
with
part
number
specified.
am
[1c421
|
t
ge
Re
t
Mic
AN
H
se
iN
.
:
B+
Line
oe
aa
Fe
:
aad
bis
!
‘(pT
BOARD]
©
EER
:
B-Line
we
a8
i
82
85
;
ve
at
H
i
F
©
Voltage
is
de
with
respect
to
ground
under
no-signal
!
33
t
rn
tere
ee
ith
Caer
|
conditions.
ql
,
i
t
eee
\
no
mark:
PHONO
ling
g
y
t
©
Voltages
are
taken
with
a
VOM
(Input
Impedance
10MQ).
gs
&
0424
2200
8
a
3
H
|
RET
Voltage
variations
may
be
noted
due
to
normal
produc-
'
¥
Ei
Ay
2
2(000006
e-——__.
-—-
oo
Ad
DOOo
oe—
-
-
tion
tolerances.
Breeag
s8sg
enone
oe
Bees
4eygy
Si
Bue
gs
sBseSheg
ggsss
yeeey
@
Signal
path.
——~
Boe,
B2
24
9
22>:
PHONO
-
=
o
-
@
Abbreviations
—l
a
—_—__
m
0
0.
bospotva)
(Sesre
contain
2]
:
°
Bo8R0
(1/4)
19
SPANEL,
STEM
CONTROL
2
G
:
German
model
Boor)
i
Bic
cNs0r
IT:
Italian
model

Related product manuals