EasyManua.ls Logo

Sony LBT-A57CD - Page 81

Sony LBT-A57CD
92 pages
Print Icon
To Next Page IconTo Next Page
To Next Page IconTo Next Page
To Previous Page IconTo Previous Page
To Previous Page IconTo Previous Page
Loading...
=
1
TNTERWA
730
am
2
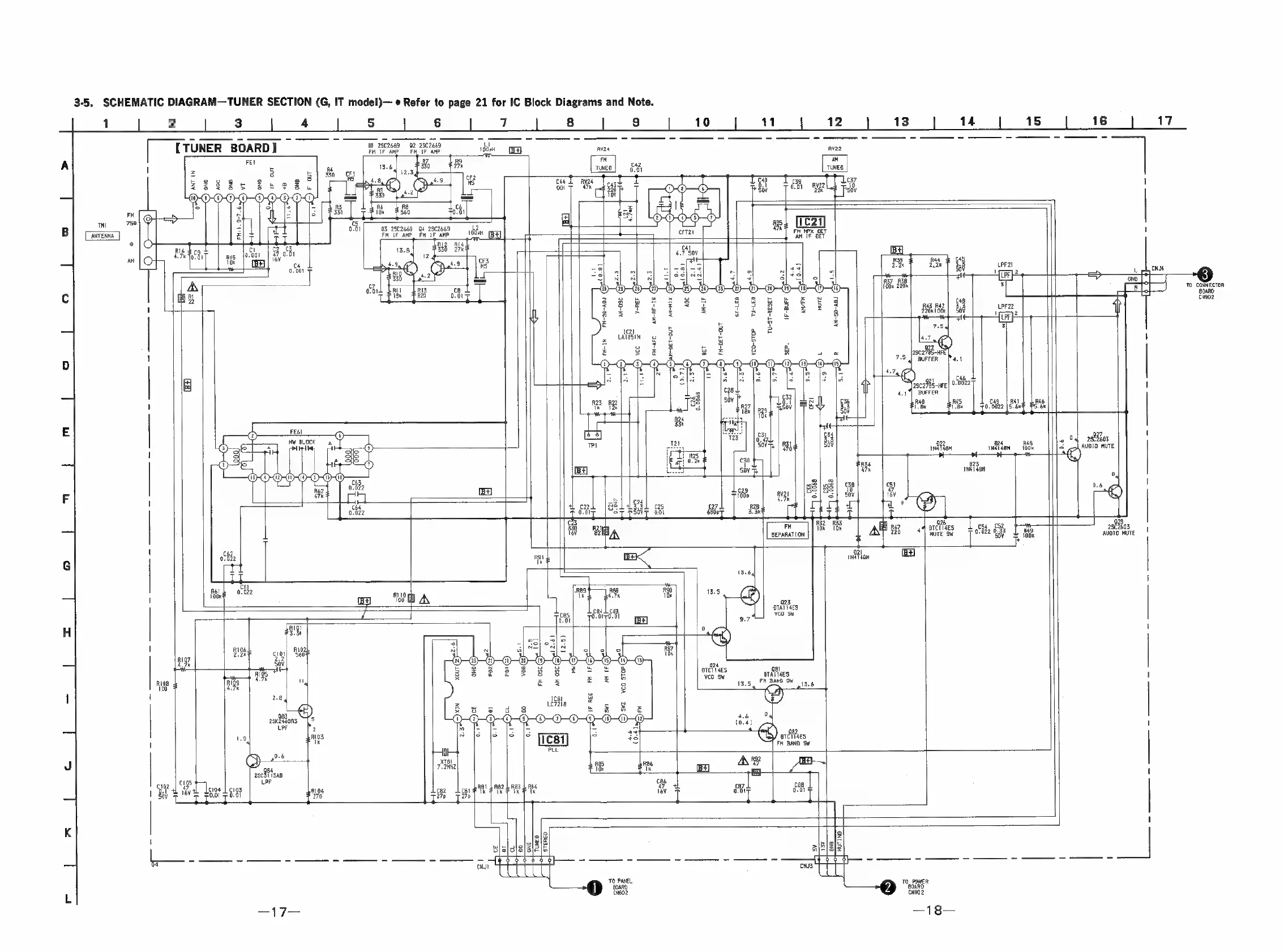
3-5.
SCHEMATIC
DIAGRAM—TUNER
SECTION
(G,
IT
model)—
¢
Refer
to
page
21
for
IC
Block
Diagrams
and
Note.
Aros
100
©
[TUNER
BOARD]
_ &
a1
2502649
a2
2502669
Ta
ic
=
Sas ——-
ei
de
rime
Fy
a
des
OE
cat
Aipa
1
gory
WA
+
|
5
7502669
04
2507669
A?
|
Feipawe
em
ip
ane
10004
(BR)
1
nae
OS
<7
83
7
LPF
>
a7
Aas
OO
OOO
fi
2th
z
eocmmtecOn
and
pata
ars
@ah
&
EB
og
cnaoa
ae
a
op
es,
Boe
ae
Lpr22
Bee
=
Ba
veane)
fete
8
atv
ie
=
e.=
a
7
LPF
$3
|
a
ae
&
Fi
|
ka
5
|
|
:
|
4
é
ei
|
z
8
|
asco7ee-iFe
&
®
5
J"
aurFER
4.1
He
9
[2sc2785-HFE|
9-002
it
aif
BORER
|
40
ms
4g
|
naib
Leas
vy
Burm
=
fos
!
4
12
24
Rai
jj2
aaa
ae
wnttton
inition
Tithe
3
hwio
wre
Eg
sera:
G3
B23,
[53]
inet
on
1
cba
aL
ca
jae
ob
pee
o
ws
oF
8
“7
ardties
Lege,
253
2sbbos
|
i
lA
SEPARATION
a
wre
bbe
ce
Te
agora
mre!
|
rat
||
|
|
Re
||
|
|
i
Red
tbh
mst
—]
|
frog
9072
WH
AN
Li
"te
_
aratiies
x
=a
cas
|
EH)
eo
SW
ny
:
°
1
ES
gay)
tha
Eg
oO
a
|
.
&
orthies
28),
R195.
=
BTAT
AES:
I
bw
—}
995
=
i
veo
ae
8
3.5.
FH
BAND
W135
2.8
g
asedibors
LPF
\
982
Le.
ardities
FH
BAND
SW
QO
|
984
‘280311
3AB
:
UE
os
Ea
—17—
ony
sfalela|glela
sv
130
0
PANEL,
20880
eno
—o
ws

Related product manuals