EasyManua.ls Logo

Sony LDI-D100B - Page 57

Sony LDI-D100B
133 pages
Print Icon
To Next Page IconTo Next Page
To Next Page IconTo Next Page
To Previous Page IconTo Previous Page
To Previous Page IconTo Previous Page
Loading...
5-8
1 2 3 4 5
6 7 8
9
10 11 12 13
14 15 16 17 18 19 20 21 22 23 24
25
26
27
28
29
30
31
32
33
34
35
36
37
38
39
40
414243444546474849505152535455565758596062 616364
65
66
67
68
69
70
71
72
73
74
75
76
77
78
79
80
HDN
VSS
CKI2
HSYNC
VSYNC
PEO
PWM
FPD
RPD
CKO1
CKI1
VSS
TC
SCTR
SCLK
SDAT
VSS
TST1
TST2
TST3
TST4
TST5
VSS
VDD
TST7
VSS
VST
VCK
ENB
CLR
BLK
HCK2
HCK1
HST
MODE1
MODE2
VSS
MODE3
XRGT
RGT
VDD
SH8
SH7
SH6
SH5
SH4
VSS
SH3
SH2
SH1
VSS
SHD4
SHD3
SHD2
SHD1
VDD
VSS
XFRP
FRP
PRG
XCLP2
XCLP1
TST6
CKLIM
PCG
TST8
DWN
RSTR
RCK
RSTW
WCK
VSS
VDD
XCLR
PRE
TST9
TST10
FLDI
FLDO
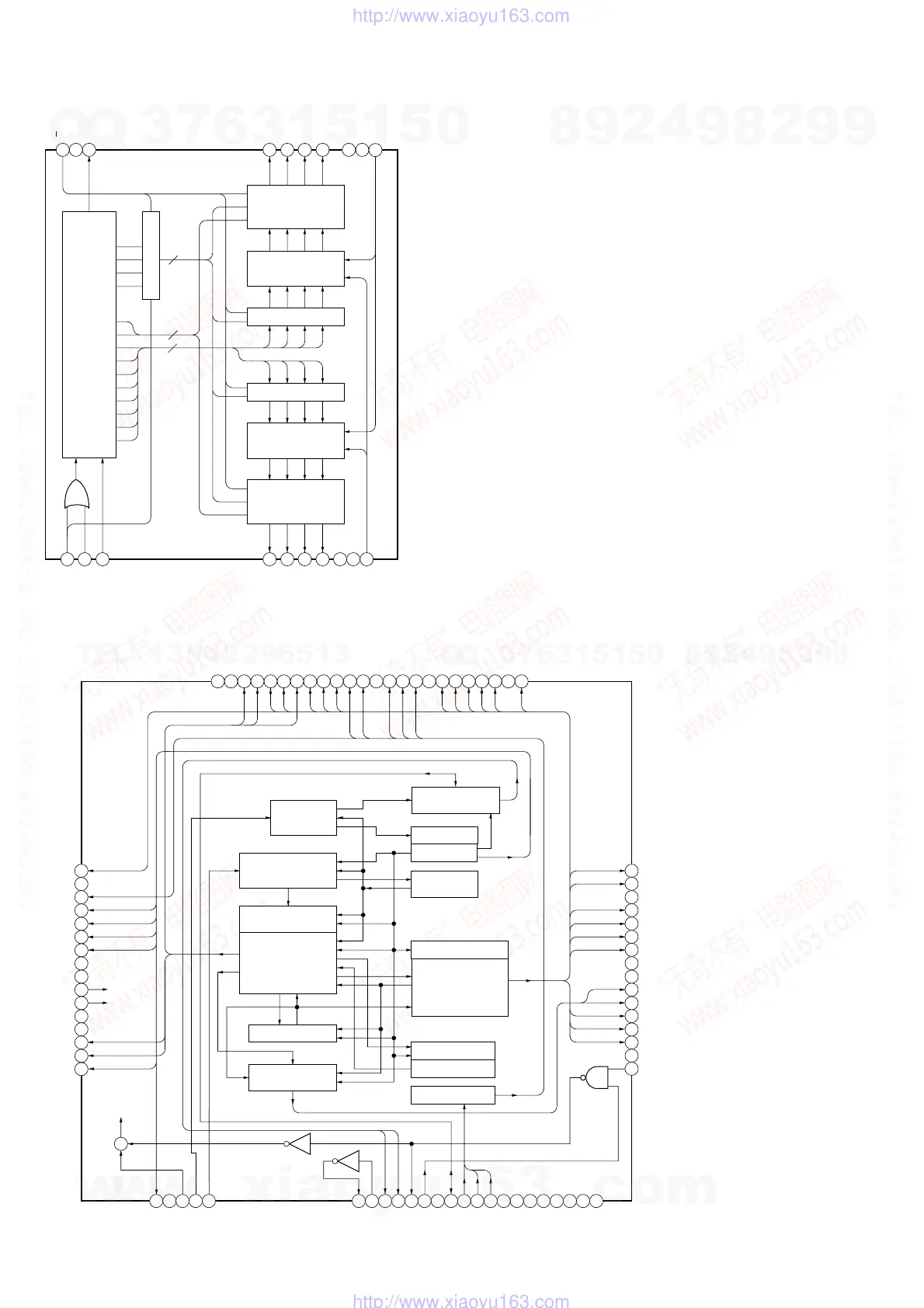
HD
H-SYNC
DETECTOR
PLL PHASE
COMPARATOR
V-SYNC SEPARATOR
V-RESET PULSE
GENERATOR
V-POSITION COUNTER
DECODER &
V-TIMING PULSE
GENERATOR
PULSE ELIMINATOR
FIELD &
LINE CONTROLLER
PLL COUNTER
DECODER
V-CONTROL
COUNTER
SERIAL INTERFACE
H-POSITION COUNTER
DECODER &
H -TIMING PULSE
GENERATOR
AUX-VD COUNTER
DECODER
DIRECT
CLEAR
MASTER
CLOCK
+
A04
A03
A02
1 2 3 4
151617
DO
LD
DI
CLK
A05
5 6 7 8
A06
A08
A07
NC
9 10
GND
VREFL
18
NC
VCC
VREFU
11
1213
A01
14
VDD
1920
GAIN
DETERMINE LATCH &
OUTPUT BUFFER
GAIN
DETERMINE LATCH &
OUTPUT BUFFER
8 BIT UPPER
SEGMENT R-2R
8 BIT UPPER
SEGMENT R-2R
8 BIT LATCH
ADDRESS DECODER
8 BIT LATCH
2
14 BIT SHIFT REGISTER
D13 (MSB)
D12
D11
D10
D9
D8
D7
D6
D5
D4
D3
D2
D1
D0 (LSB)
8
4
R
IC301 TGA-D2442HA
IC207 M62359FP-650D
w
w
w
.
x
i
a
o
y
u
1
6
3
.
c
o
m
Q
Q
3
7
6
3
1
5
1
5
0
9
9
2
8
9
4
2
9
8
T
E
L
1
3
9
4
2
2
9
6
5
1
3
9
9
2
8
9
4
2
9
8
0
5
1
5
1
3
6
7
3
Q
Q
TEL 13942296513 QQ 376315150 892498299
TEL 13942296513 QQ 376315150 892498299
http://www.xiaoyu163.com
http://www.xiaoyu163.com

Related product manuals