EasyManua.ls Logo

Sony LDI-D100B - Schematic Diagram - MA-324 (H) Board (7;7) -

Sony LDI-D100B
133 pages
Print Icon
To Next Page IconTo Next Page
To Next Page IconTo Next Page
To Previous Page IconTo Previous Page
To Previous Page IconTo Previous Page
Loading...
LDI-D100B
4-51
4-52
4-53
4-54
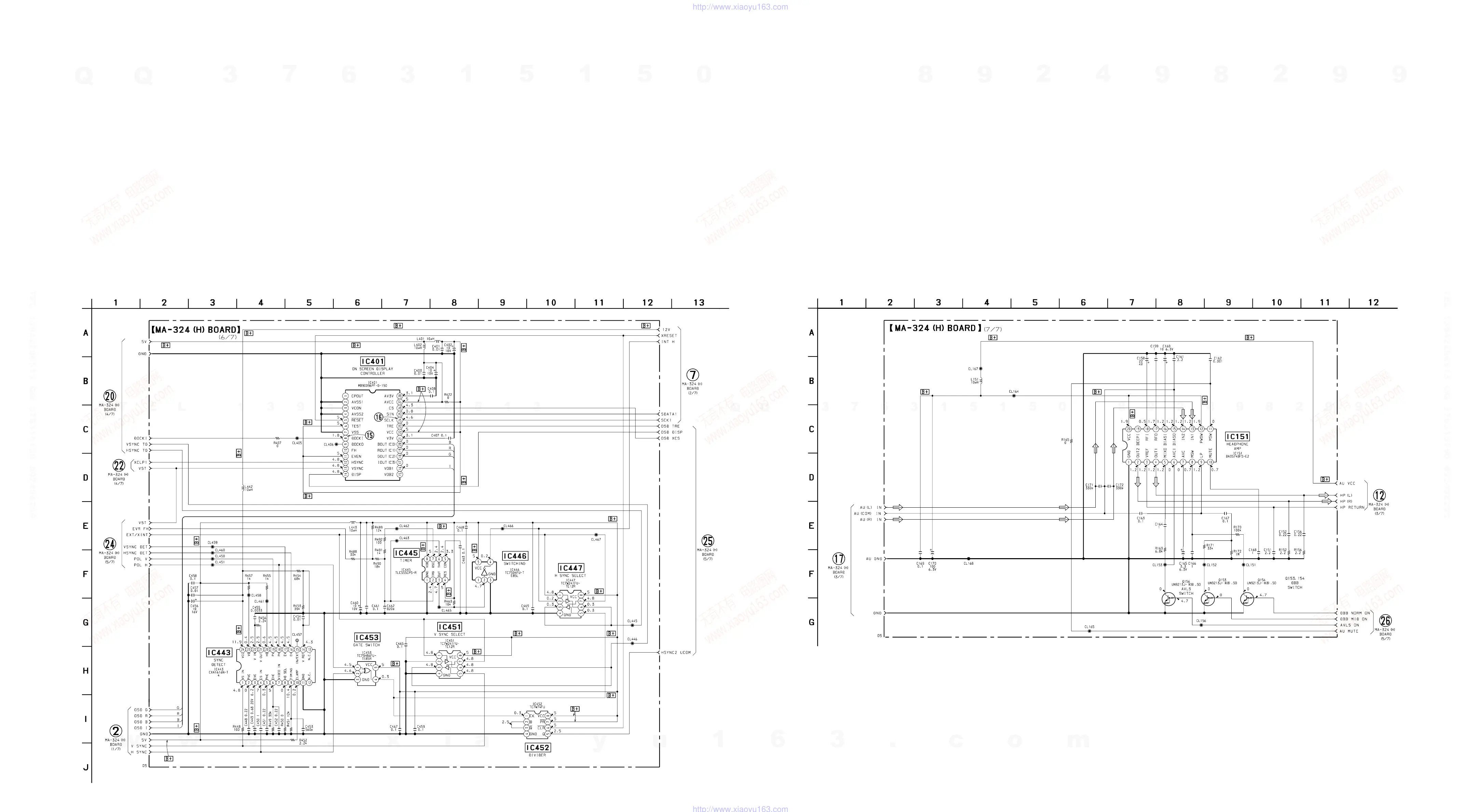
4-19. SCHEMATIC DIAGRAM – MA-324 (H) Board (6/7) – See page 4-74 for Waveforms. 4-20. SCHEMATIC DIAGRAM – MA-324 (H) Board (7/7) –
LDI-D100B
(Page
4-44)
(Page 4-46)
(Page 4-50)
(Page 4-35)
(Page 4-37)
(Page 4-50)
(Page 4-41)
(Page 4-50)
(Page 4-41)
w
w
w
.
x
i
a
o
y
u
1
6
3
.
c
o
m
Q
Q
3
7
6
3
1
5
1
5
0
9
9
2
8
9
4
2
9
8
T
E
L
1
3
9
4
2
2
9
6
5
1
3
9
9
2
8
9
4
2
9
8
0
5
1
5
1
3
6
7
3
Q
Q
TEL 13942296513 QQ 376315150 892498299
TEL 13942296513 QQ 376315150 892498299
http://www.xiaoyu163.com
http://www.xiaoyu163.com

Related product manuals