EasyManua.ls Logo

Sony LDI-D100B - A;D, D;A, OSD, SYNC Section -

Sony LDI-D100B
133 pages
Print Icon
To Next Page IconTo Next Page
To Next Page IconTo Next Page
To Previous Page IconTo Previous Page
To Previous Page IconTo Previous Page
Loading...
LDI-D100B
VIDEO
BUFFER
Q936
LEVEL SHIFT
IC1108 (2/2)
LEVEL SHIFT
IC1108 (1/2)
GATE SWITCH
IC453
DIVIDER
IC452
CLAMP
Q933, 951
CLAMP
Q948
VIDEO AMP
Q939, 942
OSD MIX AMP
Q945
VIDEO AMP
Q1251, 1252
VIDEO AMP
Q1261, 1262
VIDEO AMP
Q1271, 1272
IC1101 – 1103
VIDEO RGB A/D CONVERTER
IC1104 – 1106
LINE MEMORY
D
(Page 4-3)
R, G, B
R
G
B
J101
RGB
SIGNAL PATH
: VIDEO
K
(Page 4-7)
L
(Page 4-10)
O
(Page 4-7)
F
(Page 4-3)
BF
I
(Page 4-8)
H SYNC SELECT
IC133
05
SYNC DETECT
IC443
IC446
RSTW, RSTR
RSTW
RSTR
J
(Page 4-10)
EVR FH
G
(Page 4-3)
VIDEO H SYNC,
VIDEO V SYNC
H
(Page 4-8)
WCK,
RCK
WCK
RCK
DISP
R MIX OUT
R/G/B
MIX OUT
OSD R
OSD R
IC937
IC931 – 933, 935 – 937
OSD MIX SWITCH
V-R
PC-R
V-G
PC-G
V-B
PC-B
RO
GO
BO
HSYNC TG
HSYNC TG,
VSYNC TG
M
(Page 4-10)
SDATA, SCLK
VSYNC TG
PH
PV
EH
EV
CS IN
VS IN
R
G
B
2
3
1
IC1101 IC1104
IC1102 IC1105
VIN
VOB1
CONT
PW
CLK
D0 – D7
DOUT0 – DOUT7
DIN0 – DIN7
25
24
1458
16 5
2 1
4
IC933
2
1
4
16
7
R-OUT
21
G-OUT
19
B-OUT
15
1
3
5
9
11
37
39
41
19
16
17
4
POL H
80
HSYNC2
RESET RESET
RESET
31
POL V
81
HSYNC DET
78
VSYNC DET
79
EXT/XINT
59
PC/XV CONT
19
PC/XVIDEO CONT
V MUTE
OSD DISP
CS
26
43
XCS OSD
TRE
23
ROUT (C1)
19
BOUT (C0)
20
GOUT (C2)
SCLK
SIN
HSYNC
DOCKI
SCLK
SDATA
18
47
OSD TRE
99
89
18
TIMER
IC445
OUT
TRIG
2 3
1
5
7
3
15
WCK
17
RCK
8
RSTW/
19
RSTR/
612
21
N
(Page 4-8)
DOCKI, XCLP1, VST
8
12
XCLP1
DOCKI
VSYNC
13
VST
1 – 8
24 – 21, 17 – 13
VIDEO RGB
D/A CONVERTER
IC1201
PC/VIDEO RGB SELECTOR
IC131
R0 – R7G0 – G7
B0 – B7
1 – 4, 9 – 12
RSTW
RSTR
RSTW
RSTR
DOUT0 – DOUT7
DIN0 – DIN7
WCK
17
RCK
8
RSTW/
19
RSTR/
6
24 – 21, 17 – 13
1 – 4, 9 – 12
IC1106IC1103
DOUT0 – DOUT7
DIN0 – DIN7
WCK
17
RCK
8
RCK
27
GCK
28
BCK
29
RSTW/
19
RSTR/
6
24 – 21, 17 – 13
1 – 4, 9 – 12
VIN
PW
CLK
D0 – D7
15 12
21
1 – 8
VIN
PW
CLK
D0 – D7
15 12
21
1 – 8
17 – 24 9 – 16 1 – 8
H SYNC
V SYNC
13
14
2
1
6
5
7
3
2
1
6
V SYNC SELECT
IC132
H SYNC SELECT
IC447
ON SCREEN DISPLAY
CONTROLLER
IC401
SYSTEM CONTROLLER
IC501 (2/5)
5
7
3
2
1
6
V SYNC SELECT
IC451
5
7
3
2
1
6
VIDEO
BUFFER
Q935
CLAMP
Q932, 950
CLAMP
Q947
VIDEO AMP
Q938, 941
OSD MIX AMP
Q944
G MIX OUT
OSD G
OSD G
IC936
2 1
4
IC932
2
1
4
VIDEO
BUFFER
Q934
CLAMP
Q931, 949
CLAMP
Q946
VIDEO AMP
Q937, 940
OSD MIX
SWITCH CONTROL
IC934
OSD MIX AMP
Q943
B MIX OUT
OSD B
OSD B
IC935
2 1
4
IC931
2
1
4
4-5
4-6
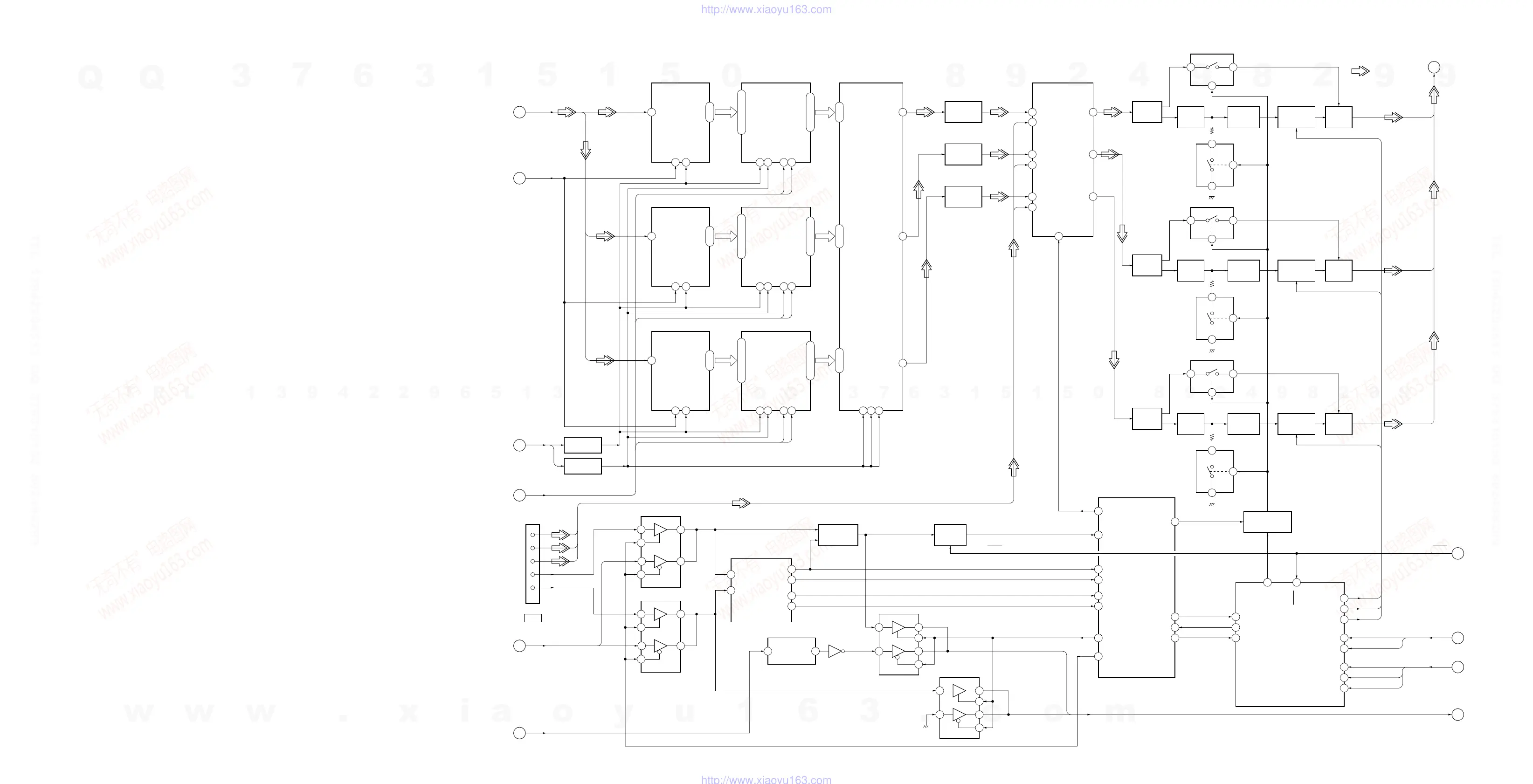
4-2. BLOCK DIAGRAM – A/D, D/A, OSD, SYNC Section –
w
w
w
.
x
i
a
o
y
u
1
6
3
.
c
o
m
Q
Q
3
7
6
3
1
5
1
5
0
9
9
2
8
9
4
2
9
8
T
E
L
1
3
9
4
2
2
9
6
5
1
3
9
9
2
8
9
4
2
9
8
0
5
1
5
1
3
6
7
3
Q
Q
TEL 13942296513 QQ 376315150 892498299
TEL 13942296513 QQ 376315150 892498299
http://www.xiaoyu163.com
http://www.xiaoyu163.com

Related product manuals