EasyManua.ls Logo

Sony RMT-D152A - Page 63

Sony RMT-D152A
133 pages
Print Icon
To Next Page IconTo Next Page
To Next Page IconTo Next Page
To Previous Page IconTo Previous Page
To Previous Page IconTo Previous Page
Loading...
DVP-NS325/NS330/NS333/NS430/NS433/NS530/NS725P/NS730P
1
A
B
C
D
E
F
G
H
I
J
2
12
13
11
10
98765
43
14
15
4-9 4-10
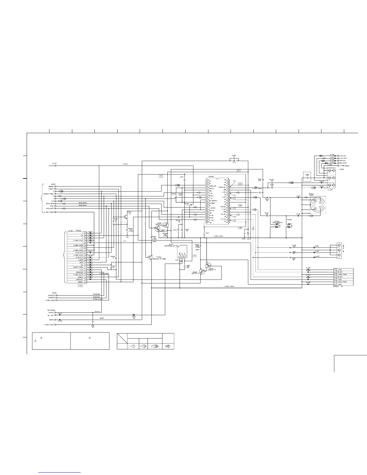
For Schematic Diagram
Refer to page 4-7 for printed wiring board of AF-98 board.
Refer to page 4-5 for waveform
Refer to page 4-17 for Differential Part List
The components identified by
mark or dotted line with mark
are critical for safety.
Replace only with part
number specified.
Les composants identifiés par
une marque sont critiques
pour la sécurité. Ne les
remplacer que par une pièce
portant le numéro spécifié.
AF-98 BOARD (1/4)
AUDIO OUT
-REF.NO.:1000 SERIES-
XX MARK:NO MOUNT
NO MARK:PB MODE
MARKED:MOUNT TABLE
0.1
-5.0
0.03
0.01
0
0.2
5.0
0.03
-5.0
-5.0
0.2
0.01
0.04
0
0.2
5.0
0
0
0
0
0.4
0.6
0
0.6
3.5
0.4
1.2
0
0.1
0.4
1.2
0
0.6
3.5
0.6
-5.0
-13.1
0
-5.0
-5.0
0.1
3.4
0.03
5.0
5.0
0.03
0.3
0
0
0.06
5.0
0.1
3.4
0.1
0.1
1
2
5
6
3
4
1 TO (2/2)
TO MB108 BOARD ( )
CN
1000V
100p
120
u
200V
18mH
47u
35V
MTZJ7.5
MA4075
0.0022
u
50V
0.0001
u
50V
2200p
250v
0.022u
50V
0.1u
250V
SIGNAL PATH
VIDEO SIGNAL
CHROMA
PB
Y Y/CHROMA
AUDIO
SIGNAL
AUDIO OUT
AF-98 (1/4)

Table of Contents

Related product manuals