EasyManua.ls Logo

Sony RMT-D152A - Page 87

Sony RMT-D152A
133 pages
Print Icon
To Next Page IconTo Next Page
To Next Page IconTo Next Page
To Previous Page IconTo Previous Page
To Previous Page IconTo Previous Page
Loading...
DVP-NS325/NS330/NS333/NS430/NS433/NS530/NS725P/NS730P
1
A
B
C
D
E
F
G
H
I
J
2
12
13
11
10
98765
43
14
15
4-57 4-58
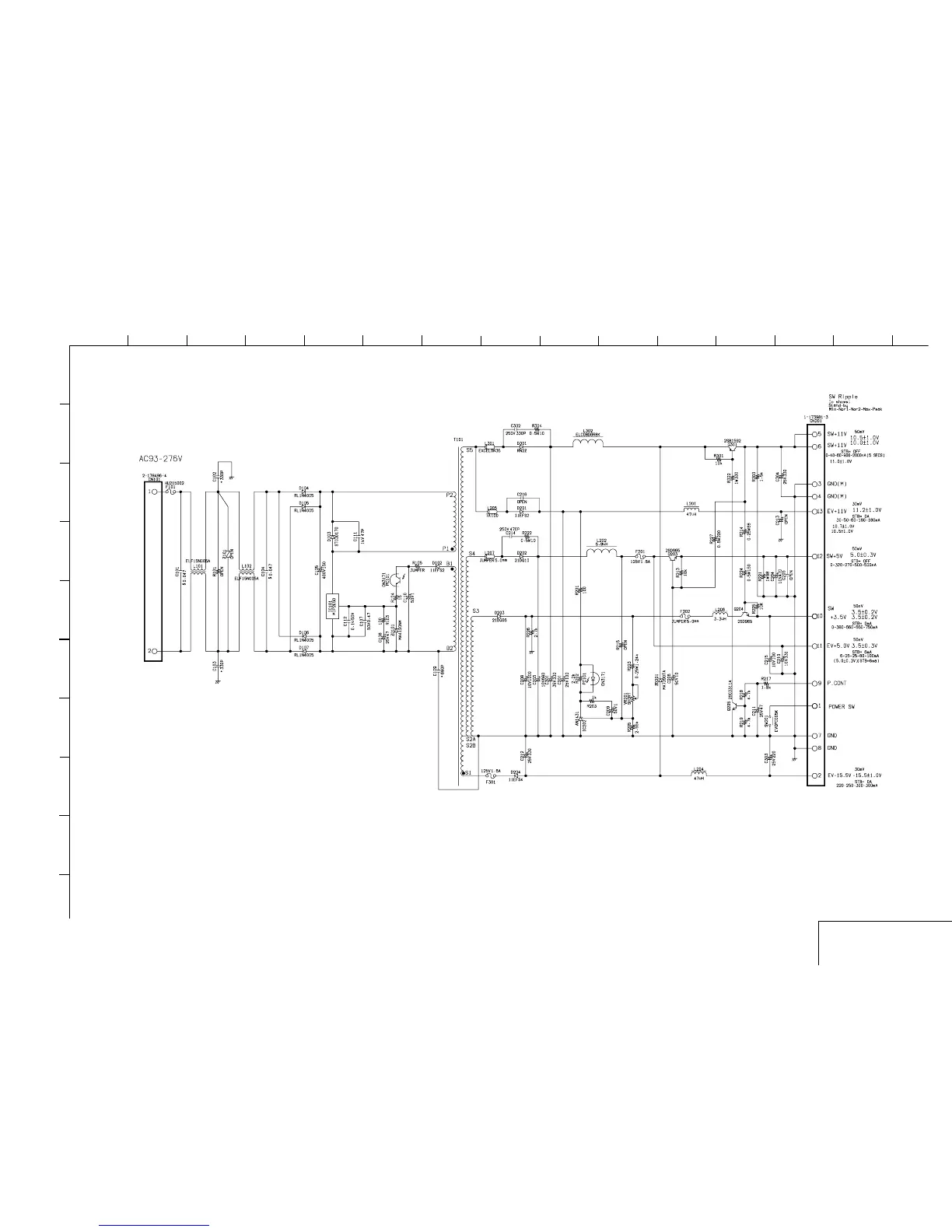
For Schematic Diagram
Refer to page 4-57 for printed wiring board of ETXNY410M0F board.
ETXNY410M0F BOARD
SW REG
-REF.NO.:5000 SERIES-
XX MARK:NO MOUNT
NO MARK:PB MODE
SW REG
POWER BLOCK (ETXNY410M0F)

Table of Contents

Related product manuals