EasyManua.ls Logo

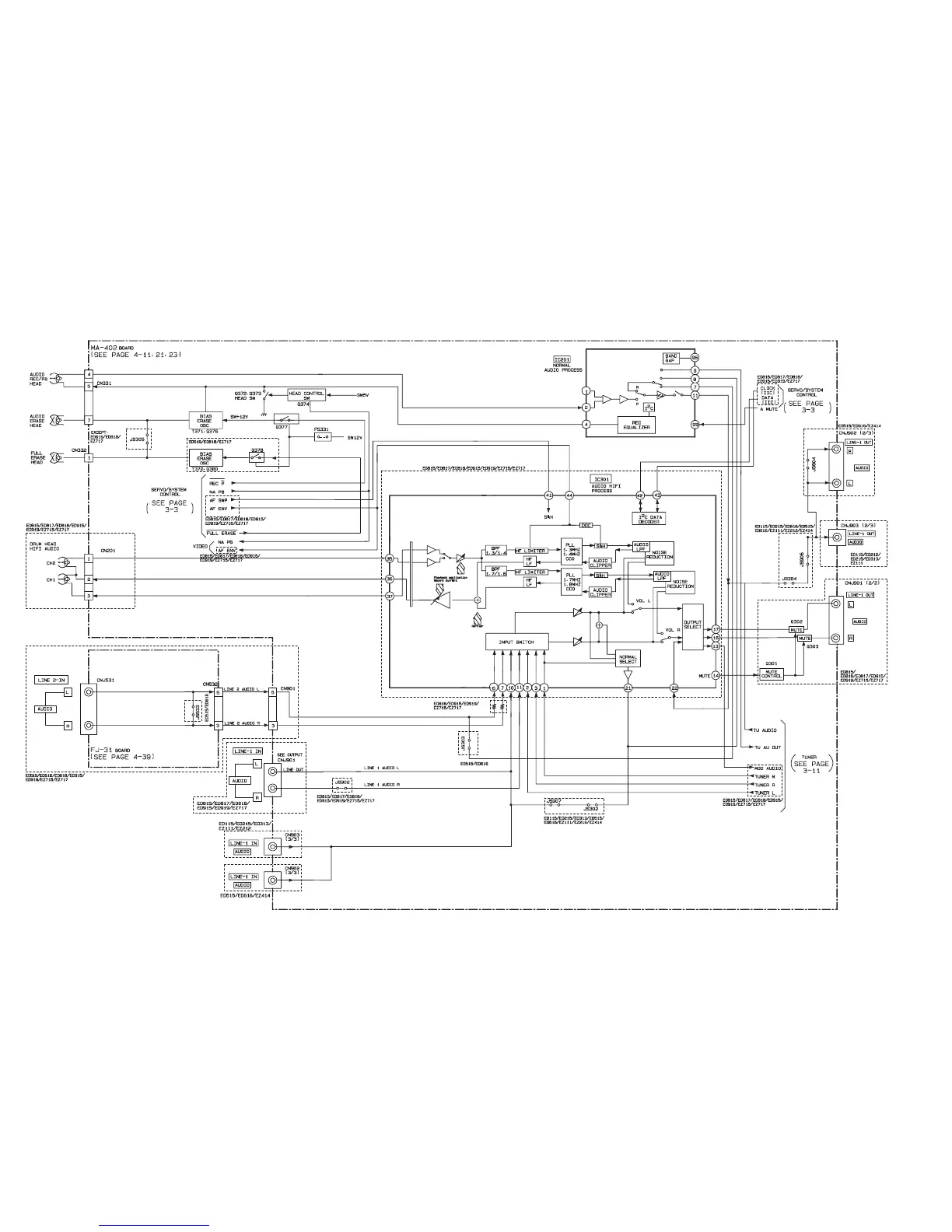
Sony SLV-ED313 - Audio Block Diagram

Sony SLV-ED313
82 pages
Print Icon
To Next Page IconTo Next Page
To Next Page IconTo Next Page
To Previous Page IconTo Previous Page
To Previous Page IconTo Previous Page
Loading...
SLV-ED115/ED215/ED313/ED515/ED616/ED815/ED817/ED818/ED915/ED919/EZ111/EZ212/EZ414/EZ715/EZ717
3-4. AUDIO BLOCK DIAGRAM
3-7 3-8

Table of Contents

Related product manuals