EasyManua.ls Logo

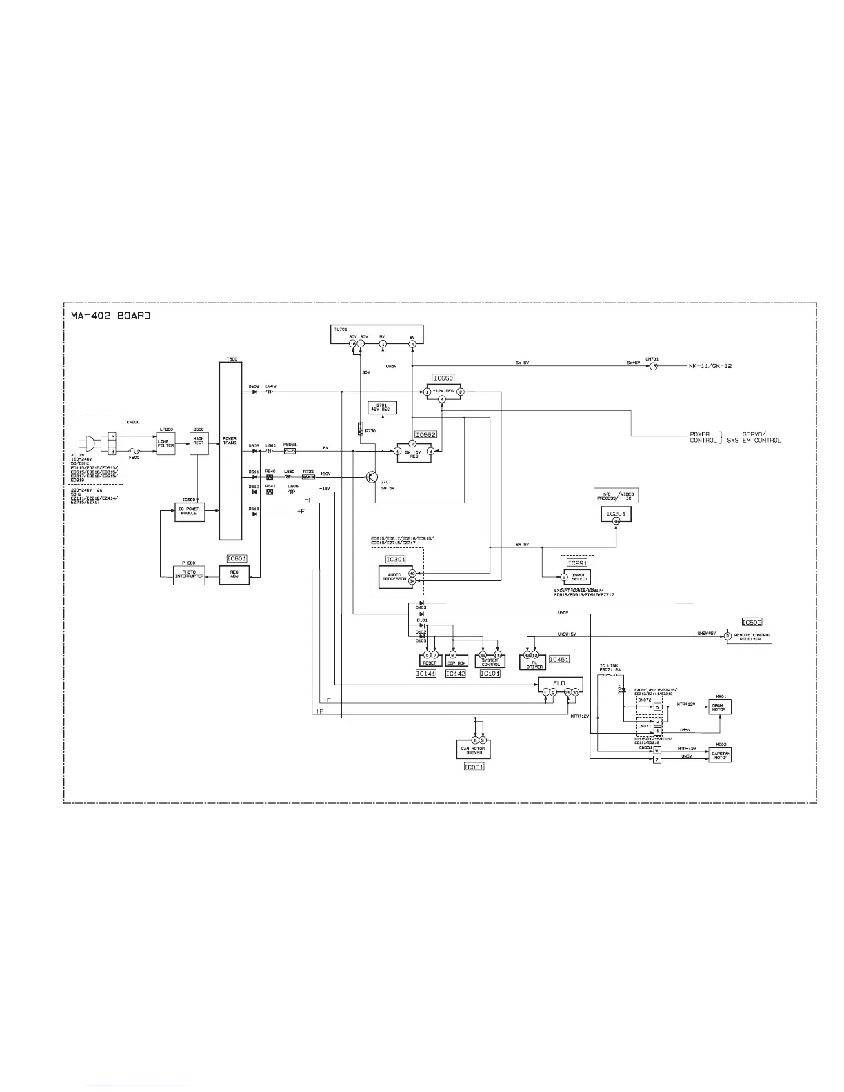
Sony SLV-ED313 - Power Block Diagram

Sony SLV-ED313
82 pages
Print Icon
To Next Page IconTo Next Page
To Next Page IconTo Next Page
To Previous Page IconTo Previous Page
To Previous Page IconTo Previous Page
Loading...
SLV-ED115/ED215/ED313/ED515/ED616/ED815/ED817/ED818/ED915/ED919/EZ111/EZ212/EZ414/EZ715/EZ717
3-7. POWER BLOCK DIAGRAM
3-13 3-14E

Table of Contents

Related product manuals