EasyManua.ls Logo

Sony STR-DA3700ES - Connecting Speakers

Sony STR-DA3700ES
146 pages
Print Icon
To Next Page IconTo Next Page
To Next Page IconTo Next Page
To Previous Page IconTo Previous Page
To Previous Page IconTo Previous Page
Loading...
24
US
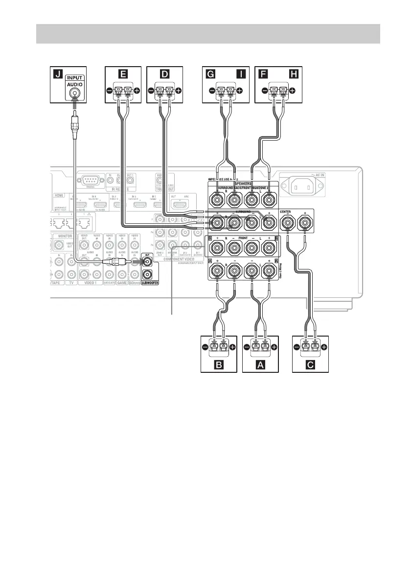
Before connecting cords, make sure to disconnect the AC power cord (mains lead).
A Monaural audio cord (not supplied)
B Speaker cords (not supplied)
AFront speaker A (L)
BFront speaker A (R)
CCenter speaker
DSurround speaker (L)
ESurround speaker (R)
FSurround back speaker (L)
2) 4)
GSurround back speaker (R)
2) 4)
HFront high speaker (L)
3) 4)
IFront high speaker (R)
3) 4)
JSubwoofer
5)
1)
If you have an additional front speaker
system, connect them to the FRONT B
terminals. You can select the front speaker
system you are using with SPEAKERS on
the front panel (page 10).
2)
If you connect only one surround back
speaker, connect it to the SURROUND
BACK/FRONT HIGH/ZONE 2 L terminals.
3)
If you use front high speakers, connect them
to the SURROUND BACK/FRONT HIGH/
ZONE 2 terminals.
Connecting speakers
AB
FRONT B terminals
1)
B
B
B
or or

Table of Contents

Other manuals for Sony STR-DA3700ES

Related product manuals