EasyManua.ls Logo

Sony STR-DA3700ES - Connecting the monitor

Sony STR-DA3700ES
146 pages
Print Icon
To Next Page IconTo Next Page
To Next Page IconTo Next Page
To Previous Page IconTo Previous Page
To Previous Page IconTo Previous Page
Loading...
26
US
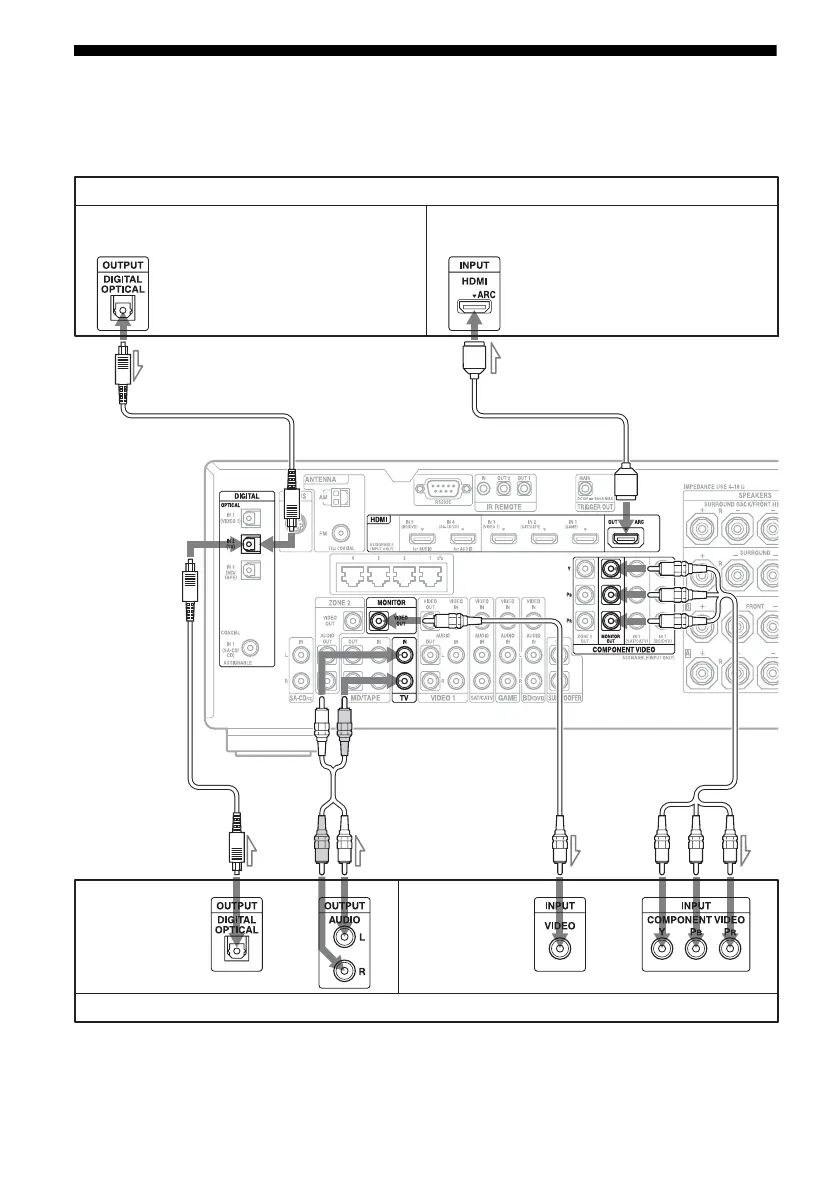
2: Connecting the monitor
You can watch the selected input image when you connect the HDMI OUT or MONITOR OUT
jacks to a TV. You can operate this receiver using a GUI (Graphical User Interface).
It is not necessary to connect all the cords. Connect cords according to the jacks of your equipment.
TV monitor with an HDMI jack
AB
Audio signals
CD
E
Video signals
TV monitor without an HDMI jack
Audio signals Video signals
or or
A
If you connect the receiver to an Audio
Return Channel (ARC)-compatible TV’s
HDMI jack via an HDMI cable, this
connection is not necessary.
If you connect the receiver to an Audio
Return Channel (ARC)-compatible TV,
connect it to an HDMI jack designated by
“ARC” on the TV.

Table of Contents

Other manuals for Sony STR-DA3700ES

Related product manuals