EasyManua.ls Logo

Sony STR-DA3700ES - Page 32

Sony STR-DA3700ES
146 pages
Print Icon
To Next Page IconTo Next Page
To Next Page IconTo Next Page
To Previous Page IconTo Previous Page
To Previous Page IconTo Previous Page
Loading...
32
US
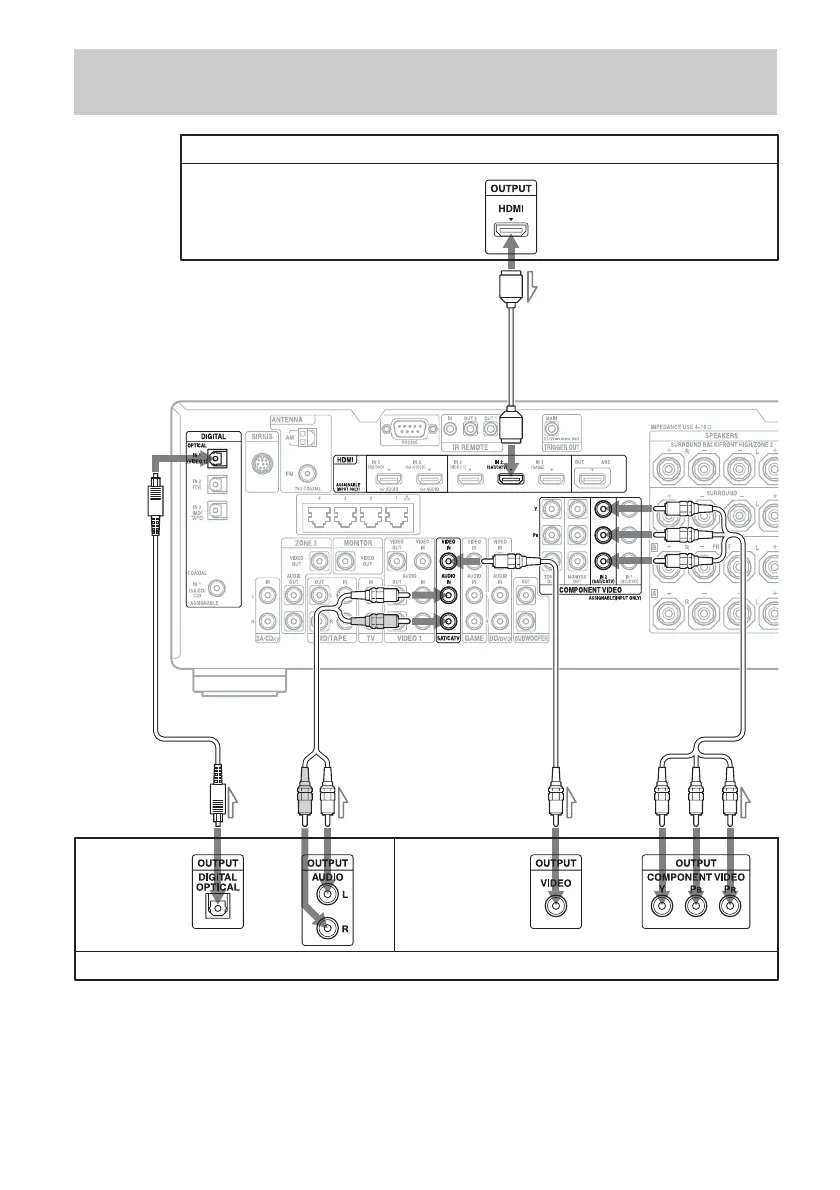
It is not necessary to connect all the cords. Connect cords according to the jacks of your equipment.
* When you connect equipment with an optical digital jack, set “Audio Input Assign” in the Input Settings
menu (page 82).
Connections required for watching programs via satellite
broadcasting or via a cable TV
Satellite tuner, Cable box with an HDMI jack
Video/audio signals
or or
Audio signals Video signals
A
BC D E
Satellite tuner, Cable box without an HDMI jack
*

Table of Contents

Other manuals for Sony STR-DA3700ES

Related product manuals