EasyManua.ls Logo

Sony STR-K980 - Schematic Diagram - MAIN Board (1;3)

Sony STR-K980
Print Icon
To Next Page IconTo Next Page
To Next Page IconTo Next Page
To Previous Page IconTo Previous Page
To Previous Page IconTo Previous Page
Loading...
2626
STR-K980
STR-K980
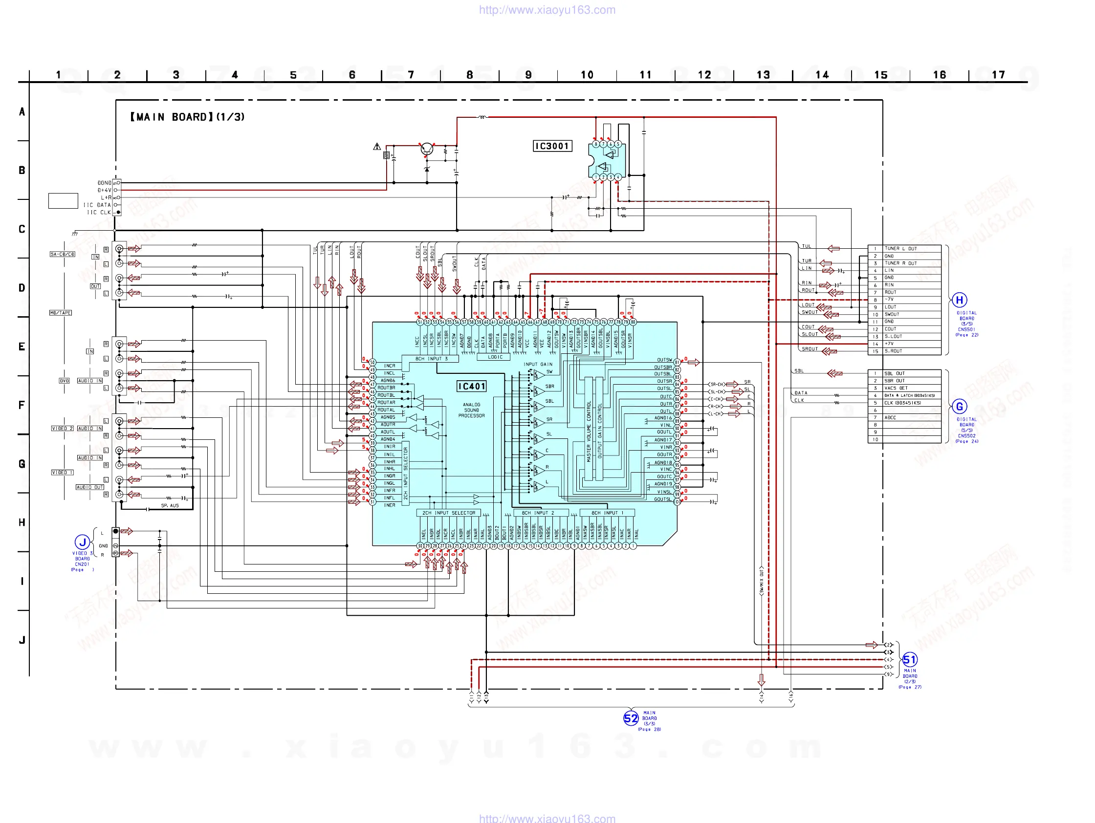
3-11. SCHEMATIC DIAGRAM – MAIN BOARD (1/3) –
35
7
0
0
0
0
-7
7
5.1
4.3
D-LIGHT
SYNC OUT
(CHASSIS)
R407
R457
R406
R456
R408
R458
C408
C458
R405
R455
R404
R454
R402
R452
C493
C485
C495
C
4
8
8
C484
R459
R409
C459
C409
C
4
6
8
C
4
6
9
C463
C453
R
4
7
5
R
4
7
6
IC401
CNP503
WP100
CNP501
C702
R428
R429
CNP500
C464
C481
C492
J402
C403
J403
J404
C762
1k
1k
1k
1k
1k
1k
4.7 50V
4.7 50V
1k
1k
1k
1k
1k
1k
R3008
10
R3007
560
C3007
0.1
C3003
47p
C3013
0.1
C3012
0.1
IC3001
NJM4565D
R3006
10k
R3005
2.2k
R3003
R3001
22k
R3002
22k
22k
L3001
10µH
Q3001
2SC1815GR-TPE2
D3001
MTZJ-T-72-5.1A
REG
C3008
47
25V
C3009
47
25V
C3005
AMP
4.7
50V
10 50V
10
50V
10
50V
0
.1
10
50V
1k
1k
4.7 50V
4.7 50V
1
0
0
p
1
0
0
p
220p
220p
1
0
k
1
0
k
BD3451KS
3P
C444
2200p
SYSTEM GND
CN3001
5P
15P
10 50V
1k
1k
10P
0.1
10
50V
10
50V
0.1
10 50V
w
w
w
.
x
i
a
o
y
u
1
6
3
.
c
o
m
Q
Q
3
7
6
3
1
5
1
5
0
9
9
2
8
9
4
2
9
8
T
E
L
1
3
9
4
2
2
9
6
5
1
3
9
9
2
8
9
4
2
9
8
0
5
1
5
1
3
6
7
3
Q
Q
TEL 13942296513 QQ 376315150 892498299
TEL 13942296513 QQ 376315150 892498299
http://www.xiaoyu163.com
http://www.xiaoyu163.com

Related product manuals