EasyManua.ls Logo

Sony STR-K980 - Schematic Diagram - SPEAKER C;SB Board, STANDBY Board

Sony STR-K980
Print Icon
To Next Page IconTo Next Page
To Next Page IconTo Next Page
To Previous Page IconTo Previous Page
To Previous Page IconTo Previous Page
Loading...
3333
STR-K980
STR-K980
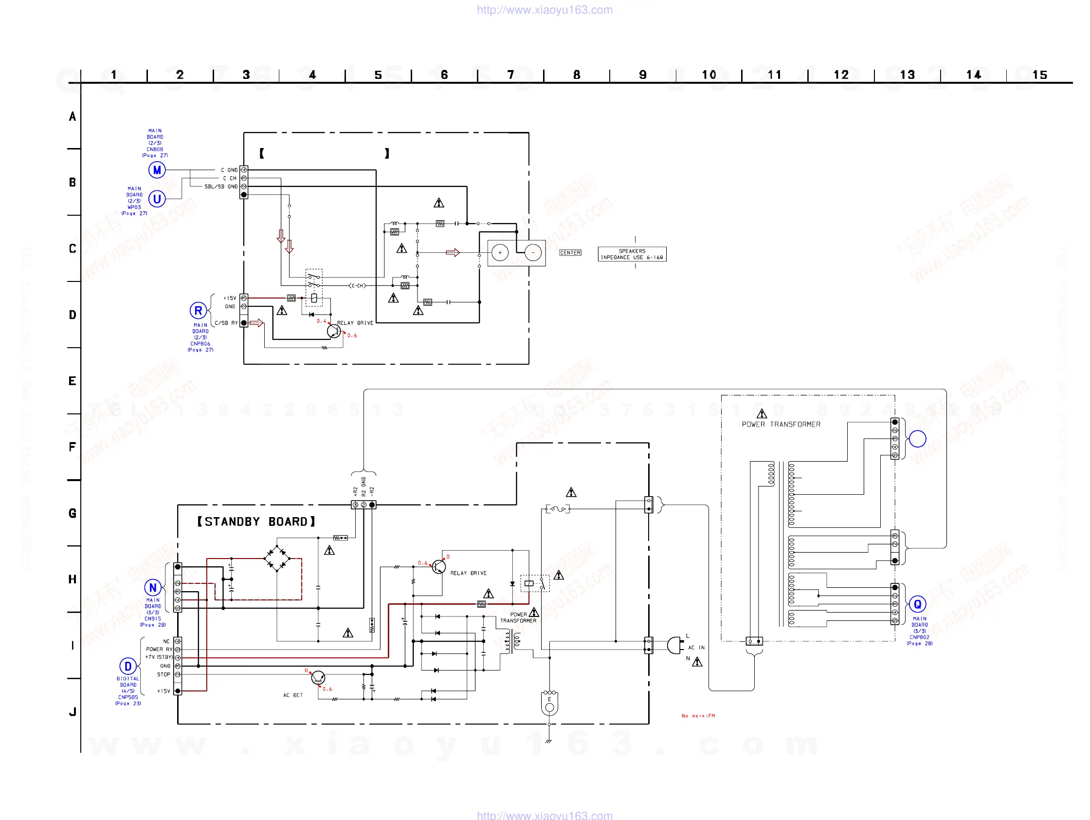
3-18. SCHEMATIC DIAGRAM – SPEAKER C/SB BOARD, STANDBY BOARD –
SPEAKER B
BOARD
CNP807
(Page 35)
V
SPEAKER C/SB BOARD
T4AL/250V
(CHASSIS)
1
2
R531
L571
L751
C915
C916
R903
R902
CNP902
R923
R922
R921
C913
C914
C924
CNP903
JW702
JW703
JW705
JW706
R751
R578
R534
R904
JW700
CNP503
CN502
RY501
CNP801
CNP804
FH951 FH901
G901
T902
R811
R810
C950
C920
RY901
C921
CNP901
RR16
CC16
RR17
CC17
Q550
TM502
D510
D920 D923
D922D921
Q901
D911
D914
D915
D910
D912
D913
D901
F901
Q921
T901
2.2k
2200
25V
1000
25V
2.2k
47k
2P
10k
22k
47k
0.1
0.1
1
50V
6P
4.7
4.7
82
1
4P
3P
12V
5P
3P
0.22
1/2W
0.22
1/2W
3300
16V
0.1
0.1
2P
10
0.01
10
0.01
2SC1740S-QRT
1SS133T-72
10EDB40-TA2B5 10EDB40-TA2B5
10EDB40
-TA2B5
10EDB40
-TA2B5
2SC1740S-QRT
10EDB40-TA2B5
1SS133T-72
1SS133T-72
10EDB40-TA2B5
10EDB40-TA2B5
10EDB40-TA2B5
ISS133T-72
2SC1740S-QRT
w
w
w
.
x
i
a
o
y
u
1
6
3
.
c
o
m
Q
Q
3
7
6
3
1
5
1
5
0
9
9
2
8
9
4
2
9
8
T
E
L
1
3
9
4
2
2
9
6
5
1
3
9
9
2
8
9
4
2
9
8
0
5
1
5
1
3
6
7
3
Q
Q
TEL 13942296513 QQ 376315150 892498299
TEL 13942296513 QQ 376315150 892498299
http://www.xiaoyu163.com
http://www.xiaoyu163.com

Related product manuals