EasyManua.ls Logo

Sony STR-K980 - Printed Wiring Boards - VIDEO Board, HEADPHONE Board

Sony STR-K980
Print Icon
To Next Page IconTo Next Page
To Next Page IconTo Next Page
To Previous Page IconTo Previous Page
To Previous Page IconTo Previous Page
Loading...
3636
STR-K980
STR-K980
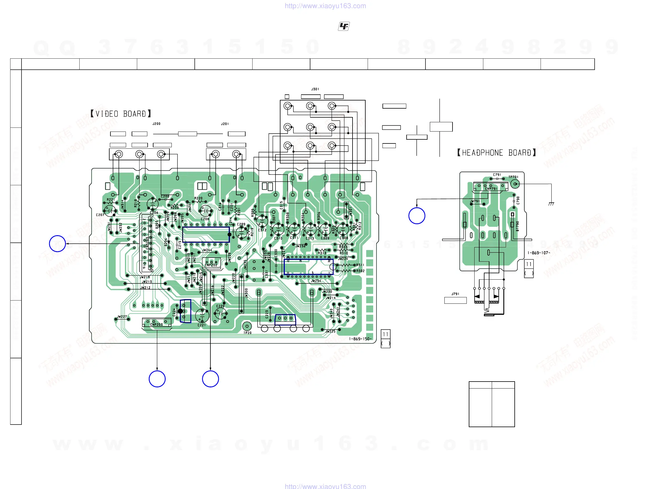
3-21. PRINTED WIRING BOARDS – VIDEO BOARD, HEADPHONE BOARD –
:Uses unleaded solder.
• See page 15 for Circuit Boards Location.
IC203
IC304
IC804
IC807
F
DIGITAL
BOARD
CNS509
(Page 19)
K
MAIN
BOARD
CN505
(Page 25)
W
VIDEO 3
BOARD
CN201
(Page 34)
S
MAIN
BOARD
CN792
(Page 25)
1
1
1
1
3
3
3
3
169
18
VIDEO IN VIDEO IN VIDEO OUT VIDEO OUT
VIDEO 1VIDEO 2 MONITOR
MONITOR OUT
ASSIGNABLE
COMPONENT
VIDEO
DVD
DVD IN
Y P
B
/ C
B
/ B-Y P
R
/ C
R
/ R-Y
VIDEO IN
VIDEO 2 IN
PHONES
12
A
B
C
D
E
F
345678910
14
(CHASSIS)
12
12
Semiconductor
Location
Ref. No.
Location
D203 C-3
D204 D-3
IC203 C-4
IC304 D-5
IC804 E-4
IC807 E-5
w
w
w
.
x
i
a
o
y
u
1
6
3
.
c
o
m
Q
Q
3
7
6
3
1
5
1
5
0
9
9
2
8
9
4
2
9
8
T
E
L
1
3
9
4
2
2
9
6
5
1
3
9
9
2
8
9
4
2
9
8
0
5
1
5
1
3
6
7
3
Q
Q
TEL 13942296513 QQ 376315150 892498299
TEL 13942296513 QQ 376315150 892498299
http://www.xiaoyu163.com
http://www.xiaoyu163.com

Related product manuals