EasyManua.ls Logo

Sony STR-V7770 - Main (1;2) Section (V7770 Model)

Sony STR-V7770
52 pages
Print Icon
To Next Page IconTo Next Page
To Next Page IconTo Next Page
To Previous Page IconTo Previous Page
To Previous Page IconTo Previous Page
Loading...
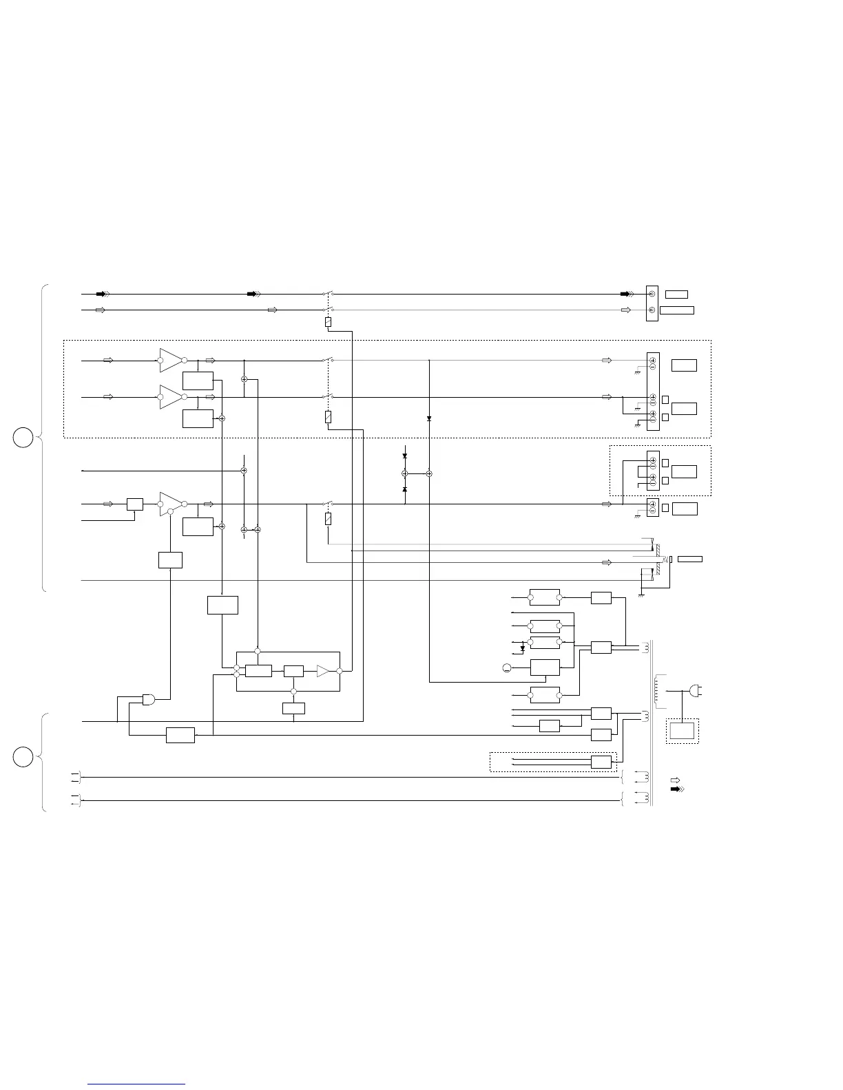
STR-V5550/V7770
– POWER SECTION –
— 13 — — 14 —
• R CH : Same as L ch
• SIGNAL PATH
: FM
: VIDEO (AV INPUT)
R-CH
R-CH
R-CH
R-CH
D751
D761
RY751
RY781
OVER LOAD
DET
Q952
OVER LOAD
SWITCH
Q851
POWER AMP
IC901
PROTECTOR
IC851
L-CH
L+R
S/W
VIDEO
TA MUTE
MUTE
POWER ON/OFF
HK,MY,SP,IA
AC
IN
PHONES
J755
SUPER WOOFER
VIDEO OUT
J781
FRONT
SPEAKER
TB751
M
M901
FAN
ST+10V
UNREG
+12V
+7V
+5.6V
+5V
D813
-7V
+B
-B
VG
R-CH
MOTOR
MUTE
SWITCH
Q901
MUTE
Q181
SWITCH
Q853
D852,853
PROTECTOR
VCC ON
MUTE
ST+10V
REG
IC804
VOLTAGE
SELECTOR
S871
VF1
VF2
AC1
AC2
T901
POWER
TRANSFORMER
MAIN
SECTION
B
16
8
1
4
3 1
6
7
2
20
15
SURR +B
SURR -B
RECT
D810,811
+7V REG
IC801
+5.6V REG
IC803
FAN MOTOR
REG
Q731,732
POWER ON
MUTE
Q852
RECT
D805-808
RECT
D801
RECT
D802, 803
VG REG
Q801
3
1
3
1
3
2
-7V REG
IC802
VF1
VF2
AC1
AC2
L
D746
RY741
OVER LOAD
DET
Q4052
POWER AMP
IC4001(1/2)
REAR
SPEAKER
CENTER
SPEAKER
TB201
TB201
L
OVER LOAD
DET
Q4002
POWER AMP
IC4001(2/2)
1
10
R
+
+
RECT
D809
+
MAIN
SECTION
C
S OUT
C OUT
REAR
SPEAKER
L
R
V7770 MODEL
V7770 MODEL
V5550 MODEL
18
13
• Abbreviation
HK : Hong Kong
SP : Singapore
MY : Malaysia
IA : Indonesia

Related product manuals