EasyManua.ls Logo

Sony STR-V7770 - Schematic Diagram - Power Amp Section

Sony STR-V7770
52 pages
Print Icon
To Next Page IconTo Next Page
To Next Page IconTo Next Page
To Previous Page IconTo Previous Page
To Previous Page IconTo Previous Page
Loading...
STR-V5550/V7770
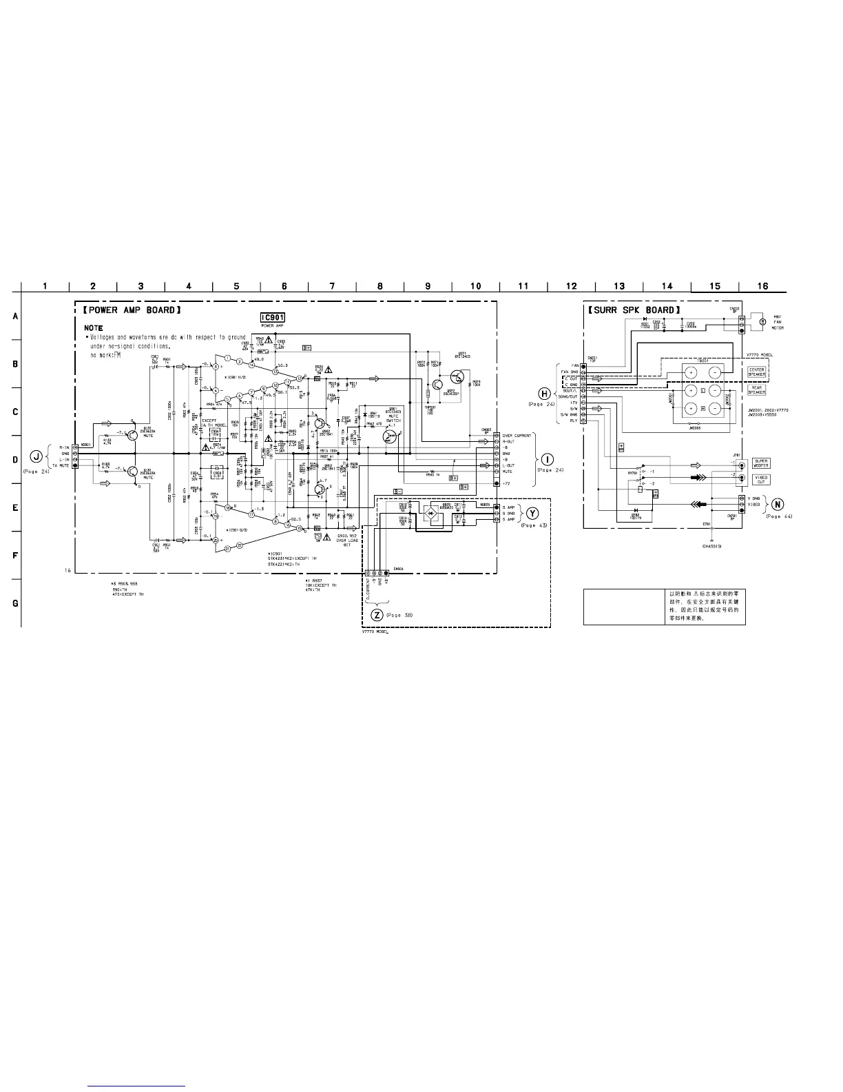
4-7. SCHEMATIC DIAGRAM — POWER AMP SECTION —
— 25 — — 26 —
The components identified by
mark ! or dotted line with mark
! are critical for safety.
Replace only with part number
specified.

Related product manuals