EasyManua.ls Logo

Sony STR-V7770 - Component Identification and Parts; IC Pin Functions and Block Diagrams

Sony STR-V7770
52 pages
Print Icon
To Next Page IconTo Next Page
To Next Page IconTo Next Page
To Previous Page IconTo Previous Page
To Previous Page IconTo Previous Page
Loading...
— 46 —
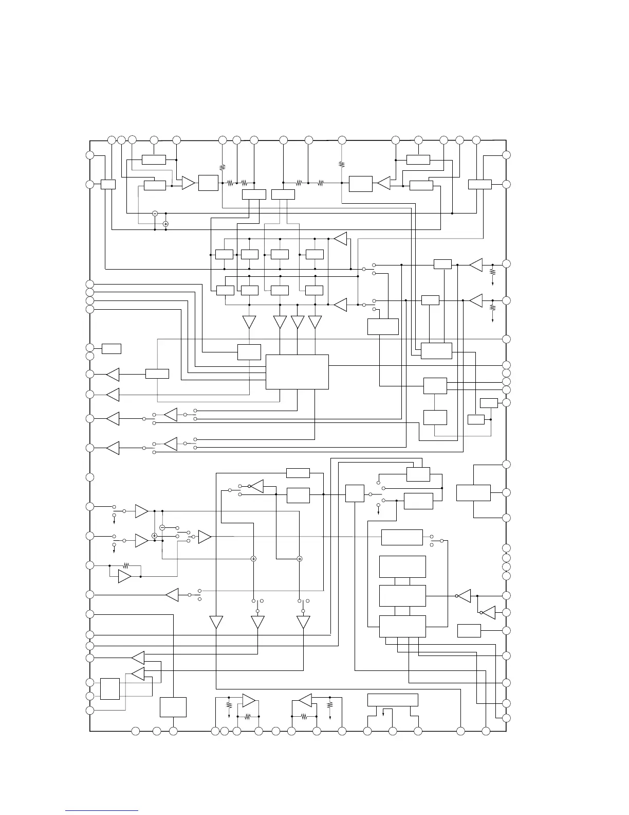
• MAIN BOARD
IC300 LV1041M
4-19. IC BLOCK DIAGRAMS
12
20
1
2
3
4
5
6
7
8
9
10
11
12
13
14
15
16
19
17
18
20
21
32
31
30
2928
27
26
25
24
23
22
33
44
43
42
41
40
39
38
3736
35
34
73
7475
76
77
78
79
80
72
65
66
67
68
6970
71
52
51
50
49
48
47
46
45
53
54
55
56
57
58
59
60
61
62
63
64
STRIM
OSC
VOL
VOL
VCA VCA
P
B
P
B
VCA VCA
VCA VCA VCA VCA
IEV
NOISE
GEN
NOISE
FILTER
BPF
CONTROL
CH
CONTROL
BPF
V REF
STRIM
S
MODE
RECT
RECT
DC
CUT
B NR
OUT
FILTER
DATA
DECODER
VOL/
MUTE
BPF
RECT
LOGIC
FF
LOGIC
FF
RECT
C MODE
LOGIC LOGIC
MASTER
VOL
NF
SW
S
S
S
P
P
B
B
BB
P
B
C
D
R
L
C
S
LR
P
P
P
B
P
B
P
B
P
B
P
B
S
MASTER VOL
VDD
PCM
PCM
CONTROL
SRAM
IN
FILTER
R
L
C
S
R
P
B
P
B
P
B
P
B
L
L
R
L
R
R BPF2
R BPF1
S DC OUT
C DC OUT
R DC OUT
L DC OUT
V REF
VCC
C OUT
S OUT
R OUT
L OUT
GND
L IN
R IN
S IN
DELAY OUT
C VOL IN
DET
IREF
R OUT
R NF
L NF
L OUT
L BPF2
L BPF1
RT IN
LT IN
DC CUT
C MODE
GND
NS BPF1
OSC
NS BPF2
ENABLE
DATA
CLK
DATA
CLK
ENABLE2
VSS
OSC
OSC
VDD
A/D
NS
D/A
DC CUT
VCC
C VOL OUT
C OP IN
GND
C OP NF
C OP OUT
VOL REF
S OP OUT
S OP NF
S OP IN
S VOL OUT
L RECT
DC CUT4
R RECT
DC CUT3
L BPF3
VLR TH
VLR 1
VLR 2
VCS 2
VCS 1
VCS TH
L+R RECT
DC CUT2
L-R RECT
DC CUT1
R DET3
OP VREF
S VOL IN
S OUT
DC CUT

Related product manuals