EasyManua.ls Logo

Sony STR-ZA2000ES - Page 31

Sony STR-ZA2000ES
187 pages
Print Icon
To Next Page IconTo Next Page
To Next Page IconTo Next Page
To Previous Page IconTo Previous Page
To Previous Page IconTo Previous Page
Loading...
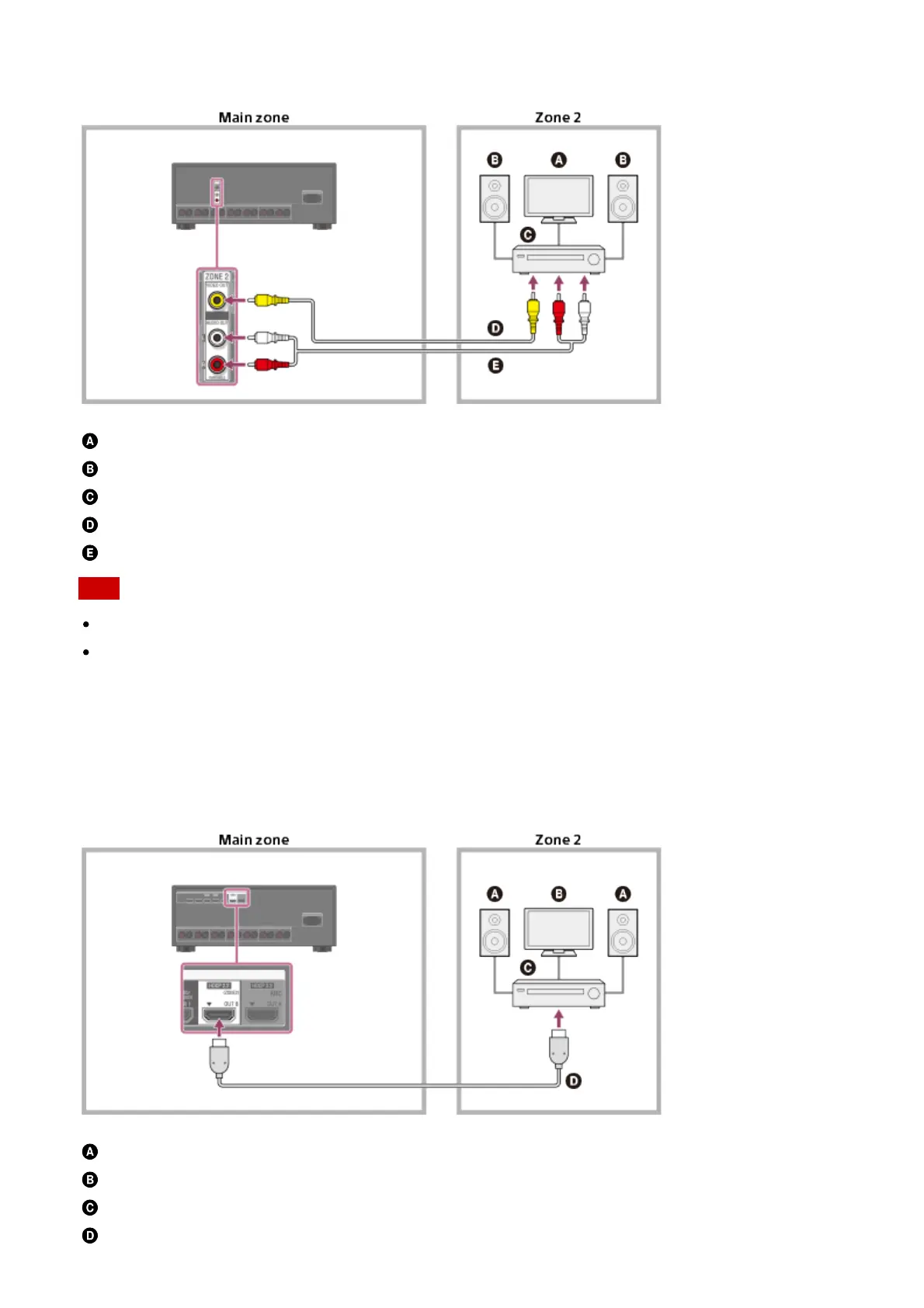
OUT jack
TV monitor
Speakers
Other amplifier/receiver
Video cable (not supplied)
Audio cable (not supplied)
Note
Stream input signals cannot be output even when outputting optical/coaxial audio signals.
When outputting optical/coaxial audio signals, set the audio output to PCM on the
connected device. For details, refer to the operating instructions of the connected device.
Connecting another amplifier using the HDMI OUT B jack
HDMI video/audio input signals, optical/coaxial audio input signals are output to zone 2 using
HDMI OUT B jack on the receiver.
Speakers
TV
Other amplifier/receiver
HDMI cable (not supplied)

Table of Contents

Other manuals for Sony STR-ZA2000ES

Related product manuals