EasyManua.ls Logo

Sony TRINITRON BVM-14G1A - Page 153

Sony TRINITRON BVM-14G1A
218 pages
Print Icon
To Next Page IconTo Next Page
To Next Page IconTo Next Page
To Previous Page IconTo Previous Page
To Previous Page IconTo Previous Page
Loading...
10-5
10-5
A B C D E F GH
1
2
3
4
5
BK (2/4) BK (2/4)
IN
OUT
ANALOG
Y/G
1-12b2Y/2GFROM OPTION
1-12aY/G
FROM BC 1-10b
Y/G BUFFER
BK SELECT
SWITCH
Q100,102
Q101
IC101(1/3)
12
13
14
11
CLAMP
Q103-105
2
1
15
10
3
2
1
IC102
(2/2)
5
6
7
IC101(2/3)
IC102
(1/2)
Q501
IN
OUT
ANALOG
B-Y/B
1-14b2PB/2BFROM OPTION
1-13bPB/B
FROM BC 1-11b
BK SELECT
SWITCH
Q500,502
IC501(1/3)
12
13
14
11
CLAMP
Q503-505
2
1
15
10
5
6
7
IC501(2/3)
IC502
(2/2)
TP500
5
3
4
9
IC501(3/3)
5
3
4
9
IC101(3/3)
G BUFFER
Q309
Y BUFFER
Q108
TP101
1/4 R-Y GAIN
1/4 B-Y GAIN
5
1
37
IC503
B BUFFER
Q506
B-Y BUFFER
Q510
TP501
TP502
BUFFER
Q507
IC305
7
6
1
2
5
3
G-Y MATRIX
BUFFER
Q306-308
TP302
MATRIX AMP
Q350,351
B-Y/B BUFFER
4
9
IC504(2/2)
IC304(2/3)
5
3
4
9
5
3
B MATRIX AMP
Q540,541
4
9
IC104(2/3)
5
3
TP100
2
3
1
5
6
7
IC502
(2/2)
14
12
13
11
IC504(1/3)
IC520(2/2)
IC320(2/2)
R-Y/R BUFFER
IN
OUT
ANALOG
R-Y/R
1-16b2PR/RFROM OPTION
1-15bPR/R
FROM BC 1-12b
BK SELECT
SWITCH
Q300,302
Q301
IC301(1/3)
12
13
14
11
CLAMP
Q303-305
2
1
15
10
5
6
7
IC301(2/3)
IC302
(2/2)
TP300
5
3
4
9
IC301(3/3)
5
R BUFFER
Q106
R-Y BUFFER
Q310
TP301
TP102
BUFFER
Q107
R MATRIX AMP
Q140,141
2
3
1
5
6
7
IC302
(2/2)
14
12
13
11
IC304(1/3)
B-Y PULSE LEVEL
BK SELECT
B-Y CLAMP OFFSET
Y CLAMP OFFSET
1/4,3/4,4/4
WHITE SAMPLING P
1/4,3/4,4/4
BLACK SAMPLING P
1/4 CHROMA
1/4
RGB SW
1/4
1/4
1/4
1/4
1/4
1/4
1/4
1/4
1/4
1/4
R-Y PULSE LEVEL
1/4,3/4
WHITE INSERT P
1/4,3/4
PROG SW
1/4
1/4
1/4
1/4
1/4
R-Y CLAMP OFFSET
1/4
CONT 0
V BLK 1
W B INSERT P
MONO
CLAMP P DLY
SYNC INT/EXT
SYNC SEP SEL
H BLK
CLAMP PULSE SEL
RGB SW
IC912(2/2)
5
6
3
2
1
7
IC912(1/2)
5V
Q902
BUFFER
Q801
BUFFER
Q800
3
5
4
9
IC800(3/3)
TP800
SYNC AGC
Q802-819
TP801
Q
Q
IC803
(2/2)
6
7
4
5
RD
3
Q
Q
10
13
9
RD
5V
12
11
IC803
(1/2)
BUFFER
Q825
IN
OUT
ANALOG
SYNC
TP803
Q
Q
6
7
IC804
(1/2)
3
2
CLP DLY
CONTROL
Q824
1
IC802
5
6
CLP DLY
CONTROL
Q820
7
4
5
2
5V
12
13
13
3
14
11
IC800(1/3)
6
7
4
5
2
5V
IC801
(1/2)
Q
Q
10
9
12
11
IC801
IC805
(2/2)
Q
Q
2
1
15
10
IC800(2/3)
10
9
11
IC804
(2/2)
Q
Q
1
2
4
BUFFER
Q827
5V
12
13
BUFFER
Q826
13
12
14
11
IC500(1/3)
C CLAMP PULSE
Y CLAMP PULSE
V SYNC SEP
Q828,829
SYNC SEP SEL
SWITCH
Q821
BUFFER
Q822,823
TP802
1-20a
1-20b
HS
VS
TO E 1-13b
TO E 1-13a
TO BC 1-20a
TO BC 1-20b
9
5
3
4
3
2
1
IC500(2/3) IC300(1/2)
10
2
1
15
5
6
7
IC500(3/3) IC300(2/2)
DC CONT
GAIN CONT
1
37
IC303
DC CONT
GAIN CONT
GCA
6
1
2
5
7
IC325
I/O
C
I/O
C
GCA
L. L
CONV
6
1
2
5
7
IC525
I/O
C
I/O
C
L. L
CONV
3/4G
3/4
B
3/4R
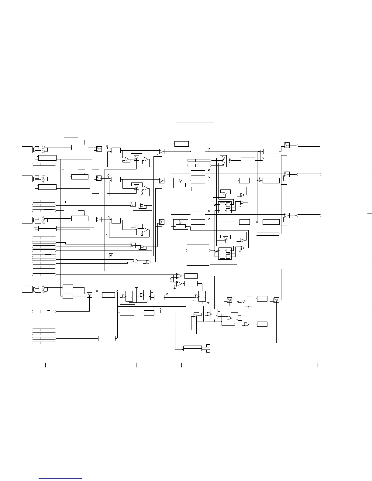
SIGNAL INPUT SELECT
SIGNAL PROCESSING
BK BLOCK (2/4)

Table of Contents

Other manuals for Sony TRINITRON BVM-14G1A

Related product manuals