EasyManua.ls Logo

Sony TRINITRON BVM-14G1A - Page 155

Sony TRINITRON BVM-14G1A
218 pages
Print Icon
To Next Page IconTo Next Page
To Next Page IconTo Next Page
To Previous Page IconTo Previous Page
To Previous Page IconTo Previous Page
Loading...
10-7
10-7
A B C D E F GH
1
2
3
4
5
BK (4/4) BK (4/4)
5
3
4
9
IC317(3/3)
2
3
1
IC328(2/2)
3
2
1
5
6
7
IC323(1/2)
IC327(2/2)
15
2
1
10
3
5
9
4
IC317(2/3)
IC324(1/3)
6
5
7
IC328(1/2)
13
12
14
11
IC326(2/3)
3
2
1
IC329(2/2)
IC318(2/2)
1/4
13
12
14
11
IC324(2/3)
Q390
2
3
1
IC322
IC319
(2/2)
1/4
G BIAS IK
G DRIVE COMP
1/4
3/4 DG
1/4 G DRIVE IK
1/4 G DRIVE V
5
3
4
9
IC517(3/3)
2
3
1
IC528(2/2)
3
2
1
5
6
7
IC527(1/2)
IC527(2/2)
15
2
1
10
3
5
9
4
IC517(2/3)
IC524(2/3)
6
5
7
IC528(1/2)
13
12
14
11
IC526(2/3)
3
2
1
IC529(2/2)
1/4
B CUTOFF
13
12
14
11
IC524(2/3)
Q590
2
3
1
IC522
(2/2)
1/4
B BIAS IK
B DRIVE COMP
1/4
1/4 B DRIVE V
3/4
DB
1/4 B DRIVE IK
G CUTOFF
5
3
4
9
IC117(3/3)
2
3
1
IC128(2/2)
3
2
1
5
6
7
IC127(1/2)
IC127(2/2)
15
2
1
10
3
5
9
4
IC117(2/3)
IC124(1/3)
6
5
7
IC128(1/2)
13
12
14
11
IC126(2/3)
3
2
1
IC129(2/2)
1/4 R CUTOFF
13
12
14
11
IC124(2/3)
Q190
2
3
1
IC122
(2/2)
1/4
1/4
R BIAS IK
R DRIVE COMP
1/4 R DRIVE V
1/4 R DRIVE IK
3/4
DR
DRIVE SAMPLING P
IK/V SW
VIDEO TIMING P
1/4
1/4
1/4
1/4
BIAS SAMPLING P
3
5
9
IC326(1/3)
4
3
5
9
IC526(1/3)
4
3
5
9
IC126(1/3)
4
7
9
5
3
TP306
TP305
TP505
TP105
1
2
15
10
IC326(3/3)
TRANSIENT
OFF SW
Q387,388
Q389
6
5
7
IC323
(2/2)
7
IC322
(1/2)
6
5
1
2
10
IC324
(3/3)
15
1
IC323
(1/2)
2
3
1
IC601(2/2)
IC601(1/2)
2
3
7
5
+12V
6
6
7
5
KG
3-1
2
1
3
IC321(1/2)
IC321
(2/2)
TP307
120V
-5V
120V
-5V
120V
-5V
+5V
-5V
+5V
-5V
+5V
-5V
7
1
2
15
10
IC526(3/3)
Q581,580
H STAT
OUT
Q603
G2
BUFFER
Q601,602
Q582
6
5
7
IC523
(2/2)
7
IC522
(1/2)
6
5
1
2
10
IC524
(3/3)
1
2
3
6
7
5
KB
4-1
2
1
IC521
(2/2)
TP507
3
IC521(1/2)
IC523
(1/2)
7
1
2
15
10
IC126(3/3)
Q177,178
Q179
6
5
7
IC123
(2/2)
715
IC122
(1/2)
6
5
1
2
10
IC124
(3/3)
1
2
3
6
7
5
KR
2-1
2
1
IC121
(2/2)
TP107
3
IC121(1/2)
IC123
(1/2)
15
R.G.B
G2 CONTROL
Q700-702
6
5
7
IC705(2/2)
1/4,2/4,3/4
1/4,2/4,3/4
1/4,2/4,3/4
WHITE SAMPLING P
BLACK SAMPLING P
BIAS & DRIVE P
1/4 BIAS CLAMP P
1/4 G2 REF
2
3
1
IC705(1/2)
G2 CONTROL
1-10b
H STAT CTRL
508-1
G2 CTRL
508-2
FROM G
3-23a, b
FROM G
3-22a, b
KG
505-1
KB
506-1
KR
504-1
G1
507-1
H2
508-8
H1
508-7
8
7
6
5
4
2
1
13
12
11
10
9
J501
RCV
KR
G1-3
KG
G2
KB
G1-2
H2
H1
G1-1
GM
G4
RV501
H STAT
FV2
FROM P
(FBT)
T901
FV1
C
(CRT SOCKET)
V901
PICTURE TUBE
HV
TP506
TP106
DIFF.
STAGE
IC519
9
5
3
DIFF.
STAGE
7
IC701
9
5
3
DIFF.
STAGE
IC119
9
5
3
DIFF.
STAGE
12
13
11
5
6
7
8
1
10
14
12
IC318(1/2)
IC317(1/3)
2
3
1
-5V
G BUFFER
Q400
G DRIVE
AMP
Q380-382
G DRIVE
AMP
IC315
Q384-386
GCA
8
1
10
12
B BUFFER
Q600
B DRIVE
AMP
Q573-575
IC515
GCA
12
13
11
5
6
7
8
1
10
14
12
IC118
(1/2)
IC118
(2/2)
IC117(1/3)
2
3
1
-5V
R BUFFER
Q200
R DRIVE
AMP
Q170-172
R DRIVE
AMP
IC115
Q174-176
GCA
12
13
11
5
6
7
14
IC518
(1/2)
IC518
(2/2)
IC517(1/3)
2
3
1
-5V
B DRIVE
AMP
Q577-579
+60V
FROM
BK 5-1
FROM
E 802-16b
TO P T901 (FBT)
TRANSIENT
OFF SW
TRANSIENT
OFF SW
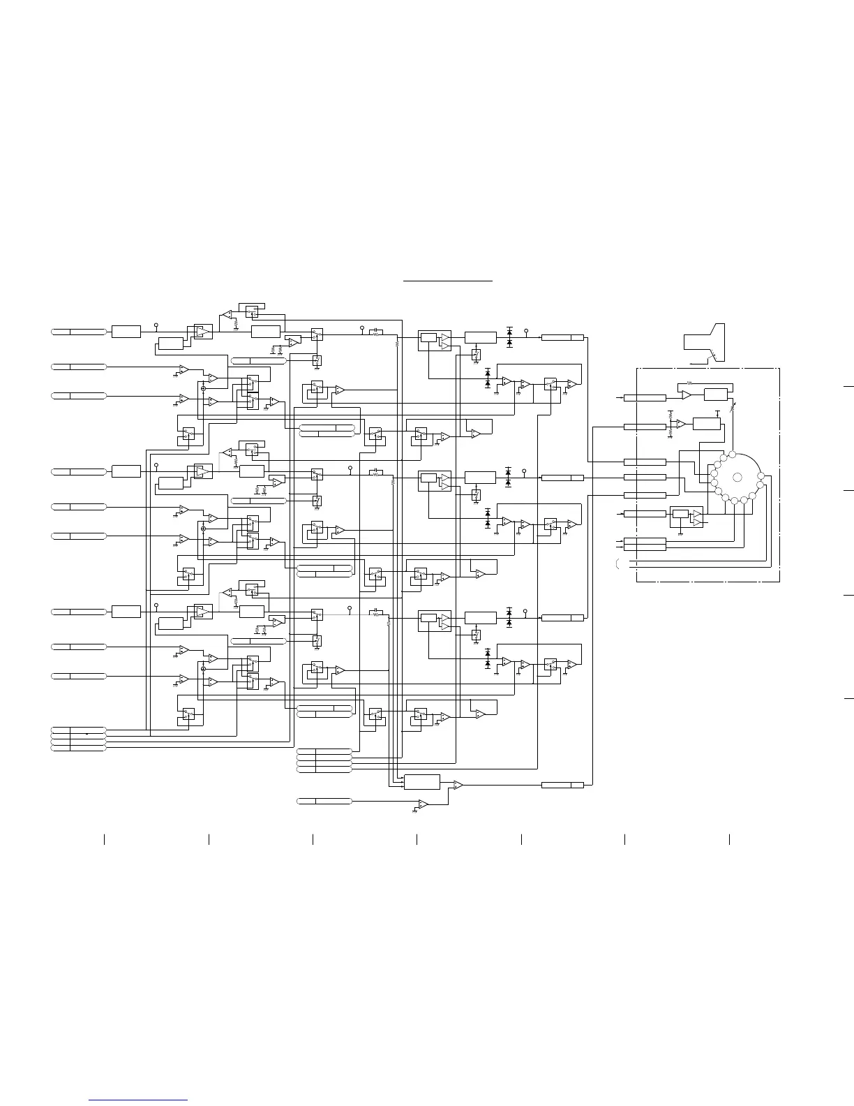
RGB DRIVE OUT
RGB DRIVE IK/V CONTROL
BK BLOCK (4/4)

Table of Contents

Other manuals for Sony TRINITRON BVM-14G1A

Related product manuals