EasyManua.ls Logo

Sony TRINITRON BVM-14G1A - Page 157

Sony TRINITRON BVM-14G1A
218 pages
Print Icon
To Next Page IconTo Next Page
To Next Page IconTo Next Page
To Previous Page IconTo Previous Page
To Previous Page IconTo Previous Page
Loading...
10-9
10-9
A B C D E F GH
1
2
3
4
5
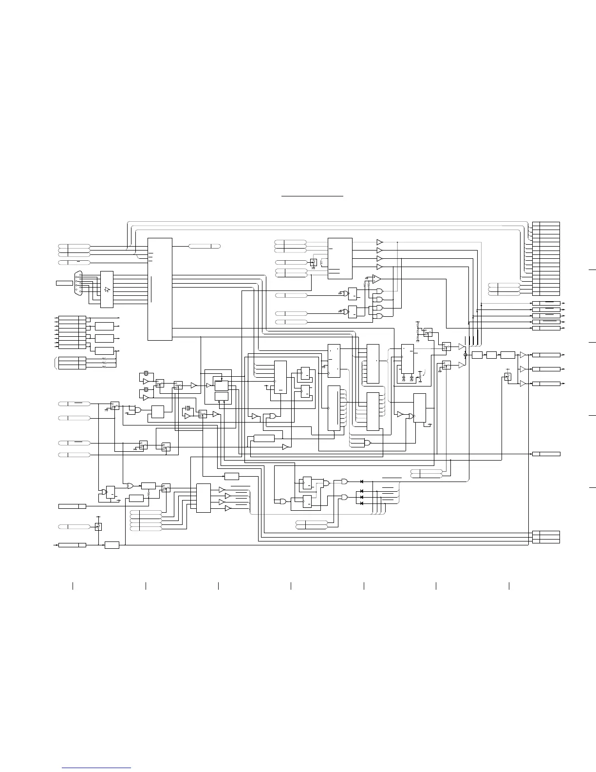
BC (2/2) BC (2/2)
IN/OUT EXPANDER
SYNC GNERATOR
BC BLOCK (2/2)
CLK
DATA
CS
PCL
OCS OUT
OCS IN
V SYNC
H SYNC
Q1
VR
VG
VB
VCBL
IC7
CHARACTER GEN
BUAD SEL
1/2
3
5
19
20
8
9
4
2
PA 2
1/2
TXD 1
1/2
SCLK 1
1/2
+12V REG
D+5V
+12V
+5V
-5V
IC37
FROM G
FROM G
FROM G
FROM G
FROM G
FROM G
FROM G
FROM G
+5V REG
IC52
-5V REG
IC51
1-B8
VIDEO
1-A9
P.Y OUT
1-B9
P.C OUT
1-A29
DIGITAL +5V
DIGITAL +5V
1-B29
1-A5
+15V
1-B5
+15V
1-A7
+6V
1-B7
+6V
1-A4
–15V
1-B4
–15V
H SYNC
1/2
SEL SYNC
1/2
V SYNC
1/2
SELECT SYNC SEP
1/2
EXT INT.SG.EN
1/2
FROM BK
(NC)
OPEN
12
D0
D7
LD
A
B
C
D
Q3
Q9
RC
IC105
DOT CLOCK COUNTER
3-10
13
16
23-17
IC8(2/6-5/6)
IC11(1/2)
IC16(1/2)
IC17(1/4-4/4)
IC16(2/2)
34
13
NTSC/PAL
MODE
SELECT
MODE
CLK
1
6
9
5
182
173
164
155
146
137
128
11
18
45
44
43
46-48
30-32
35-39
20-24
27-29
PC7
A0-A2
D0-D7 PD0-PD7
WR
RD
CS
IC5
IN/OUT PROT EXPANDER
PC0
17
16
15
14
13
12
119
IC29
REMOTE2 DRIVER
REMOTE2
CN5
CS
1/2
WR,RD
1/2
A0-A4
1/2
D0-D7
1/2
54-56,59
PA0-PA3
60,61
PA4,PA5
64,3-9
PB0-PB7
49,50,52,53
PE0-PE3
63
PA7
62
PA6
AFC P
1/2
V BLANK 2
1/2
98
14
56
11 10
13 12
2
13
12
11
98
15
11 10
5
66
7
15
D5V
9
1
8
9
10
12
13
5
4
2
1
11
6
3
Q
1
2
13
4
Q
2
3
Q
9
10
5
12
Q
IC123
(1/2,2/2)
IC117(4/4)
IC122(4/6)
IC122(5/6)
IC120 SYNC GEN
IC124
CLOSED CAPTION
IC125
(1/6-3/6,5/6)
11
3
1
2
3
97
10
11
1
2
17
18
8
16
Q
912
3VP0
4VP1
5VP2
6VP3
11
8
Q
IC113
Q
912
11
8
Q
QD
52
3
CK
D
CK
6
Q
CHARA 3
1/2
PA 1
1/2
CHARA 1
1/2
CHARA 2
1/2
D0
D7
I
C108
INT SIGNAL DATA
IC107
INT SIGNAL DATA
IC110
P/S CONVERTER
4-10
10-3
25
27
21
23
2
26
24
25
3
24
21
23
2
26
27
11-13
15-19
IO
I
C109
DAC
I
C111(3/3)
I
C111(1/3)
Q107
Q106
Q111
D104
Q112
D106
Q113
D107
1-8
13
12
12
9
16
15
20
14
11
IO
QH
21
RV101
13
A-H
Q2
Q2
26-24
15
9
5V
15
CLK
Q1
D0
D1
D2
D3
D4
D5
IC104
LINE COUNTER
IC151(1/3)
IC122
(3/6)
9
Q10
CLK
BLK
1711
7
6
5
4
3
2
13
12
14
Q2
Q0
Q1
Q2
11
9
10
11
8
11
12
13
15
16
17
D7
19
14,12-10
5-2
CK
2
EP
LD
7
10
IC115(2/3)
4
3
5
6
D0
D7
2
1
15
10
I
C111(2/3)
3
5
4
9
INT SG EN
1/2
SYNC ON/OFF
1/2
SAD DISP
1/2
SAD BLK DISP
1/2
MIX
AMP
Q108
LPF
BUFFER
Q109
CHAR B
Q110
5V
7-A9
A4
1-B10
Y/G
1-A19
CHAR R
OPEN
TO BK
TO BK
TO BK
TO BK
TO BK
TO BK
TO BK
TO BK
OPEN
OPEN
1-B12
PR/R
1-B11
PB/B
7-A13
RCS 1
7-A5
A0
7-A6
A1
7-A7
A2
7-A8
A3
7-B5
DO 7
7-B6
DO 6
7-B7
DO 5
7-B8
DO 4
7-B9
DO 3
7-B10
DO 2
7-B11
DO 1
7-B12
DO 0
7-B16
WR
7-B17
RD
7-B15
CS
7-A15
SENCE
7-A11
VITC DTSE
7-A16
CK IN
7-A12
H SIN
7-A18
525/526
1-A18
CHAR G
1-B18
CHAR B
1-B17
CHAR BLANK
1-A27
SAMPLE PULSE
VITC DTSE
1/2
SENCE
1/2
CS
1/2
Q
52
3
6
10
Q
2
3
1
D13
D111
D113
D112
IC117(1/4,2/4)
V SYNC SEL
Q103,104
RESET
GEN
I
C119(2/3)
I
C63(2/3)
I
C121
(6/6)
I
C121
(5/6)
I
C122(6/6)
12
13
2
1
15
10
11
14
I
C63(1/3)
13
12
1
2
14
4
11
I
C116(1/3)
13
12
14
11
1
I
C63(3/3)
X103
14.5MHz
X101
14.3182MHz
(NTSC)
X102
14.1875MHz
(PAL)
I
C121(4/6)
I
C122(1/6)
3
5
4
9
13 12
9
8
IC114
3
4
5
525/526
SWITCH
Q116
SYNC
BUFFER
Q51,52
IC62
Y
BUFFER
Q151,152
11
10 CHAR BLANK
5
1
2
6
9
8
7
5
6
CHAR R
CHAR G
CHAR B
CHAR BLANK
CHAR R
CHAR G
CHAR B
9
10
8
IC117(3/4)
4
6
5
I
C116(2/3)
1
2
15
10
I
C116(3/3)
3
5
4
9
A
B
VCO
IC115(3/3)
1
2
13
12
+5V
IC61(1/2)
1
2
13
4
D5V
3
Q
Q
Y
BUFFER
Q115,D109
Q114
+5V
CC RESET
1/2
CC ON/OFF
1/2
SDI CC
1/2
CC C/T
1/2
CC L1/L2
1/2
7-A10
Y IN
1-B31
INT. SG
CHAR G
CHAR R
CHAR BLANK
BLK
R
G
B
IC106 COUNTER
5V
INT
SIGNAL
LEVEL
OPEN

Table of Contents

Other manuals for Sony TRINITRON BVM-14G1A

Related product manuals