EasyManua.ls Logo

Sony TRINITRON KV-29C3A - DIAGRAMS Block Diagram (1) wo

Sony TRINITRON KV-29C3A
84 pages
Print Icon
To Next Page IconTo Next Page
To Next Page IconTo Next Page
To Previous Page IconTo Previous Page
To Previous Page IconTo Previous Page
Loading...
KV-29C3
KV-29C3
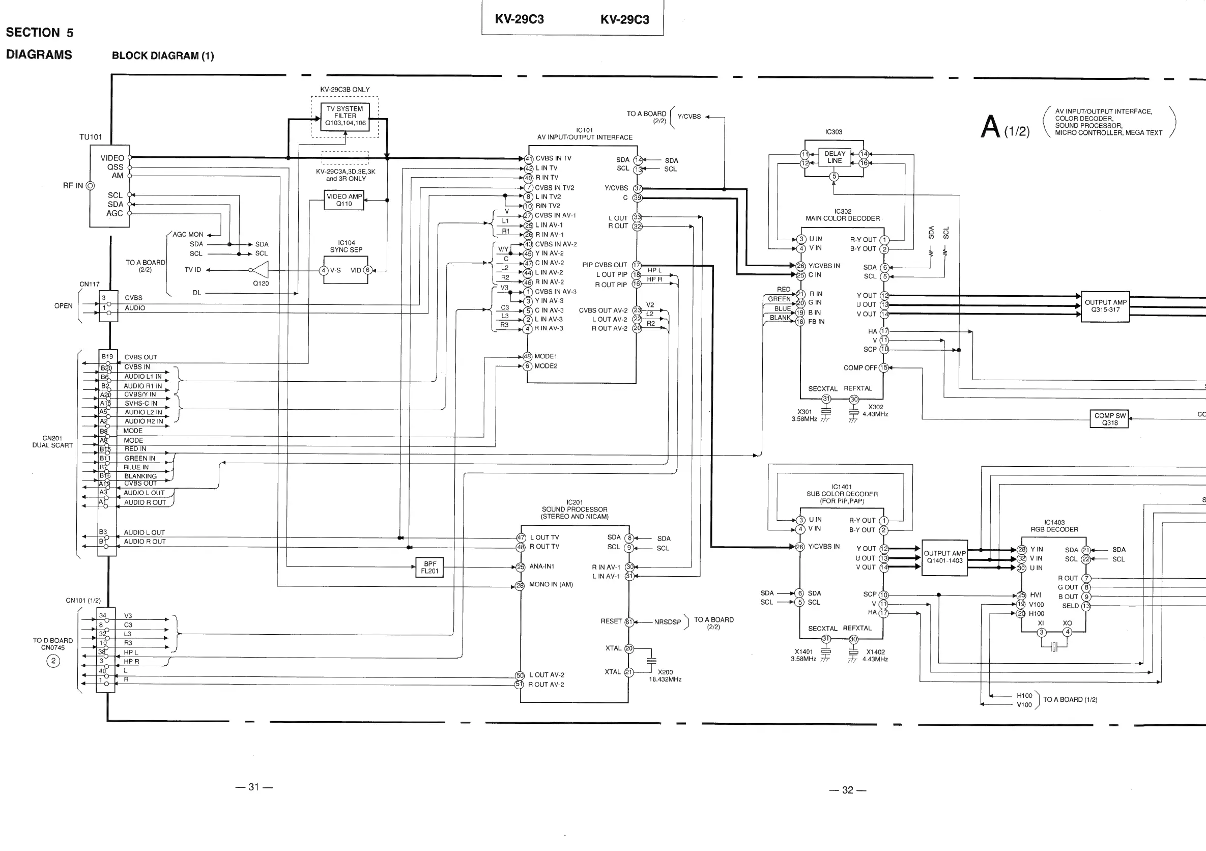
SECTION
5
DIAGRAMS
BLOCK
DIAGRAM
(1)
KV-29C3B
ONLY
Tv
system
|
|
AV
INPUT/OUTPUT
INTERFACE,
FILTER
:
TOA
ici
Y/CVBS
COLOR
DECODER,
Q103,104,106
(2/2)
(
1
/2)
SOUND
PROCESSOR,
1C101
1C303
MICRO
CONTROLLER,
MEGA
TEXT
AV
INPUT/OUTPUT
INTERFACE
G3)
CVBS
IN
TV
SDA
(13)
SDA
ye
LINE
me
and
3R
ONLY
46)
RIN
TV
—_
(7)
CVBS
IN
TV2
YICVBS
@?
VIDEO
AMP
(8)
LIN
TV2
9)
Qti0
>)
RIN
TV2
ieane
>
B)
CVBS
IN
AV-1
@
MAIN
COLOR
DECODER
————>
(38)
LIN
AV-1
@d
Zo
AGC
MON
Bt
_4@6
RIN
AV-1
(3)
UIN
R-Y
OUT
(1)
3
SDA
SDA
IC104
(43)
CVBS
IN
AV-2
VIN
se
Bei
SYNC
SEP
WY,
5
Y
INAV-2
®
@
CIN
AV-2
TO
A
BOARD
iD)
PIP
CVBS
OUT
(17)
=
(26)
Y/CVBS
IN
(6)
(2/2)
TV
ID
Ao
(44)
LIN
AV-2
LOUT
PIP
(18 @5)
CIN
(6)
CN117
yg
GO
RIN
AV-2
aourbie
qo
eR
aes
Bit
meee
CVBS
IN
AV-3
é1)
Y
OUT
(9
CVBS
(3)
YIN
AV-3
GREEN
,
35)
GIN
OUTPUT
AMP
v2
20)
UOUT
(13)
Q315-317
EEN
AUDIO
G)CINAV-3
cvBsoUTAV2
@3-y5
eS
0
————
ea
£3
_.73)
LIN
AV-3
LOUTAV-2
@
BLANK
46)
R3_
(4)
RIN
AV-3
R
OUT
AV-2
G52
|
HA
(1?)
———a
CVBS
OUT
8)
MODE!
B2Q
|
CVBS
IN
(6)
MODE2
COMP
OFF(13)
[Bg
|
AUDIO
L1
IN
[8%
|
AUDIO
R1
IN
SECXTAL
REFXTAL
lazy
|
CVBS/Y
IN
37)
30)
SVHS-C
IN
x302
ZURIGLa
WN
X301
52
=
4.43MHz
COMP
SW
CC
x
J
3.58MHz
777
Q318
AUDIO
R2
IN
Bae
|
MODE
cN201
A’
|
MODE
DUAL
SCART
iByS_[RED
IN
53
Bil
|
GREEN
IN
y,
By
|
BLUE
IN
Aig
|
VBS
OU
1C1401
Ag
SUB
COLOR
DECODER
As
|
UDIO
L
OUT
063
(FOR
PIP,PAP)
ee
IAL
_|.
AUDIO
R
OUT
O
SOUND
PROCESSOR
(STEREO
AND
NICAM)
1c1403
RGB
DECODER
—(-}uperout
:
vourry
sn
Po
a
‘<=
§)
ROUT
TV
SCL
(9)
SCL
28)
ANA-IN1
RIN
AV-1
LIN
AV-1
(28)
MONO
IN
(AM)
SDA
CN101
(1/2)
Scr
v3
)
TO
A
BOARD
NRSDSP
Dal
es
(2/2)
bape
a
ss
TO
D
BOARD
10
|
R3
CNO745
alae
X1401
=>
=S_X1402
=
Se
)
3.58MHz
777
7}y
4.43MHz
(
2
)
O
(HPR
+>!
40
[iL
L
OUT
AV-2
may
ed
:
=
Baaae
18.432MHz
|
|
H100
)
+9
A
BOARD
(1/2)
4
vioo
es
O_o
ce
—31—
82
2

Related product manuals