EasyManua.ls Logo

Sony TRINITRON KV-29C3A - IC Block Diagrams

Sony TRINITRON KV-29C3A
84 pages
Print Icon
To Next Page IconTo Next Page
To Next Page IconTo Next Page
To Previous Page IconTo Previous Page
To Previous Page IconTo Previous Page
Loading...
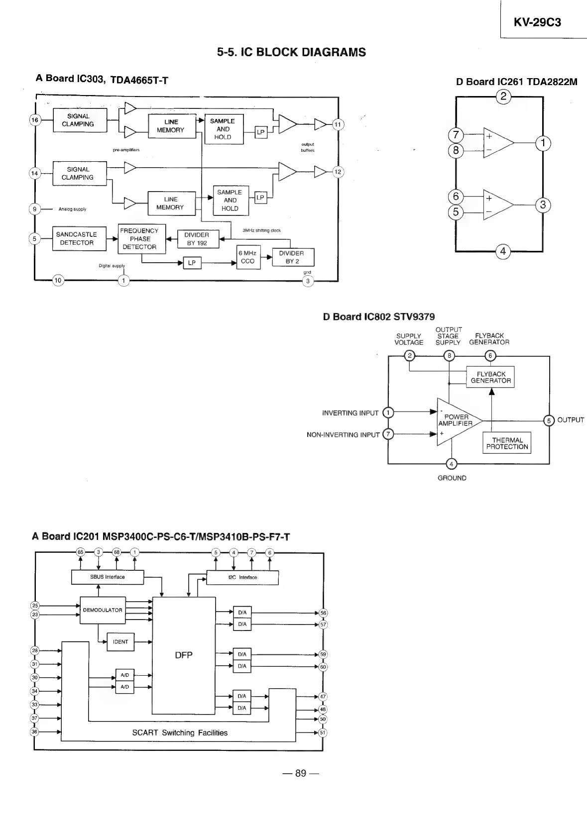
5-5.
IC
BLOCK
DIAGRAMS
A
Board
IC303,
TDA4665T-T
SAMPLE
AND
HOLD
LINE
MEMORY
SAMPLE
AND
'
FREQUENCY
DIVIDER
3MHz
shitting
clock
DETECTOR
Digital
supply
10
1
KV-29C3
D
Board
IC261
TDA2822M
D
Board
IC802
STV9379
INVERTING
INPUT
NON-INVERTING
INPUT
A
Board
IC201
MSP3400C-PS-C6-T/MSP3410B-PS-F7-T
Poetok
tI
25
{|
S|
DEMODULATOR
[SS
s
I
SCART
Switching
Facilities
OUTPUT
SUPPLY
STAGE
FLYBACK
VOLTAGE
SUPPLY
GENERATOR
GROUND

Related product manuals