EasyManua.ls Logo

Sony TRINITRON KV-29C3A - Block Diagram (3).0

Sony TRINITRON KV-29C3A
84 pages
Print Icon
To Next Page IconTo Next Page
To Next Page IconTo Next Page
To Previous Page IconTo Previous Page
To Previous Page IconTo Previous Page
Loading...
Sa
/
AV
INPUT/OUTPUT
INTERFACE,
COLOR
DECODER,
SOUND
PROCESSOR,
\.
MICRO
CONTROLLER,
MEGA
TEXT
OUTPUT
AMP
Q315-317
HAM
SCP50M
VP50M
COMP
OFF
COMP
SW
Q318
V50P
U50P
SCPS50P
C1403
DECODER
GPIP
BPIP
BLKPIP
O
A
BOARD
(1/2)
TO
B
BOARD
CN1810
©
OPEN
TO
B
BOARD
CN413
©)
TO
B
BOARD
CN412
©
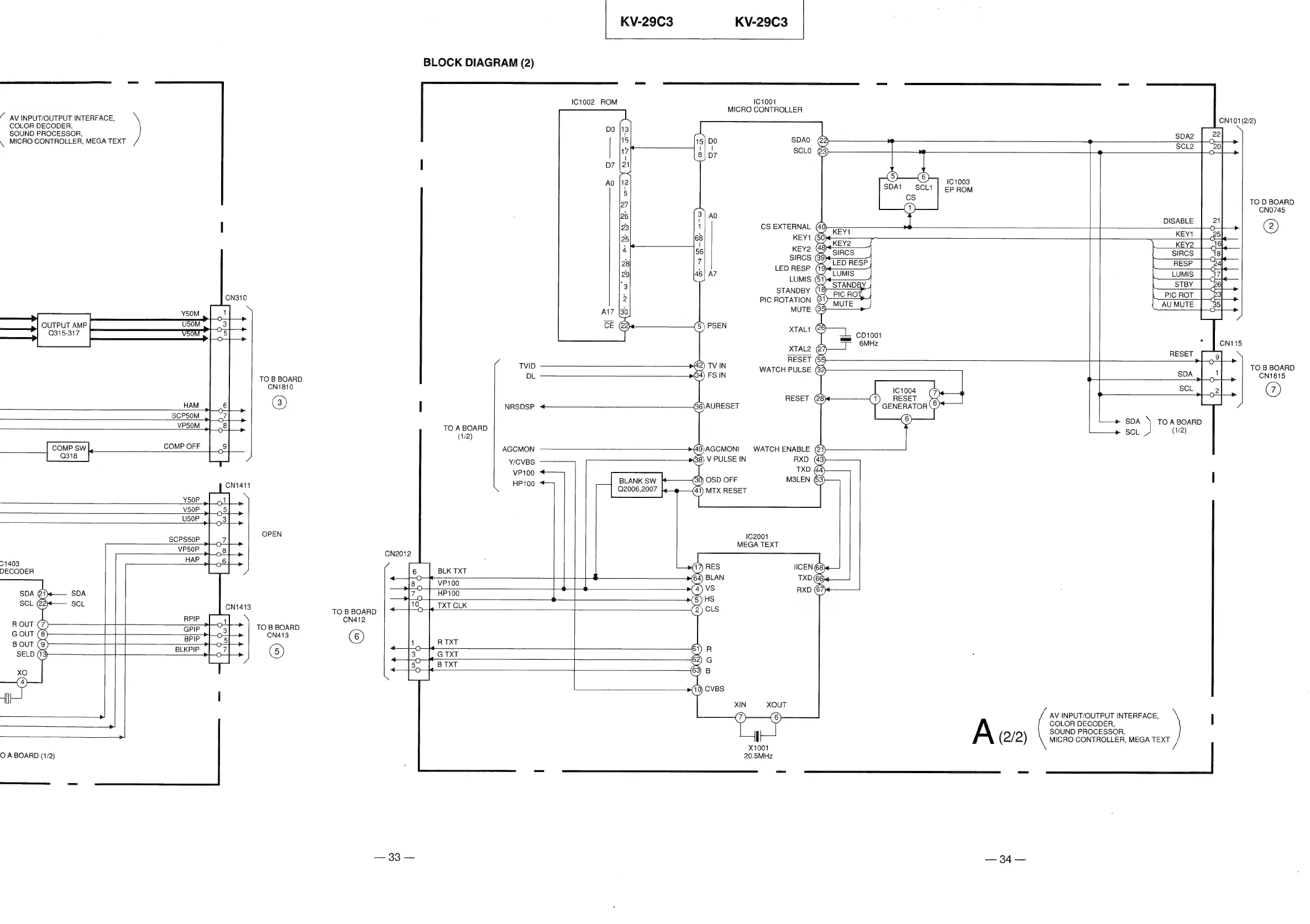
KV-29C3
BLOCK
DIAGRAM
(2)
IC1002
ROM
DO
13
|
19
17
|
|
p7
[21
Ao
|12
5
27
26
23
25
4
28
29
3
2
A17
[30
cE
@
TVID
DL
|
NRSDSP
TO
A
BOARD
(1/2)
AGCMON
Y/CVBS
vP100
«——
HP100
+4
BLANK
SW
a
Q2006,2007
CN2012
BLK
TXT
4
VP100
HP100
TXT
CLK
A
wl
=|
~N
O09
©
©
O
=r
ee
42)
TV
IN
G4)
FS
IN
KV-29C3
IC1001
MICRO
CONTROLLER
CS
EXTERNAL
LED
RESP
WATCH
6)
AURESET
(49)
AGCMONI
WATCH
E
8)
V
PULSE
IN
0)
OSD
OFF
89)
90)
MTX
RESET
1¢2001
MEGA
TEXT
X1001
20.5MHz
KEY1
KEY2
rleeh
@9)
LED
RESP
(9
81)
MUT
MUTE
@§)
UE
XTAL1
@6
©
ai
CD1001
6MHz
XTAL2
PULSE
NABLE
RXD
M3LEN
CEN
68)
TXD
66
RXD
67)
SDA1
cs
G3
@8)
@)
RESET
CH,
GENERATOR
SCL1
IC1003
CN101(2/2)
EP
ROM
TO
D
BOARD
CNO745
@
DISABLE
©)
A
(2/2)
==
34h
TO
B
BOARD
CN1815
TO
ABOARD
(1/2)
SDA
ip
SCL
AV
INPUT/OUTPUT
INTERFACE,
|
COLOR
DECODER,
SOUND
PROCESSOR,
MICRO
CONTROLLER,
MEGA
TEXT

Related product manuals