EasyManua.ls Logo

Sony TRINITRON KV-29C3A - Block Diagram

Sony TRINITRON KV-29C3A
84 pages
Print Icon
To Next Page IconTo Next Page
To Next Page IconTo Next Page
To Previous Page IconTo Previous Page
To Previous Page IconTo Previous Page
Loading...
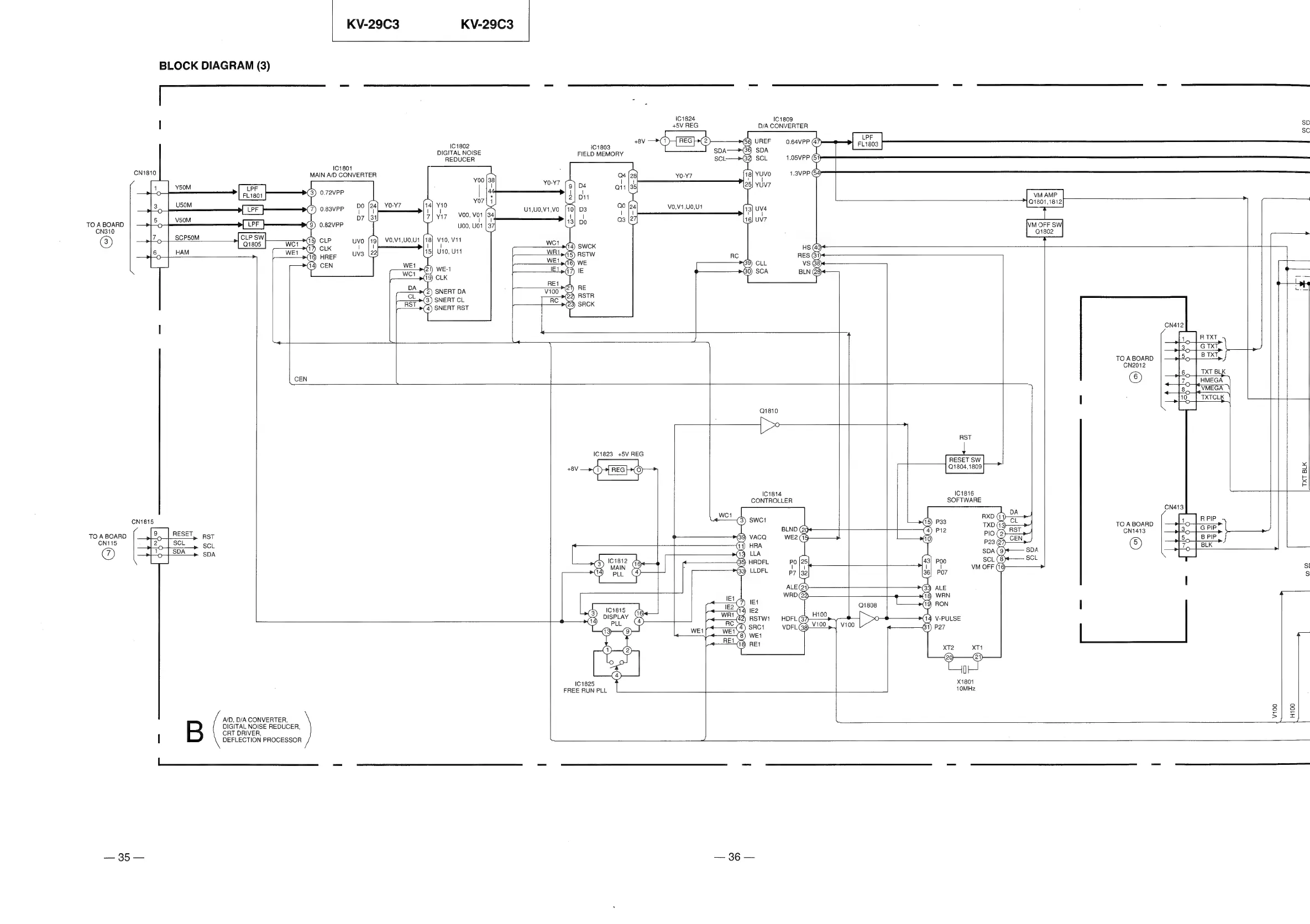
BLOCK
DIAGRAM
(3)
ea
ea
CN1810
TO
A
BOARD
CN310
@)
TO
A
BOARD
CN115
KV-29C3
DIGITAL
NOISE
MAIN
A/D
CONVERTER
KV-29C3
1C1802
REDUCER
voo,
yor
ce
U00,
U01
|
37
+8V
{C1803
FIELD
MEMORY
(2)
SDA
CEN
+8V
IC1809
D/A
CONVERTER
SCL
LPF
FL1803
rt
1C1823
+5V
REG
C1)
REG
>)
Q1810
A/D,
D/A
CONVERTER,
DIGITAL
NOISE
REDUCER,
DEFLECTION
PROCESSOR
1C1825
FREE
RUN
PLL
1C1812
MAIN
PLL
1C1815
DISPLAY
PLL
[>
IC1814
CONTROLLER
RST
RESET
SW
Q1804,1809
1C1816
SOFTWARE
TO
A
BOARD
CN2012
TO
A
BOARD
CN1413
SD
Sc
VM
AMP
E
Q1801,1812
FF
SW
Q1802
a
as
——
a
eel
a
=
x
F
5)
SI
Ss
ee
=
s|
8s
=
|
tt

Related product manuals