EasyManua.ls Logo

Sony TRINITRON KV-29C3A - Page 34

Sony TRINITRON KV-29C3A
84 pages
Print Icon
To Next Page IconTo Next Page
To Next Page IconTo Next Page
To Previous Page IconTo Previous Page
To Previous Page IconTo Previous Page
Loading...
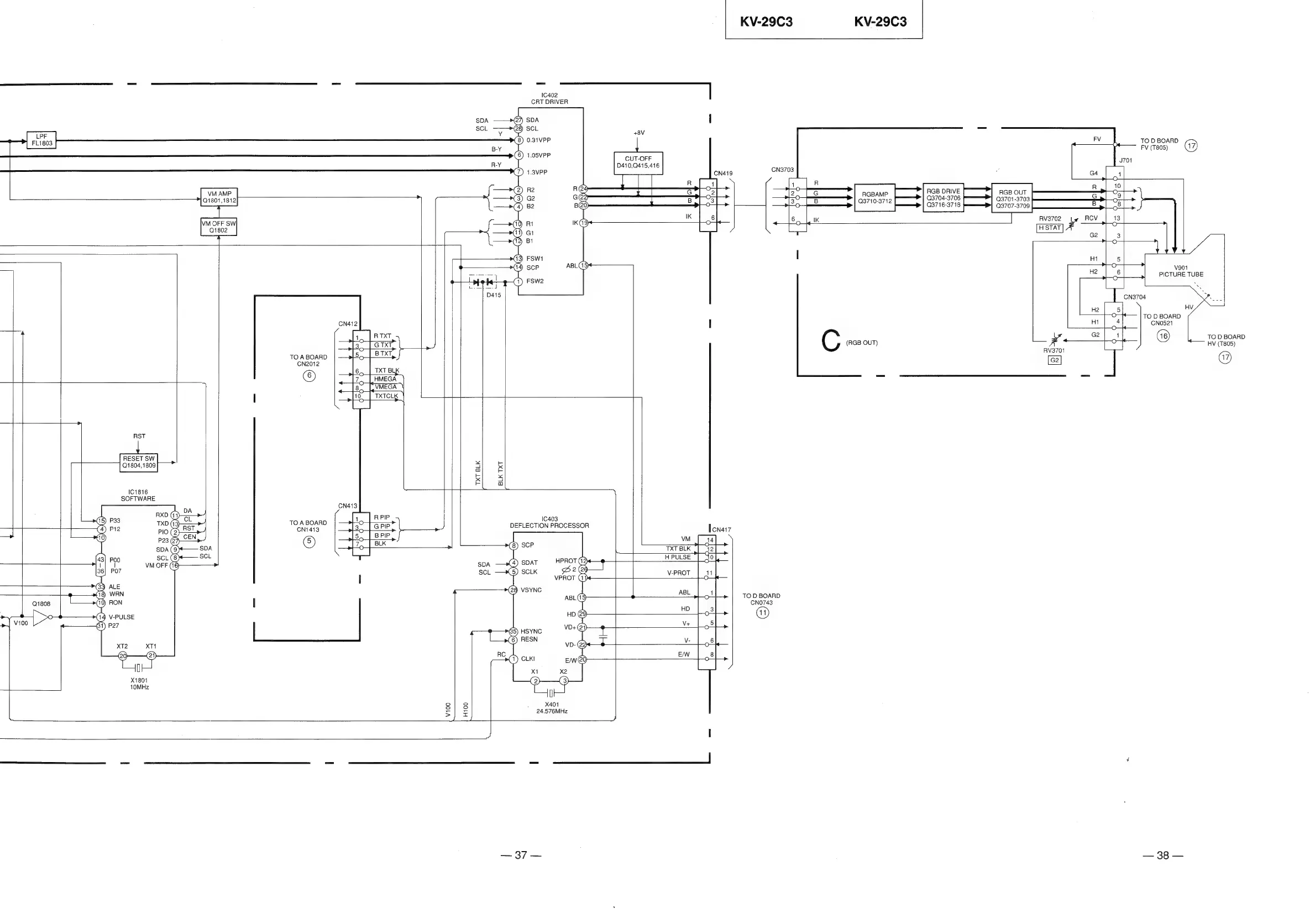
Ic402
|
CRT
DRIVER
SDA
LPF
Fees
0.31VPP
B-Y
4.05VPP
1.3VPP.
R2
G2
B2
VM
AMP
Q1801,1812
VM
OFF
SW
Q1802
R1
Gi
Bt
J
i
»/
TO
A
BOARD
CN2012
'
©
|__|
_,
RST
RESET
SW
S
Q1804,1809
=
g
a
i.
&
a
a
a
1C1816
= 7
SOFTWARE
1C403
TO
A
BOARD
Cayaay
G
»/
DEFLECTION
PROCESSOR
9
@)
,!
Q1808
|
2.
*
Vv100
Q
X401
24.576MHz
V10
{
10
i
=.
a
KV-29C3 KV-29C3
CN3703
RGBAMP
Q3710-3712
RGB
DRIVE
Q3704-3706
Q3716-3718
RGB
OUT
Q3701-3703
Q3707-3709
RV3702
C
(RGB OUT)
TO
D
BOARD
CNO0743
©
H
STAT
x
TO
D
BOARD
FV
(T805)
7)
RV3701
H2
H1
G2
|
CN3704
ra
v901
PICTURE
TUBE
O
D
BOARD
CN0521
=
99
=.
TO
D
BOARD
HV
(T805)
®

Related product manuals