EasyManua.ls Logo

Sony TRINITRON KV-29C3A - Page 35

Sony TRINITRON KV-29C3A
84 pages
Print Icon
To Next Page IconTo Next Page
To Next Page IconTo Next Page
To Previous Page IconTo Previous Page
To Previous Page IconTo Previous Page
Loading...
TO
A
BOARD
CN101
®
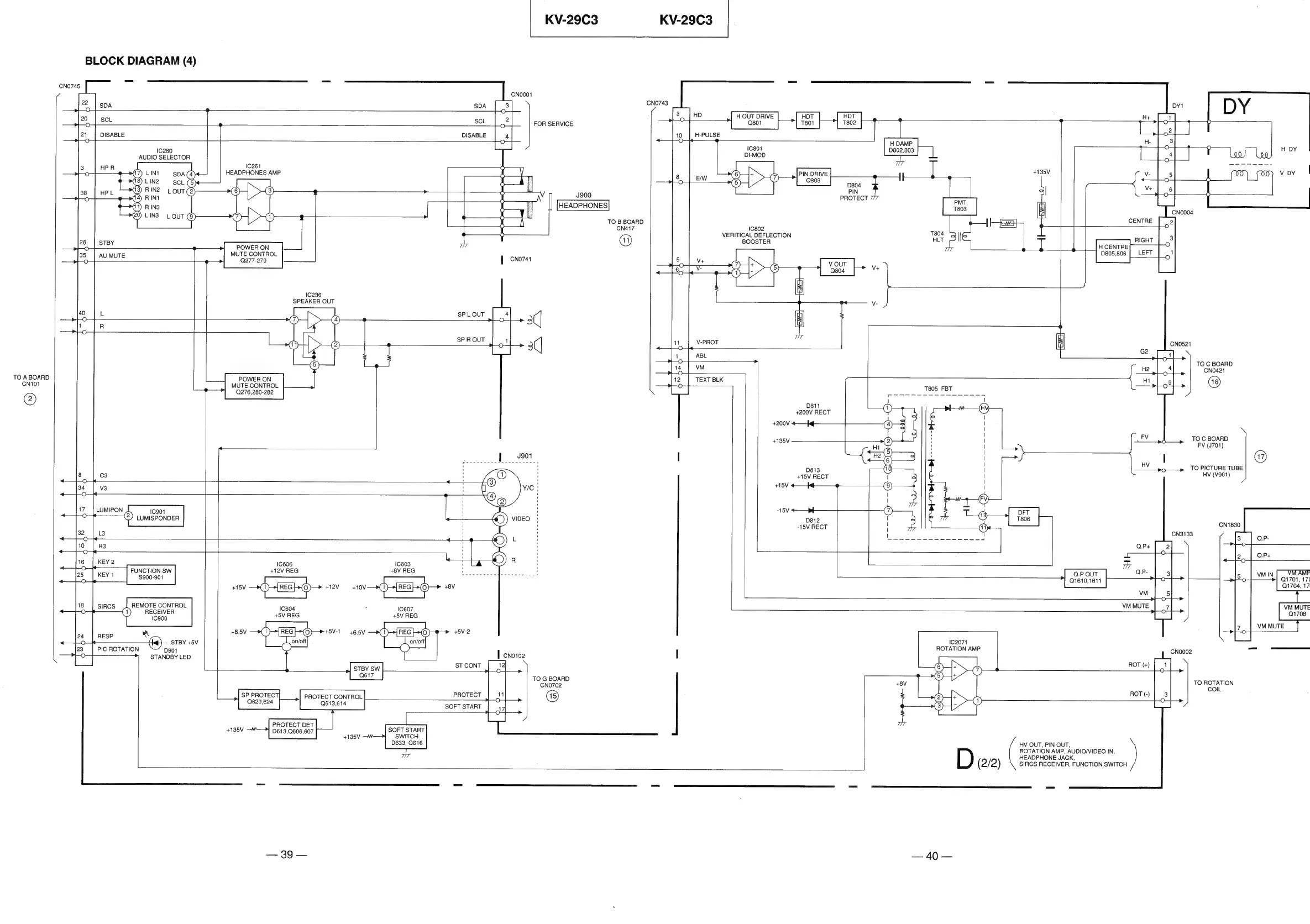
BLOCK
DIAGRAM
(4)
CNO745
KV-29C3
KV-29C3
CNO001
H
DAMP
D802,803
V+
PMT
T803
Tar
Sle
+e}
q
+135V
H
CENTRE
D805,806
CNO521
TO
C
BOARD
CNO0421
T805
FBT
TOC
BOARD
FV
(J701)
Mabiaegl
TO
PICTURE
TUBE
HV
(V901)
CN1830
CN3133
Q1701,
17(
Q1704,
17
VM
MUTE
VM
MUTE
1C2071
ROTATION
AMP
Q1708
VM
MUTE
SDA
CNO743
-¢—____—
SCL
SCL
FOR
SERVICE
DISABLE
DISABLE
1260
AUDIO
SELECTOR
10261
HEADPHONES
AMP
PIN
DRIVE
Q803
D804
PIN
J900
PROTECT
HEADPHONES
TO
B
BOARD
CN417
1802
VERITICAL
DEFLECTION
a)
BOOSTER
POWER
ON
AU
MUTE
MUTE
CONTROL
Q277-279
|
No741
10236
SPEAKER
OUT
SP
L
OUT
4
O
>
3
SP
ROUT
di
fieci.
3
POWER
ON
TEXT
BLK
MUTE
CONTROL
Q276,280-282
D811
+200V
RECT
+200V
+135V
D813
4+15V
RECT
+15V
«
}¢#—___
@
1C901
-15v
<>
LUMISPONDER
D812
-15V
RECT
IC606
IC603
FUNCTION
SW
+12V
REG
+8V
REG
$900-901
+15V
OREO
+12V
+10V—>(1)}-*|
REG
eed
oe
Ic604
;
\C607
‘cada
+5V
REG
+5V
REG
»
+6.5V
—>(1)
(©)
+5V-1
46.5V
—>(I)
«
——fle)—
sTBY
+5v
ae
ae
PIC
ROTATION
D901
©)
©)
STANDBY
LED
|
cnotoe
|
STavaU
ST
CONT
a
O17,
TO
G
BOARD
CNo702
SP
PROTEC
PROTECT
CONTROL
PROTECT
620,624
9613,614
SOFT
START
PROTECT
DET
+135V
D613,Q606,607
SOFT
START
+135V
SWITCH
D633,
Q616
=I
ee
TO
ROTATION
COIL
D
(2/2)
40
HV
OUT,
PIN
OUT,
ROTATION
AMP,
AUDIO/VIDEO
IN,
HEADPHONE
JACK,
SIRCS
RECEIVER,
FUNCTION
SWITCH

Related product manuals