EasyManua.ls Logo

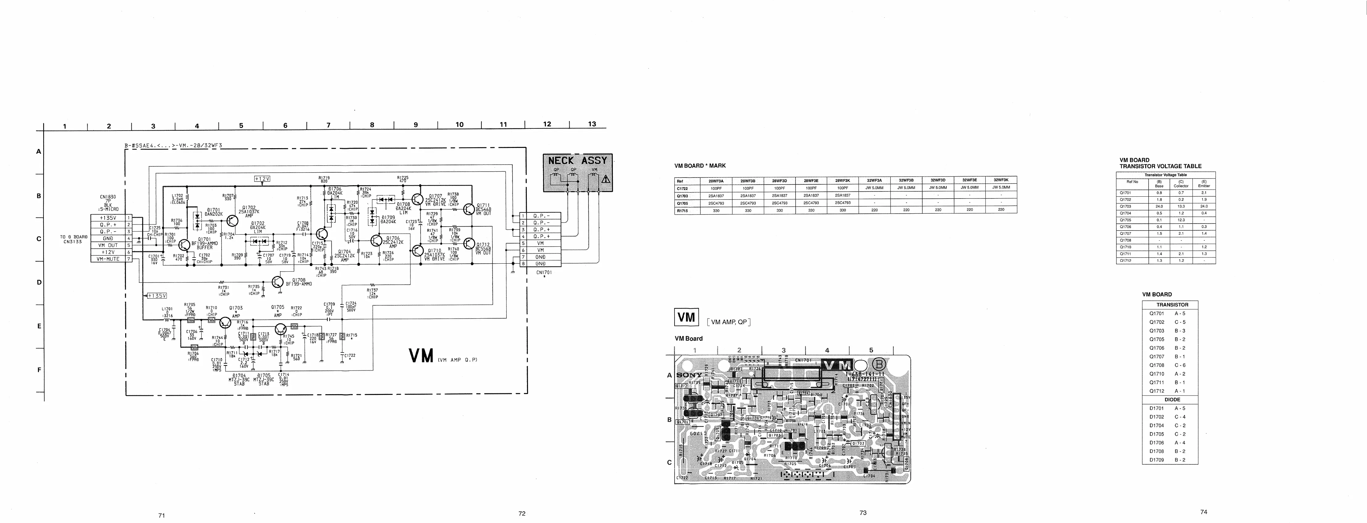
Sony TRINITRON KV-32WS4A - Block Diagram (4)

Sony TRINITRON KV-32WS4A
90 pages
Print Icon
To Next Page IconTo Next Page
To Next Page IconTo Next Page
To Previous Page IconTo Previous Page
To Previous Page IconTo Previous Page
Loading...

Related product manuals