EasyManua.ls Logo

Sony XR-CA310 - 6-2. Front Panel Section

Sony XR-CA310
38 pages
Print Icon
To Next Page IconTo Next Page
To Next Page IconTo Next Page
To Previous Page IconTo Previous Page
To Previous Page IconTo Previous Page
Loading...
29
XR-CA310/L210
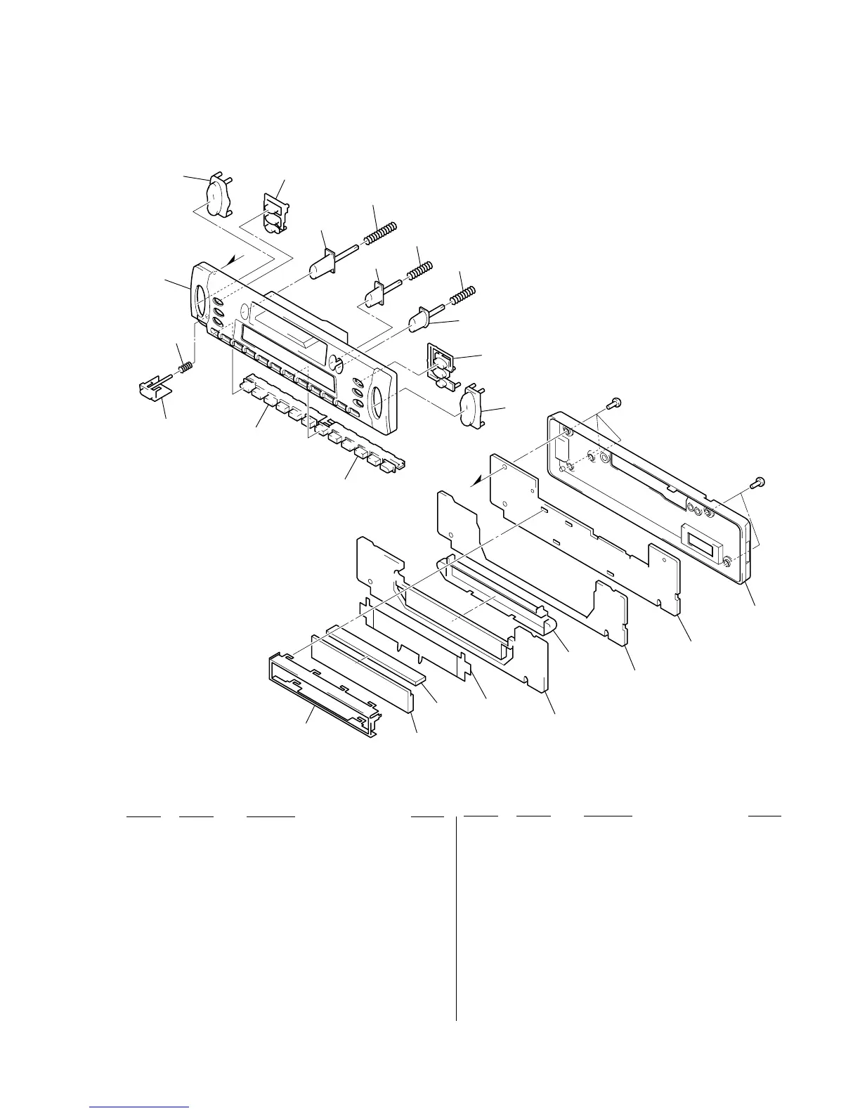
6-2. FRONT PANEL SECTION
Ref. No. Part No. Description Remark
Ref. No. Part No. Description Remark
51 3-224-914-01 BUTTON (4-6) (4. 5. 6. TA. PTY. DSPL)
52 3-224-906-01 BUTTON (1-3) (ATT. SENS. AF. 1. 2. 3)
53 3-224-910-01 BUTTON (RELEASE)
54 3-220-522-01 SPRING (RELEASE)
55 X-3380-350-1 PANEL ASSY (FRONT) (CA310)
55 X-3380-351-1 PANEL ASSY (FRONT) (L210)
56 3-224-919-11 BUTTON (+/-)
57 3-224-908-01 BUTTON (SRC. MODE. SEL) (CA310)
57 3-227-908-11 BUTTON (T. MODE. SEL) (L210)
58 3-224-917-01 BUTTON (EJECT) (Z)
59 3-029-327-01 SPRING (EJECT)
60 3-224-916-01 BUTTON (REW) (m)
61 3-375-372-01 SPRING (F/R)
62 3-224-915-01 BUTTON (FF) (M)
63 3-224-907-01 BUTTON (D-BASS) (MBP. D. OFF)
64 3-224-909-11 BUTTON (SEEK) (+ > M SEEK AMS
m . -) (CA310)
64 3-224-909-31 BUTTON (SEEK) (+ SEEK MANU -) (L210)
* 65 3-224-927-01 PLATE (LCD), GROUND
66 1-694-696-31 CONDUCTIVE BOARD, CONNECTION
* 67 3-224-926-01 ILLUMINATOR
* 68 3-224-925-01 PLATE, LIGHT GUIDE
* 69 3-224-924-01 HOLDER (LCD)
70 1-786-098-11 SWITCH, SHEET
71 3-224-904-01 PANEL, FRONT BACK
LCD900 1-804-512-11 DISPLAY PANEL, LIQUID CRYSTAL
51
52
53
54
55
56
57
58
59
61
61
60
65
66
62
64
63
68
67
69
70
71
not supplied
(CONTROL board)
LCD900
#4
#
4
Ver 1.2 2001.05

Other manuals for Sony XR-CA310

Related product manuals