EasyManua.ls Logo

Spirax Sarco BC3250 - Page 19

Spirax Sarco BC3250
76 pages
Print Icon
To Next Page IconTo Next Page
To Next Page IconTo Next Page
To Previous Page IconTo Previous Page
To Previous Page IconTo Previous Page
Loading...
IM-P403-89 EMM Issue 8
19
OK
BC3250
100
50
0
%
SP
PV
AL
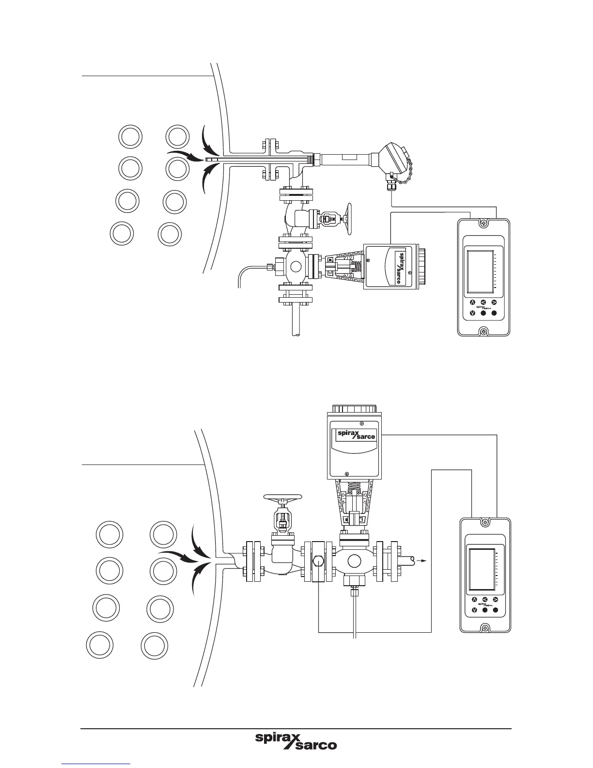
Fig. 11
BCS3 system - TDS control with integral take-off and continuous monitoring point
from the side of the boiler.
OK
BC3250
100
50
0
%
SP
PV
AL
Fig. 12
BCS4 system - TDS control with intermittent monitoring point from the side or the
bottom of the boiler.

Related product manuals