EasyManua.ls Logo

SPRIANO SST50 - Displacer Substitution

Default Icon
48 pages
Print Icon
To Next Page IconTo Next Page
To Next Page IconTo Next Page
To Previous Page IconTo Previous Page
To Previous Page IconTo Previous Page
Loading...
OPERATING MANUAL
MN-SST50
ED-17-09
SPRIANO® TECHNOLOGIES - www.spriano.it spriano@terranova-instruments.com
a TERRANOVA® Srl brand - www.terranova-instruments.com - VAT IT07848810151
Factory & Sales: Via Gramsci 1 26827 Terranova dei Passerini (LO) Italy
Head Office: Via Rosso Medardo 16 20159 Milano Italy Ph: +39 0377 919119 Fax: +39 0377 855720
Pag. 34/48
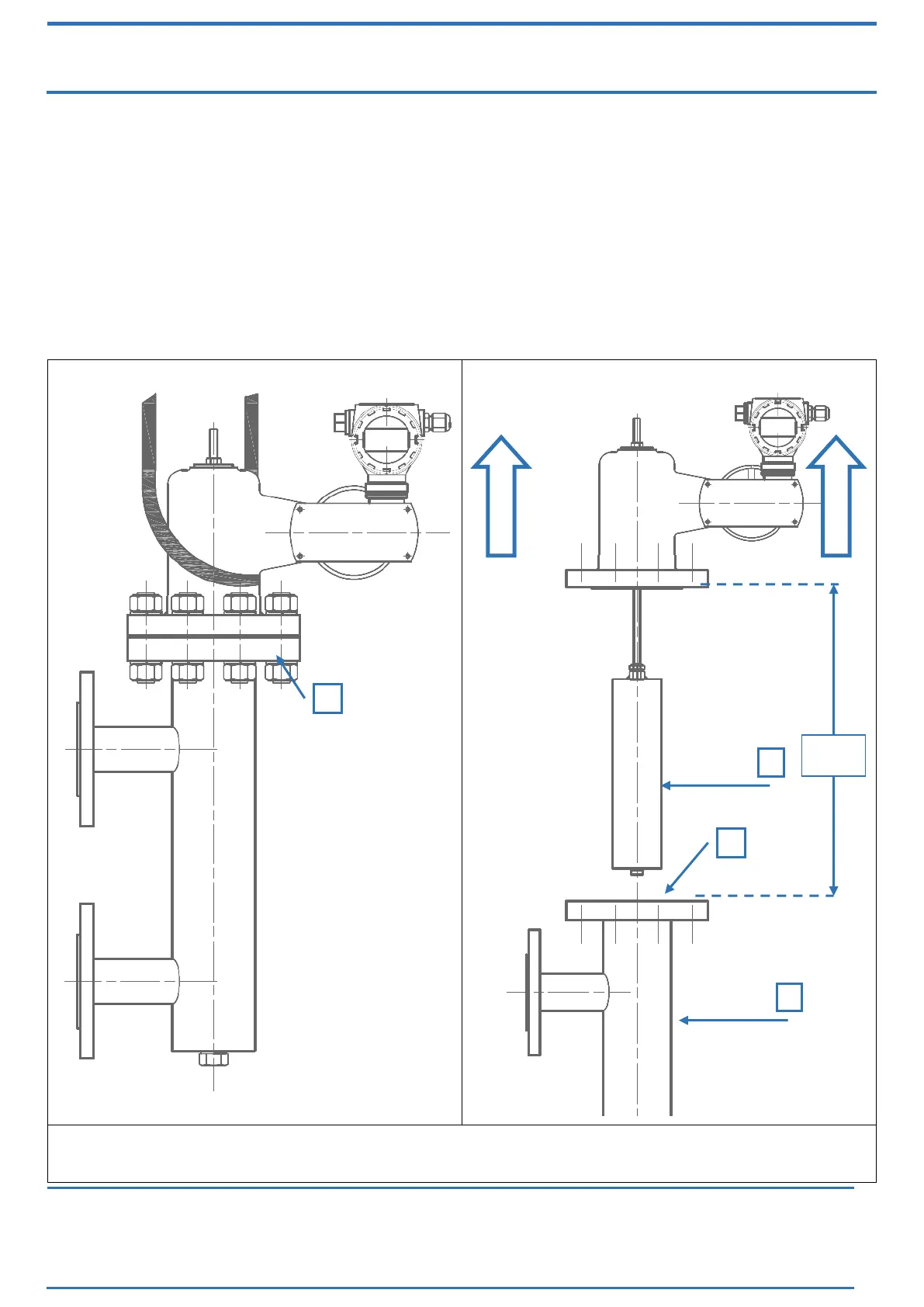
6.3 DISPLACER SUBSTITUTION
Before disassembly the TOP PART strictly follow the Step 1 (Figure 17), Step 2 (Figure 18) and
Step 4 (Figure 19) indicated in TRANSPORT SECURITY OPERATIONS.
Step 1 (Figure 23):
once the DISPLACER is fixed to the top locking device and the TOP PART is ensured with
appropriate equipment in the indicated hanging points, remove the stud bolts G;
raise the top part ensuring to maintain the coaxiality between the displacer H and the
bottom part I;
then, substitute the gasket L.
Figure 23: displacer substitution Step 1
G
H
I
L
//

Related product manuals