EasyManua.ls Logo

ST STM32H745I-DISCO - Page 33

ST STM32H745I-DISCO
55 pages
To Next Page IconTo Next Page
To Next Page IconTo Next Page
To Previous Page IconTo Previous Page
To Previous Page IconTo Previous Page
Loading...
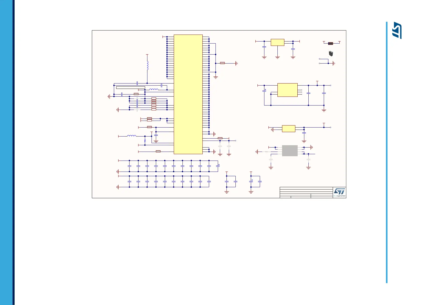
Figure 16. STM32H745XI microcontroller power
4 19
STM32 microcontroller Power
Title:
Size:
Reference:
Sheet: ofA4
Revision:
Project:
STM32H745I-Disco
MB1381B 02
06-SEP-19
H745XI
Date:
-
Variant:
5V
3V3
3V3 VDD_MCU
VDD_MCU
VDDA
VREF+
VDD_MCU
3V3
VREF+ VDDA
VDD_MCU
VDD_MCU
VDD_MCU 3V3
1V8
VDD_MCU
VIN E5V
GND-SD
VDD_MCU
2.2uFC18
2.2uFC75
2.2uFC79
DNF
100nF
C99
100nF
C57
100nF
C95
100nF
C85
100nF
C88
100nF
C87
100nF
C45
100nF
C100
100nF
C96
100nF
C55
100nF
C40
100nF
C46
100nF
C31
100nF
C27
100nF
C29
100nF
C54
100nF
C33
100nF
C42
100nF
C43
100nF
C39
100nF
C36
100nF
C44
100nF
C168
0R
R66
LD1117S50TR
Vin
3
Vo ut
2
Gnd
1
Tab
4
U17
10uF
C154
10uF
C156
Shunt Fitted
JP1
TP5
TP1
TP2SB1
SB5
SB18
SB15
SB23
SB27
SB26
SB17
SB6
1uF
C53 10uF
C155
1uF
C41
10uF
C35
4.7uF
C77
4.7uF
C172
10uF
C161
4.7uF(N/A)C78
DNF
4.7uFC63
FCM1608KF-601T03
L2
TP3
HW14
GND-SD
2.2uHL4
NC
1
GND
6
VO
2
NC
5
GND
EP
VI
3
NC
4
ST1L05APU33R
U20
Vin
3
Vo ut
2
GND
1
Tab
4
LD1117S18TR
U18
5V
VREF+
VREF+
C24
N/A
DNF
R29 N/A
DNF
C25
N/A
DNF
4.7uFC16
VIN
1
EN
2
SS
3
FILT
4
OUT_S
5
OUT_F
6
GND_F
7
GND_S
8
REF6225IDGKT
U3
DNF
VREF-
N1
VREF+
M1
VSSA
P1
VDD
E11
VSS
L10
VDD
K13
VSSSMPS
F2
VSS
R8
VSS
G16
VDD
G5
VDD
H5
VDD
E9
VDD
F5
VSS
T12
VDD
M13
VSSDSI
K15
VSSDSI
M15
VSS
K11
VSS
J17
VDD
G13
VDD
N12
VSS
C10
VCAP
A7
VDDIOSMPS
F1
VDD
N7
VDD
J13
VDD
H13
VSS
B6
VDDIO33_LDO
C17
VCAP
D17
VDDUSB33
F17
VSSDSI
L15
VDD50USB
G17
VSS
L7
VSS
L8
VSS
J3
VSS
J16
VSS
N16
VSS
U17
VSS
L11
VSS
K10
VCAPDSI
N17
VDDDSI
P17
VCAP
U11
VDDIO33_LDO
U12
VSS
A1
VBAT
B1
VSS
B2
VDDA
L1
VSS
L9
VDD
N10
VDD
N11
VDD
K5
VDDIO33_LDO
A6
VDD
L5
VDD
L13
VSS
C13
VSS
C16
VFBSMPS
G2
VLXSMPS
E1
VDD
M5
VDD
E6
VSS
A17
VDD
N8
VSS
U1
VSS
R4
VSS
G7
VSS
G8
VSS
G9
VSS
G10
VSS
G11
VSS
H7
VSS
H8
VSS
H9
VSS
H10
VSS
H11
VSS
J7
VSS
J8
VSS
J9
VSS
J10
VSS
J11
VSS
K7
VSS
K8
VSS
K9
STM32H745XIH6
U6C
220pFC184
SB43
VDD_MCU
10uF
C52
10uFC185
VDD_SDC
SB44
SB45
VDD_SDC
NOTE : (H745XI default setting is SMPS mode, and
H750XB only supports LDO mode)
LDO mode:
SB6, SB17, SB45 mounted, SB5, SB18, SB26,SB27,SB44,
SB46,L4 removed
SMPS mode (default):
SB5, SB18, SB44, SB46, L4 mouned, SB6, SB17, SB27,
SB26,SB45 removed
SMPS +LDO mode
SB6, SB17, SB44, SB46,L4 mouned,
SB26,SB5,SB18,SB27,SB45 removed
NOTE : place C185,SB46 near L4
SB46
Ceramic capacitor (Low ESR <600m ohm)
C186
N/A
DNF
TP6
C187
N/A
DNF
FBMJ1608HM180NTR
L3
UM2488
Electrical schematics
UM2488 - Rev 4
page 33/55

Table of Contents

Related product manuals