EasyManua.ls Logo

Stanley Alpha 120 - Fault Finding; Appliance Wiring Diagram

Stanley Alpha 120
36 pages
Print Icon
To Next Page IconTo Next Page
To Next Page IconTo Next Page
To Previous Page IconTo Previous Page
To Previous Page IconTo Previous Page
Loading...
26
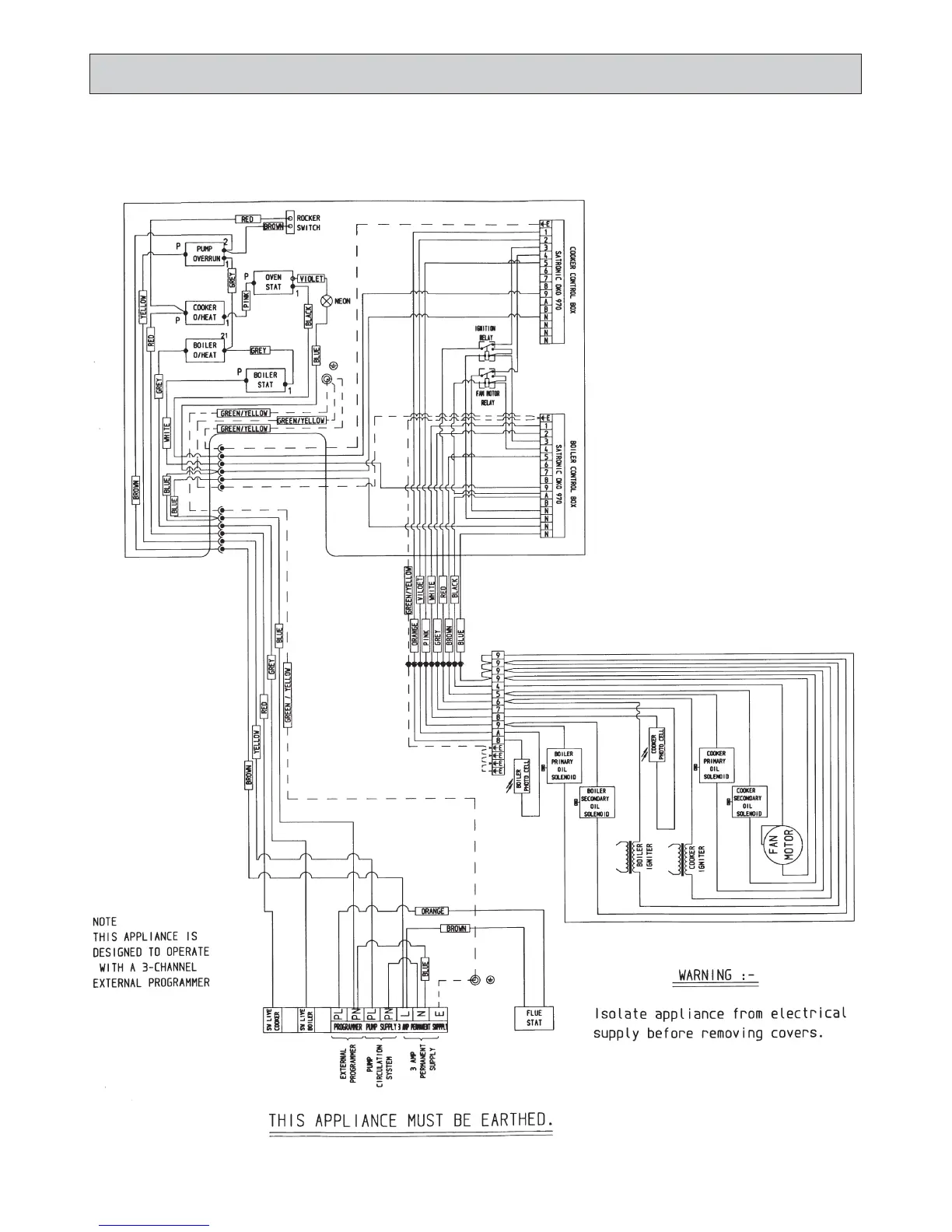
FIG. 43
Fault Finding

Related product manuals