EasyManua.ls Logo

Steinberg UR22 - Block Diagrams

Steinberg UR22
19 pages
Print Icon
To Next Page IconTo Next Page
To Next Page IconTo Next Page
To Previous Page IconTo Previous Page
To Previous Page IconTo Previous Page
Loading...
Appendix
UR22 Operation Manual 16
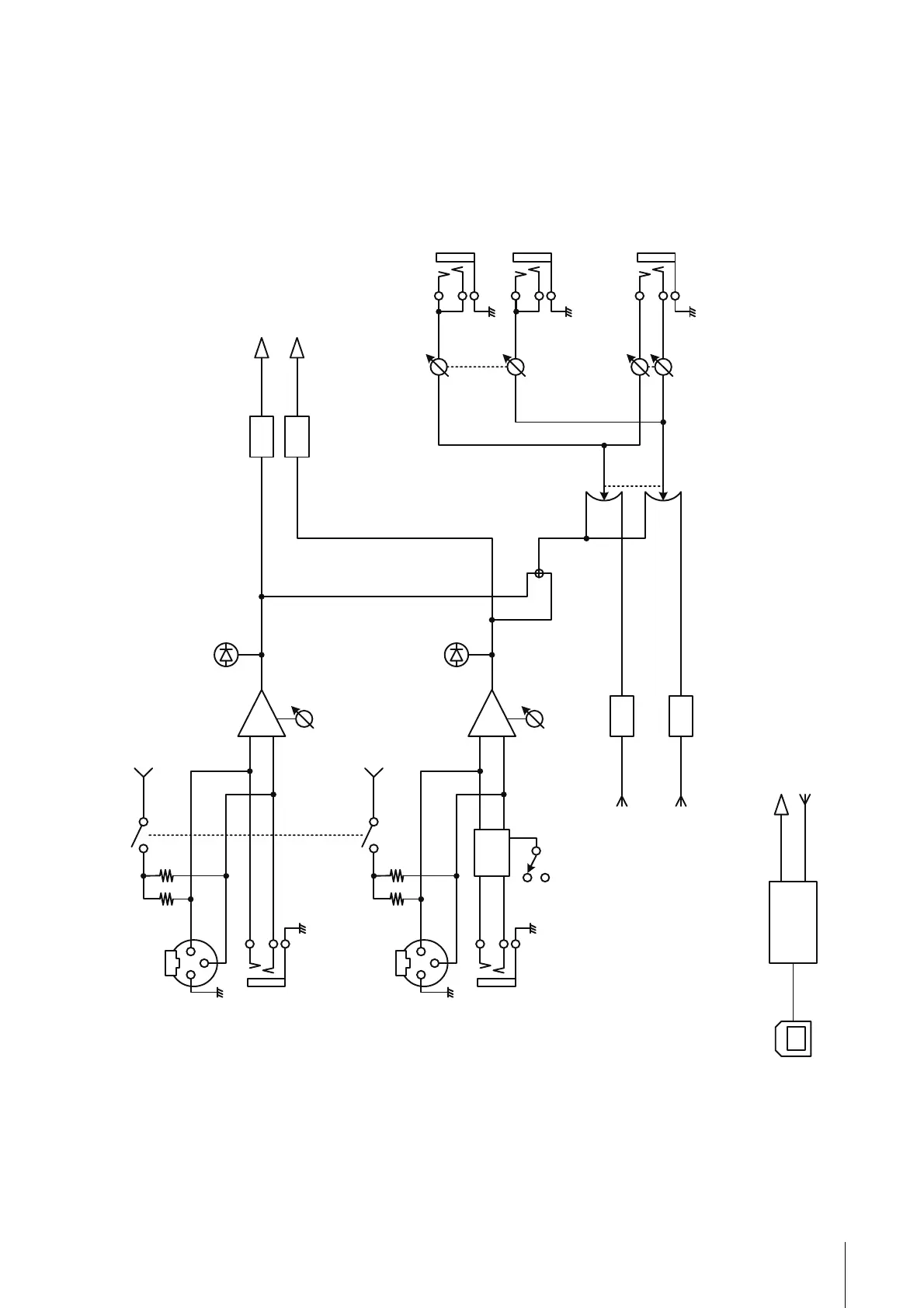
Block Diagrams
㪟㪘
㪤㪠㪚㪆㪣㪠㪥㪜㩷㪠㪥㪧㪬㪫
㪞㪘㪠㪥
㪬㪪㪙
㪜㪥㪚㪦㪩㪛㪜㪩
㪛㪜㪚㪦㪩㪛㪜㪩
㪛㪘㪮㩷㪠㪥㪧㪬㪫㪆㪦㪬㪫㪧㪬㪫
㪉㩷㪠㪥㪧㪬㪫㪆㩷㪉㩷㪦㪬㪫㪧㪬㪫
㪟㪘
㪞㪘㪠㪥
㪂㪋㪏㪭
㪟㫀㪄㪱
㪦㪝㪝
㪦㪥
㪲㪊㪅㪍㫄㪮㩷㪋㪇㫆㪿㫄㫊㪴
㪣㪠㪥㪜㩷㪦㪬㪫㪧㪬㪫
㪈㪆㪣
㪣㪜㪭㪜㪣
㪣㪜㪭㪜㪣
㪝㪩㪦㪤㩷㪛㪘㪮㩷㪈
㪝㪩㪦㪤㩷㪛㪘㪮㩷㪉
㪉㪆㪩
㪲㪂㪋㪻㪙㫌㪴
㪧㪟㪦㪥㪜㪪
㪫㪦㩷㪛㪘㪮㩷㪈
㪫㪦㩷㪛㪘㪮㩷㪉
㪤㪠㪯
㪂㪋㪏㪭
㪝㪩㪦㪤㩷㪛㪘㪮㩷㪈㪆㪉
㪫㪦㩷㪛㪘㪮㩷㪈㪆㪉
㪧㪜㪘㪢
㪧㪜㪘㪢
㪠㪥㪧㪬㪫
㪛㪘㪮
㪠㪥㪧㪬㪫
㪛㪘㪮
㪘㪆㪛
㪘㪆㪛
㪛㪆㪘
㪛㪆㪘
㪲㪄㪌㪋㪻㪙㫌䌾㪄㪈㪇㪻㪙㫌㪴
㪤㪠㪚
㪲㪄㪊㪇㪻㪙㫌䌾㪂㪈㪋㪻㪙㫌㪴
㪣㪠㪥㪜
㪲㪄㪌㪋㪻㪙㫌䌾㪄㪈㪇㪻㪙㫌㪴
㪤㪠㪚
㪲㪄㪊㪇㪻㪙㫌䌾㪂㪈㪋㪻㪙㫌㪴
㪣㪠㪥㪜
㪲㪄㪋㪋㪅㪏㪻㪙㫌䌾 㪄㪇㪅㪏㪻㪙㫌㪴
㪟㪠㪄㪱
㪥㫆㫄㫀㫅㪸㫃㩷㪠㫅㫇㫌㫋㩷㩷㩷㩷
㪚㪿㪈
㪚㪿㪉
㪤㪠㪚㪆㪣㪠㪥㪜㪆㪟㪠㪄㪱㩷㪠㪥㪧㪬㪫

Related product manuals