EasyManua.ls Logo

Steinberg UR44C - Using with an Ios Device; Connection Example

Steinberg UR44C
39 pages
Print Icon
To Next Page IconTo Next Page
To Next Page IconTo Next Page
To Previous Page IconTo Previous Page
To Previous Page IconTo Previous Page
Loading...
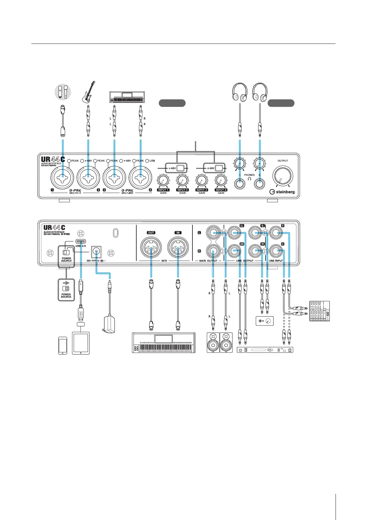
Using with an iOS Device
UR44C Operation Manual 27
Using with an iOS Device
Connection Example
NOTE
Apple accessories may be required when connecting the UR44C with iOS devices. For details, refer to the UR44C Startup Guide.
iOS devices cannot be used by bus-powered supply.
For the latest information on compatible iOS devices, refer to the Steinberg website below.
https://www.steinberg.net/
iPadiPhone
Microphone Guitar Keyboard Headphones
Front panel
Rear panel
When using the condenser
microphone, turn the switch on
after connecting it.
(Turn the switch off before
disconnecting it.)
Check! Check!
Set all volume levels to
minimum before connecting
or disconnecting the
external device.
AC adaptor
Synthesizer/MIDI keyboard Monitor
speakers
External device
Headphone
amp
Mixer

Other manuals for Steinberg UR44C

Related product manuals