EasyManua.ls Logo

Steinberg UR44C - Signal Flows

Steinberg UR44C
39 pages
Print Icon
To Next Page IconTo Next Page
To Next Page IconTo Next Page
To Previous Page IconTo Previous Page
To Previous Page IconTo Previous Page
Loading...
Appendix
UR44C Operation Manual 34
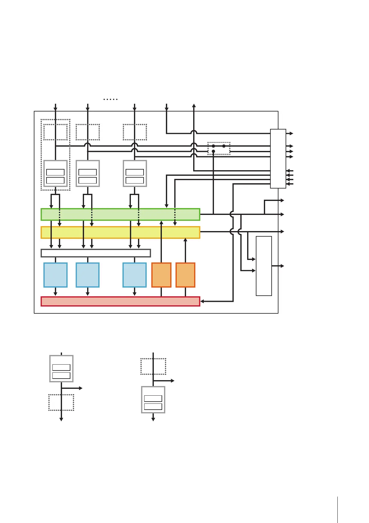
Signal Flows
The following chart indicates the signal flow in the device.
NOTE
The controllers on the device, such as the [INPUT GAIN] knobs, [OUTPUT] knob are not included in this chart.
To configure each parameter, use the “dspMixFx UR-C” (page 8) or “Dedicated Windows for Cubase Series” (page 13).
Please note that you cannot use the built-in Guitar Amp Classics when the sample rate is set to 176.4 kHz or 192 kHz.
*1 The following chart indicates an effect insertion location.
*2 You can turn this on for either MIX 1 or MIX 2.
*1
MIX 2
MIX 1
LOOPBACK OFF/ON
To
[MIDI OUT]
From
[MIC/HI-Z 1]
REV-X
Send
Level
From
[MIC/HI-Z 2]
REV-X select
*2
From
[MIDI IN]
To DAW input
From DAW output
To [MAIN OUTPUT]
To [LINE OUTPUT 1L/1R]
To [LINE OUTPUT 2L/2R]
To [PHONES 2]
To [PHONES 1]
From
[LINE INPUT6]
REV-X
Insert FX
SLOT1
SLOT2
Insert FX
SLOT1
SLOT2
Insert FX
SLOT1
SLOT2
USB
OUTPUT SELECT
REV-X
Send
Level
REV-X
Send
Level
REV-X
Return
Level
REV-X
Return
Level
FX REC (OFF)
To DAW input
From input on the device
To output on the device
FX REC (ON)
From input on the device
To output on the device
To DAW input
Insert FX
SLOT1
SLOT2
Insert FX
SLOT1
SLOT2
Set FX REC ON when recording the DSP effect processed signal with the DAW.
Set FX REC OFF when recording a signal without DSP effect processing with the DAW.

Other manuals for Steinberg UR44C

Related product manuals