EasyManua.ls Logo

stellar labs 10621 - Hydraulic Kit - PN 52476

Default Icon
64 pages
Print Icon
To Next Page IconTo Next Page
To Next Page IconTo Next Page
To Previous Page IconTo Previous Page
To Previous Page IconTo Previous Page
Loading...
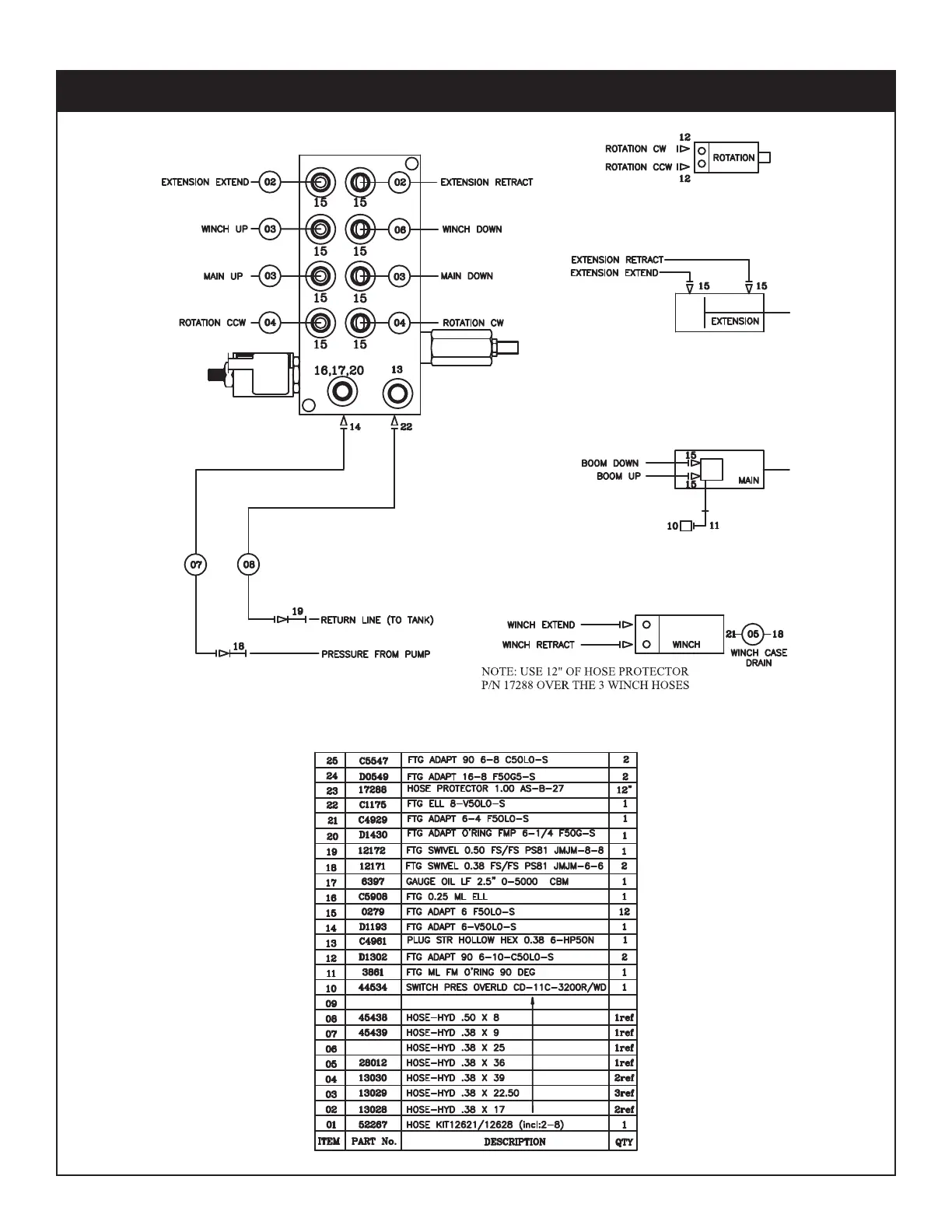
48 10621 Owner’s Manual
PN 52476
24, 25
24, 25
Hydraulic Kit - PN 52476
52276

Table of Contents

Related product manuals