EasyManua.ls Logo

stellar labs 6000 - Hydraulic Kit - PN 13040

Default Icon
52 pages
Print Icon
To Next Page IconTo Next Page
To Next Page IconTo Next Page
To Previous Page IconTo Previous Page
To Previous Page IconTo Previous Page
Loading...
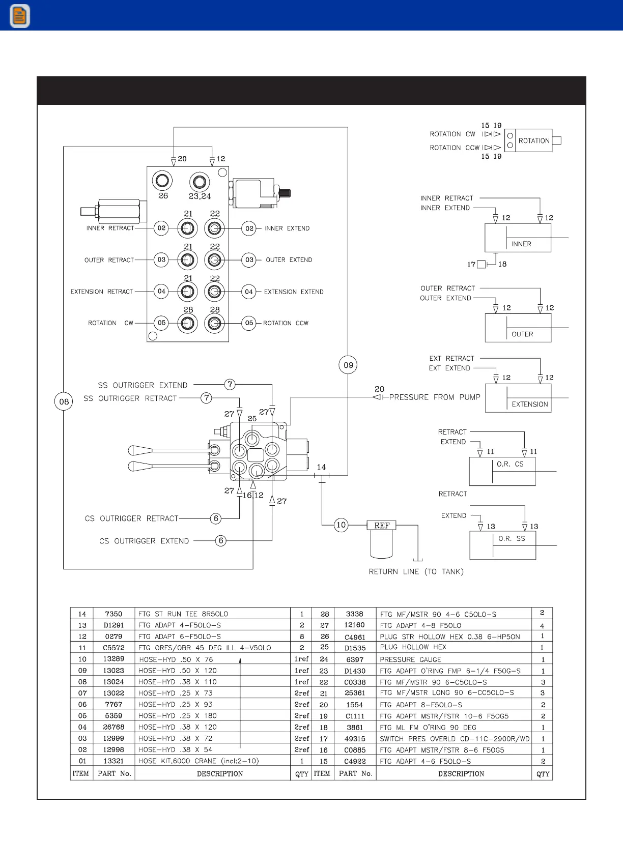
35Hydraulics - Electrical 35
PN 13040
Hydraulic Kit - PN 13040
View thousands of Crane Specifications on FreeCraneSpecs.com
View thousands of Crane Specifications on FreeCraneSpecs.com

Related product manuals