EasyManua.ls Logo

StepperOnline DM542S - Typical Connection Diagram

StepperOnline DM542S
16 pages
Print Icon
To Next Page IconTo Next Page
To Next Page IconTo Next Page
To Previous Page IconTo Previous Page
To Previous Page IconTo Previous Page
Loading...
Full Digital Stepper Drive DM542S
- 13 -
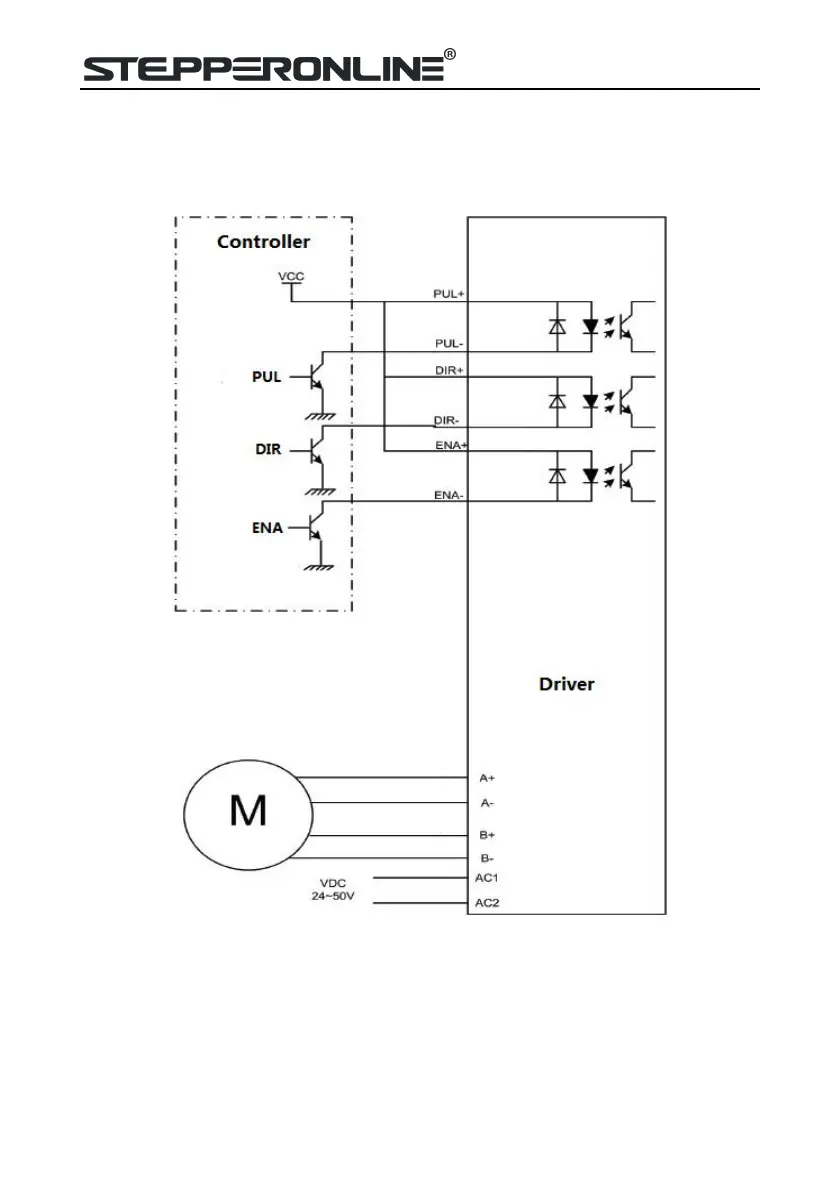
9. Typical Connection
Here is the typical connection of DM542S.

Related product manuals