EasyManua.ls Logo

stertil COMBILOK - Page 65

stertil COMBILOK
Print Icon
To Next Page IconTo Next Page
To Next Page IconTo Next Page
To Previous Page IconTo Previous Page
To Previous Page IconTo Previous Page
Loading...
61
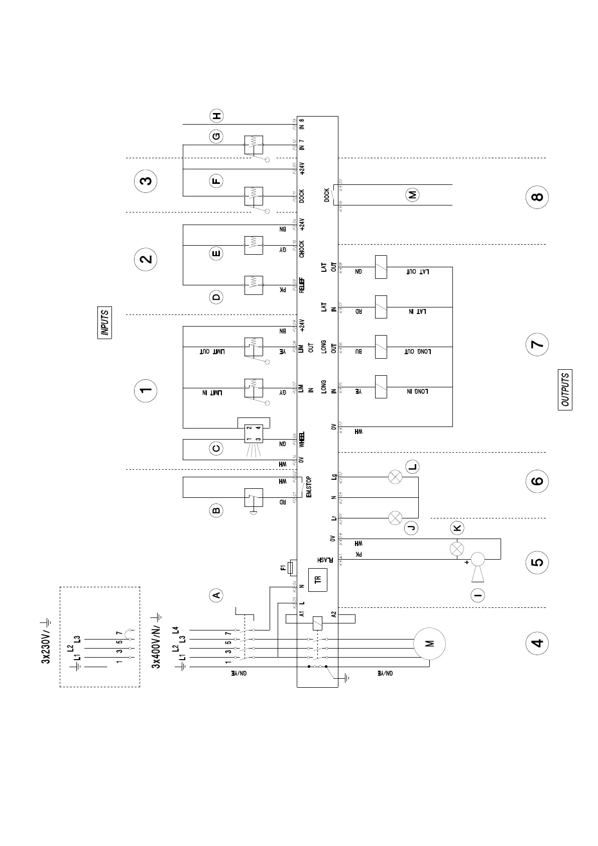
FIG. G

Table of Contents