EasyManua.ls Logo

Struers Cooli System 1 - Page 33

Default Icon
36 pages
Print Icon
To Next Page IconTo Next Page
To Next Page IconTo Next Page
To Previous Page IconTo Previous Page
To Previous Page IconTo Previous Page
Loading...
15763100 A
MPT / MPT
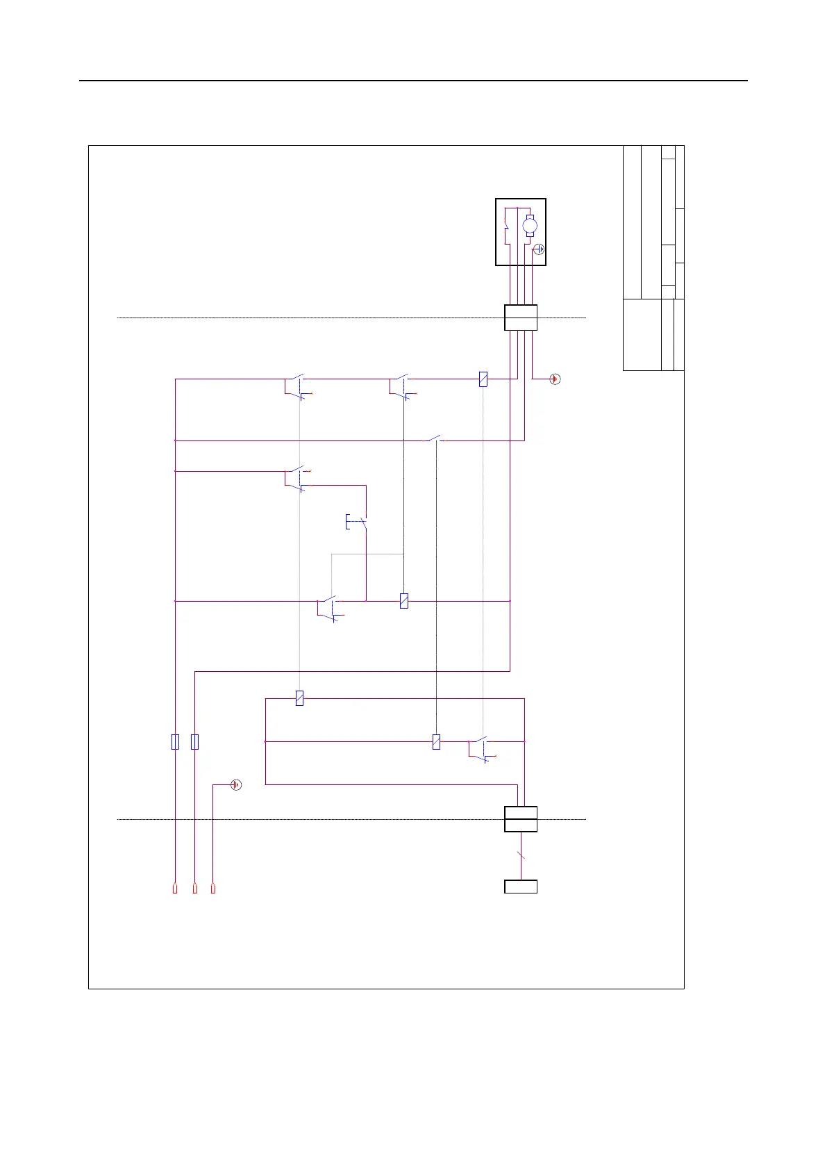
Cooli-1, SAFETY DIAGRAM
REV NOTES
F1
F2
Pump
Machine
signal
relay
Pump
enable
relay
X2
100-240V
50/60Hz
Input from
main machine
All contacts are shown
under these conditions:
- un-powered
Connector
for pump
X3
(Bimetal)
(Common)
(Motor)
(PE)
Reset
relay
INPUTS PUMPCONTROL BOX
4
Cable to the
main machine
Reset
button
Pump
supply
contactor
L
PE
N
Size
Scale
CAGE Code
DWG NO
Rev
Sheet
of
telephone: +45 44 600 800
Struers ApS
15763100
Wednesday, February 19, 2020
2 2
A2
Pederstrupvej 84
DK-2750 Ballerup
Denmark
A
Size
Scale
CAGE Code
DWG NO
Rev
Sheet
of
telephone: +45 44 600 800
Struers ApS
15763100
Wednesday, February 19, 2020
2 2
A2
Pederstrupvej 84
DK-2750 Ballerup
Denmark
A
Size
Scale
CAGE Code
DWG NO
Rev
Sheet
of
telephone: +45 44 600 800
Struers ApS
15763100
Wednesday, February 19, 2020
2 2
A2
Pederstrupvej 84
DK-2750 Ballerup
Denmark
A
K1
K3.1
K5.2
MOTOR AC
BIMETAL
K5.1
K2.2K2.1
K5
K2
K3
K1.1
SB1
9 Technical data
Cooli System 33

Related product manuals