EasyManua.ls Logo

Stryker 1020 - Page 46

Stryker 1020
123 pages
Print Icon
To Next Page IconTo Next Page
To Next Page IconTo Next Page
To Previous Page IconTo Previous Page
To Previous Page IconTo Previous Page
Loading...
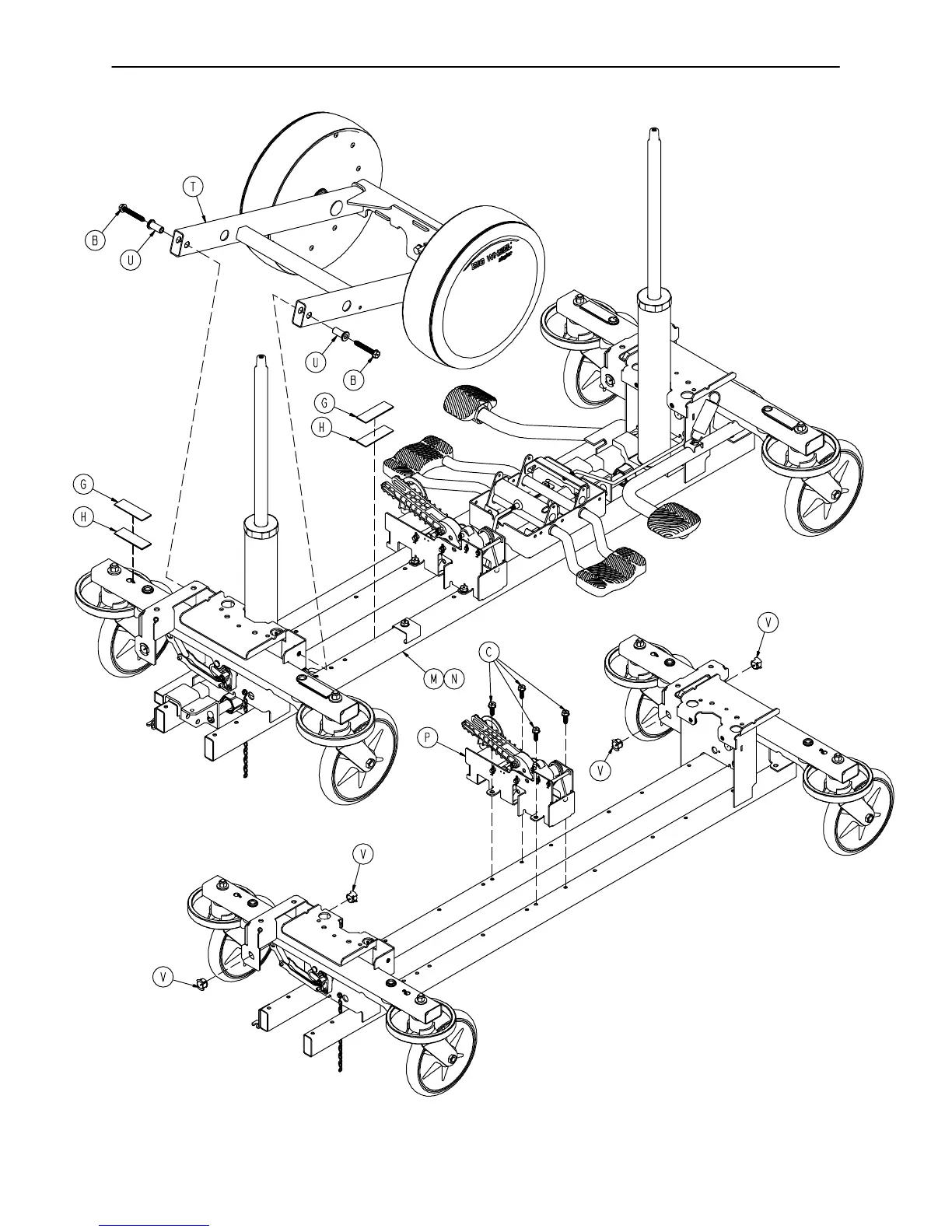
Big Wheel End Control Base Assembly
45
HEAD END
Assembly part number 1040015105 (reference only)

Related product manuals