EasyManua.ls Logo

Stryker 1020 - Pneumatic Fowler Assembly

Stryker 1020
123 pages
Print Icon
To Next Page IconTo Next Page
To Next Page IconTo Next Page
To Previous Page IconTo Previous Page
To Previous Page IconTo Previous Page
Loading...
80
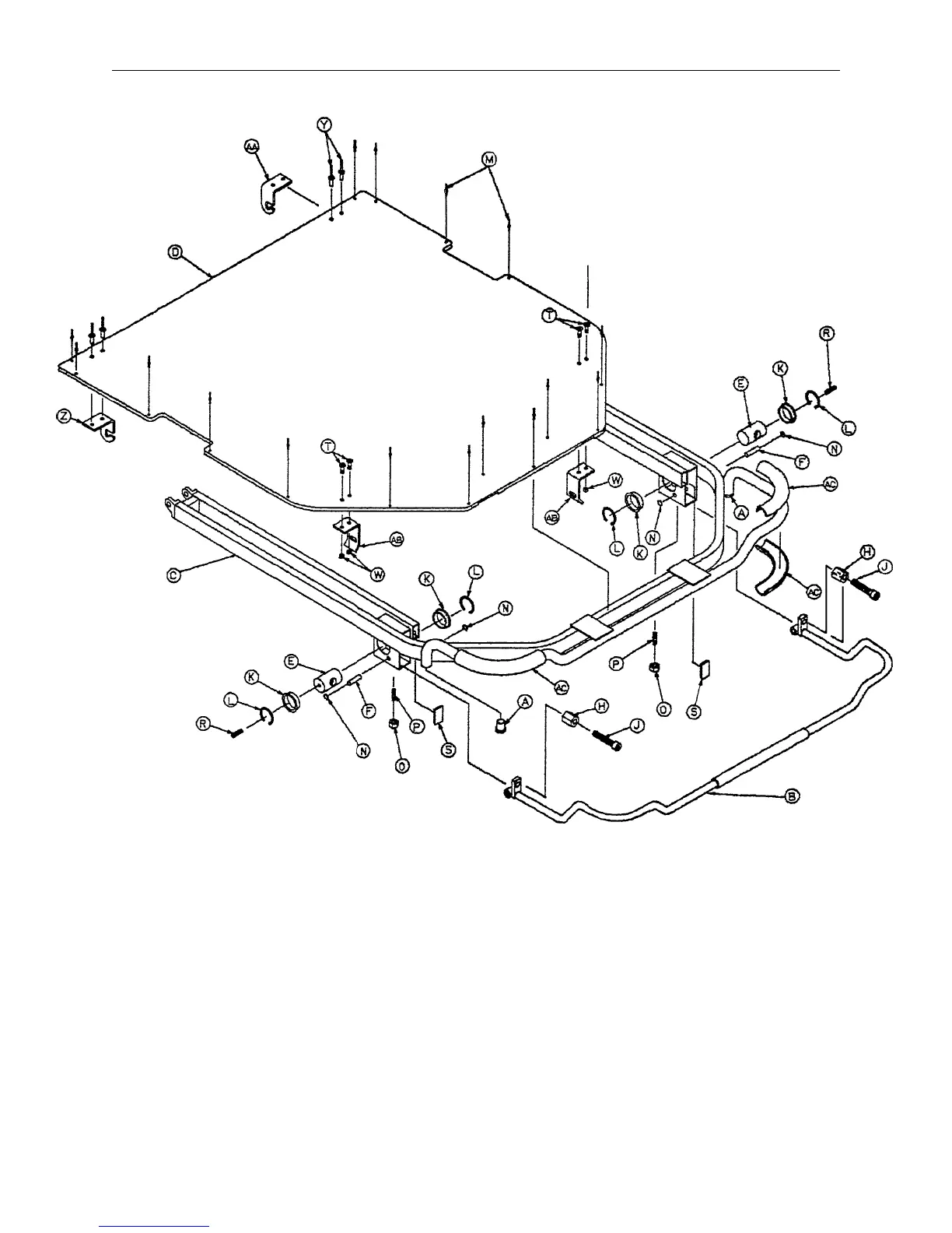
Pneumatic Fowler Assembly
Assembly part number 1020031010 (reference only)
Item Part No. Part Name Qty. Item Part No. Part Name Qty.
A 0037065000 Hole Plug 2 O 0015037000 Jam Nut 2
B 1020031020 Handle Assembly 1 P 0021104000 Set Screw 2
C 1020031015 Fowler Weldment 1 R 0021119000 Set Screw 2
D 1020031039 Fowler Skin 1 S 1010032066 Hole Plug 2
E 1510031028 Yoke 2 T 0004149000 But. Hd. Cap Screw 4
F 1510031037 Pivot 2 W 0016003000 SelfLocking Nut 4
H 0015050000 Hex Nut 2 Y 0025069000 Pop Rivet 4
J 0021126000 Set Screw 2 Z 1020023012 Tray Hinge, Left 1
K 0946035025 Liner 4 AA 1020023013 Tray Hinge, Right 1
L 0028076000 Retaining Ring 4 AB 1020023014 Tray Latch 2
M 0025099000 Pop Rivet 17 AC 1020001065 Fowler Handle Cover 4
N 0028008000 Retaining Ring 4

Related product manuals