EasyManua.ls Logo

Stryker 1020 - Litter Assembly

Stryker 1020
123 pages
Print Icon
To Next Page IconTo Next Page
To Next Page IconTo Next Page
To Previous Page IconTo Previous Page
To Previous Page IconTo Previous Page
Loading...
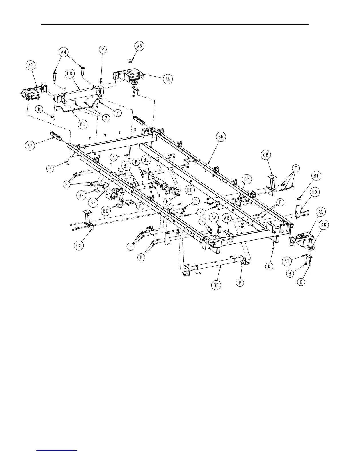
Litter Assembly
69
HEAD END
Assembly part number 1020030010 (reference only)

Related product manuals