EasyManua.ls Logo

Sub-Zero 700 Series - Wiring Schematic - Model 700 TR

Sub-Zero 700 Series
92 pages
Print Icon
To Next Page IconTo Next Page
To Next Page IconTo Next Page
To Previous Page IconTo Previous Page
To Previous Page IconTo Previous Page
Loading...
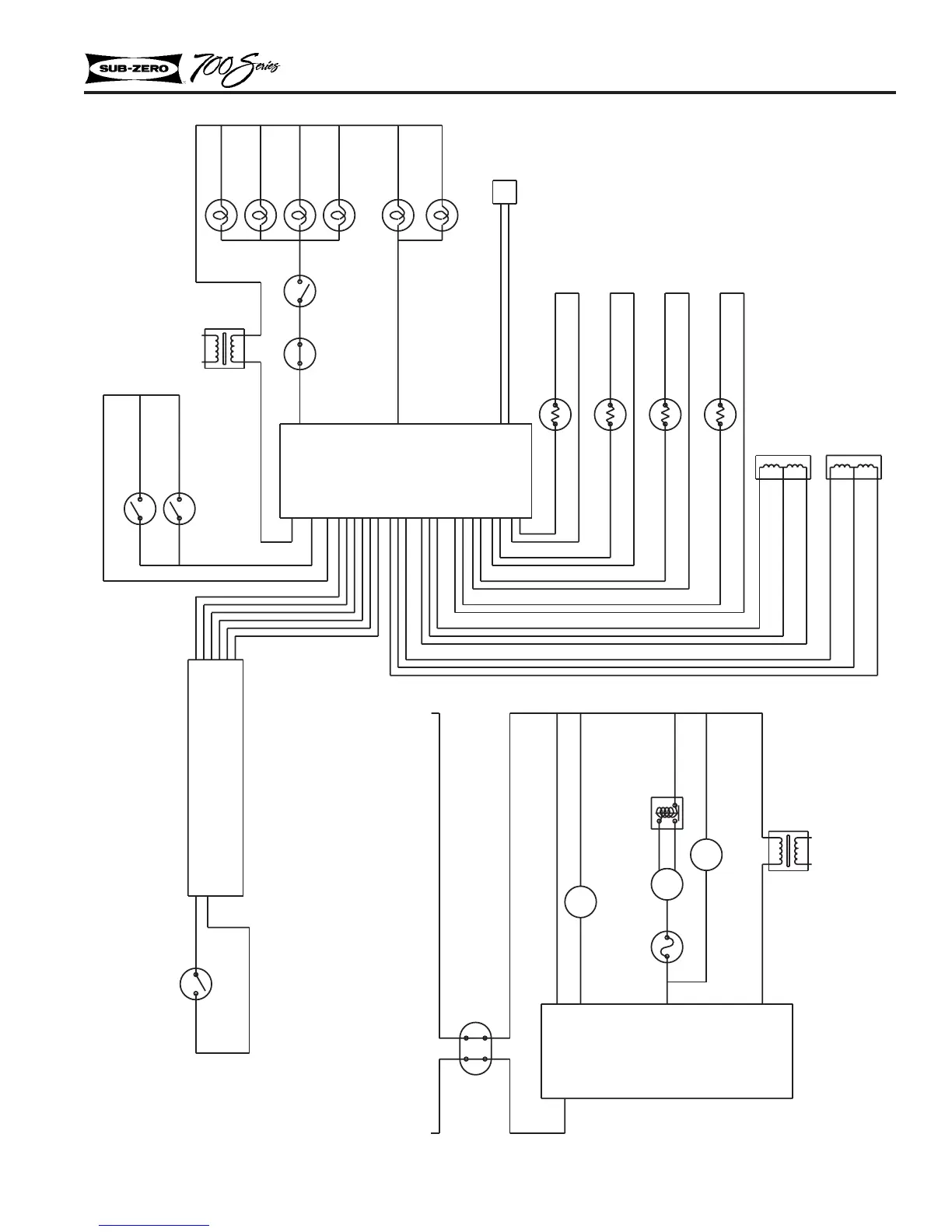
WIRING DIAGRAMS & SCHEMATICS
7-3
CABINET
DOOR SWITCH
115V
TRANSFORMER
LIGHT
DISPLAY BOARD
DOOR SWITCH
LIGHT
LOWER DRAWER
DOOR SWITCH
LOWER DRAWER
LOWER DRAWER
12V
115V
LOWER DRAWER
BAFFLE
TRANSFORMER
THERMISTOR
MAIN BOARD
M
EVAPORATOR FAN MOTOR
L1
NEUTRAL
M
TOP DRAWER
BAFFLE
MFG TEST WIRES
THERMISTOR
EVAPORATOR
THERMISTOR
THERMISTOR
CABINET
TOP DRAWER
CONDENSER FAN
L1
NEUTRAL
POWER SWITCH
MASTER
M
PROTECTOR
OVERLOAD
TOP DRAWER
LOW VOLTAGE SCHEMATIC
COMPRESSOR
LIGHTS
CABINET
LIGHT
TOP DRAWER
60 CYCLES
115 VOLTS
12V
FUSE
THERMAL
SWITCH
INTERLOCK
RELAY
STARTING
COMPRESSOR
MAIN BOARD
HIGH VOLTAGE SCHEMATIC
WIRING SCHEMATIC - MODEL 700TR

Table of Contents

Other manuals for Sub-Zero 700 Series

Related product manuals