EasyManua.ls Logo

Sub-Zero 700 Series - Wiring Schematic - Model 700 TF, 700 TFI

Sub-Zero 700 Series
92 pages
Print Icon
To Next Page IconTo Next Page
To Next Page IconTo Next Page
To Previous Page IconTo Previous Page
To Previous Page IconTo Previous Page
Loading...
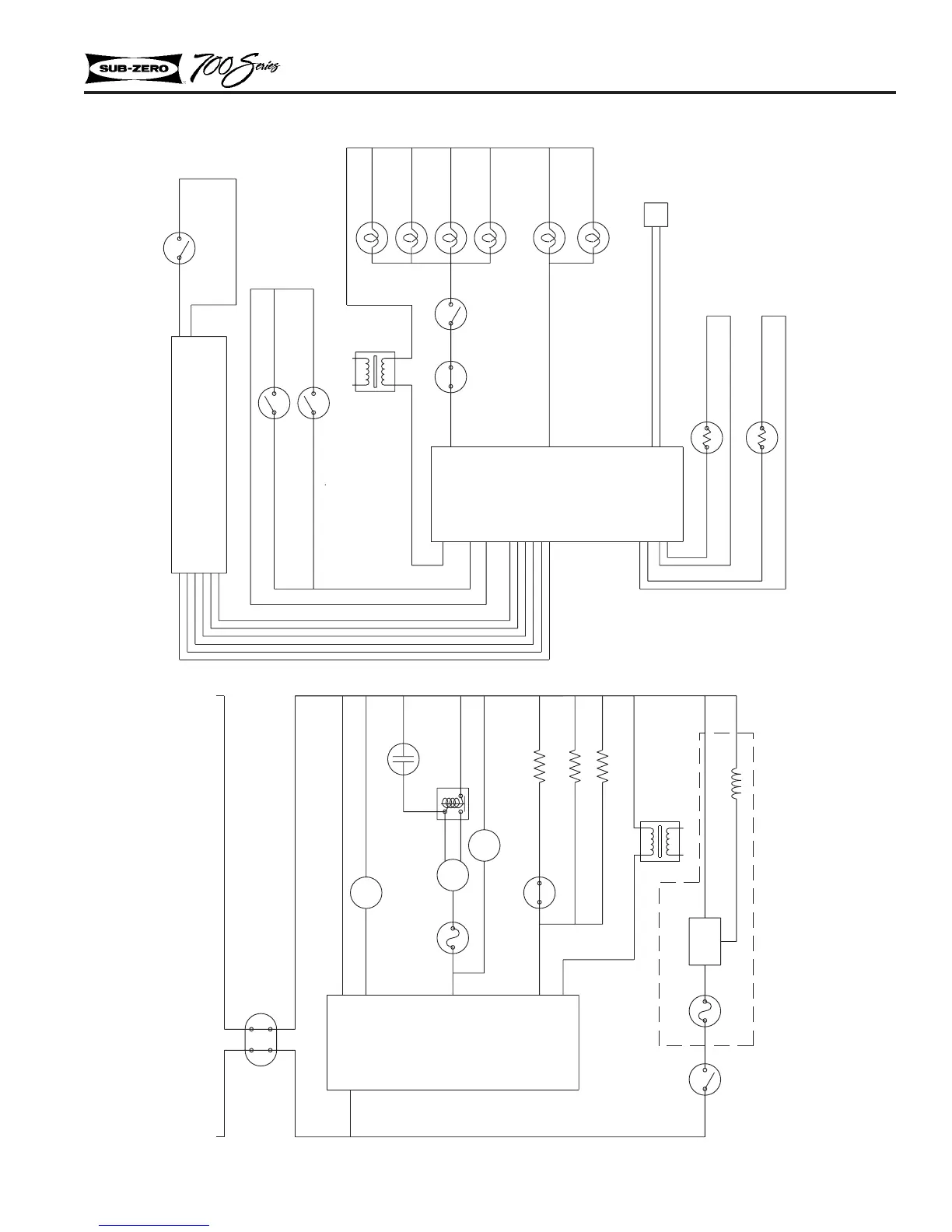
WIRING DIAGRAMS & SCHEMATICS
7-7
12V
115V
MAIN BOARD
M
EVAPORATOR FAN MOTOR
L1
NEUTRAL
M
CONDENSER FAN
L1
NEUTRAL
POWER SWITCH
MASTER
LIGHT
LOWER DRAWER
M
PROTECTOR
OVERLOAD
SWITCH
ICEMAKER
FUSE
THERMAL
(OPTIONAL)
ICEMAKER
VALVE
ICEMAKER
RELAY
STARTING
COMPRESSOR
COMPRESSOR
60 CYCLES
115 VOLTS
12V
LOWER DRAWER
TOP DRAWER
DOOR SWITCH
DOOR SWITCH
CABINET
DOOR SWITCH
MFG TEST WIRES
CAPACITOR
RUNNING
115V
TRANSFORMER
LIGHT
DISPLAY BOARD
DEFROST HEATER
TERMINATOR
DEFROST
LOW VOLTAGE SCHEMATIC
THERMISTOR
EVAPORATOR
THERMISTOR
TOP DRAWER
LIGHTS
CABINET
SWITCH
INTERLOCK
FUSE
THERMAL
LIGHT
TOP DRAWER
TRANSFORMER
FILL TUBE HEATER
MAIN BOARD
DRAIN HEATER
HIGH VOLTAGE SCHEMATIC
WIRING SCHEMATIC - MODEL 700TF, 700TFI

Table of Contents

Other manuals for Sub-Zero 700 Series

Related product manuals