EasyManua.ls Logo

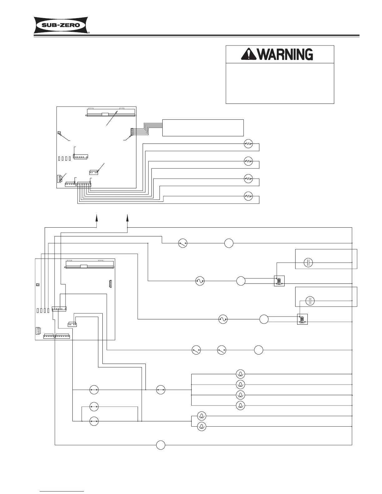
Sub-Zero 700TCI-3 - WIRING SCHEMATIC MODEL: 700 TR-3

Sub-Zero 700TCI-3
136 pages
Print Icon
To Next Page IconTo Next Page
To Next Page IconTo Next Page
To Previous Page IconTo Previous Page
To Previous Page IconTo Previous Page
Loading...
Integrated
Integrated
(700-
(700-
3
3
T
T
ALL)
ALL)
Series
Series
Wiring Diagrams/Schematics
10-5
#3758412 - Revision B - December, 2006
0
0
0
0
0
00
M
M
M
M
M
CONDENSER
FAN MOTOR
LIGHT
TERMINATOR
UPPER REF
LIGHT SWITCH
DRAWER
LIGHT SWITCHES
ORANGE
ORANGE
WHITE/RED
DRAWER
LIGHTS
UPPER REF
LIGHTS
UPPER REF CAB
THERMISTOR
STARTING RELAY
DRAWER CAB
THERMISTOR
UPPER REF EVAP
THERMISTOR
DRAWER EVAP
THERMISTOR
STARTING
RELAY
NEUT
WHITE
BLACK
PURPLE
115 VOLTS
60 CYCLES
GRAY
L1
OVERLOAD
PROTECTOR
UPPER DRAWER
FAN SWITCH
PURPLE
OVERLOAD
PROTECTOR
RED
DRAWER
COMPRESSOR
UPPER REF
FAN SWITCH
WHITE
UPPER REF
COMPRESSOR
RED
DISPLAY
MEMBRANE SWITCH
DRAWER EVAP
FAN MOTOR
RUNNING
CAPACITOR
UPPER REF
EVAP FAN MOTOR
PURPLE
GRAY
ORANGE
ORANGE
LOW VOLTAGE
HIGH VOLTAGE
BLUE W/BLACK STRIPE
BLUE W/BLACK STRIPE
BLUE W/WHITE STRIPE
BLUE W/WHITE STRIPE
BLUE W/YELLOW STRIPE
ORANGE W/YELLOW STRIPE
BLUE W/RED STRIPE
ORANGE W/RED STRIPE
TAN
PART NUMBER 3758504 REV A
YELLOW
YELLOW
J6
J4
J1
J5
J7
J2
J3
E2 E7 E10 E6
RUNNING
CAPACITOR
J2
J3
J7
E6E10E7E2
J5
J4
J1
J6
TAN
PIN 1
PIN 1
PIN 1
PIN 1
PIN 1
PIN 1
PIN 1
LOWER DRAWER
FAN SWITCH
ORANGE
WIRING SCHEMATIC
MODEL: 700TR-3
(WHEN USED)
(WHEN USED)
RED
-This wiring information is provided for use by qualified
service personnel only.
-Disconnect appliance from electrical supply before
beginning service.
-Be sure all grounding devices are connected when
service is complete.
-Failure to observe the above warnings may result in
severe electrical shock.

Table of Contents

Related product manuals